More than likely this is a bulb issue, but we need to start with checking voltage going to the cluster and find out if you have voltage.
https://www.2carpros.com/articles/how-to-check-wiring
This is a shared circuit with other bulbs so if these are the only bulbs not working then it is likely the bulbs.
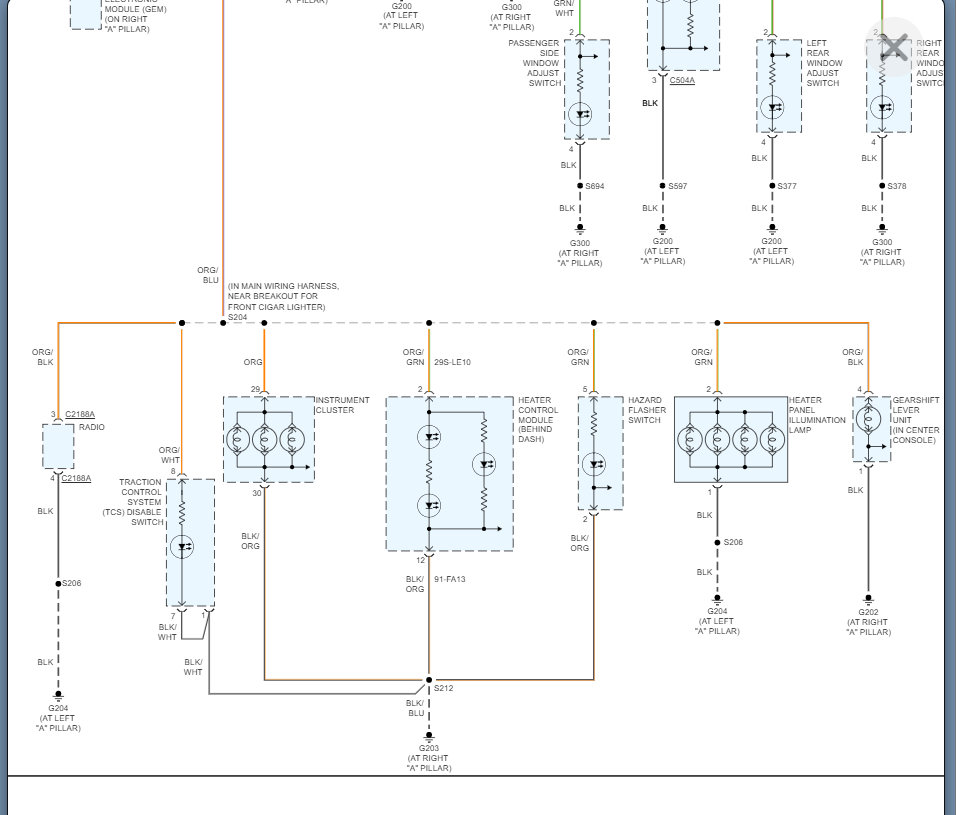
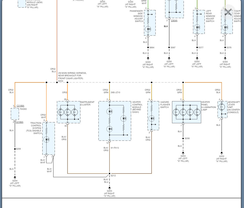
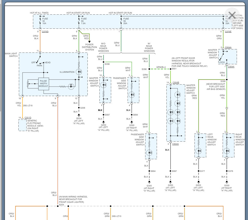
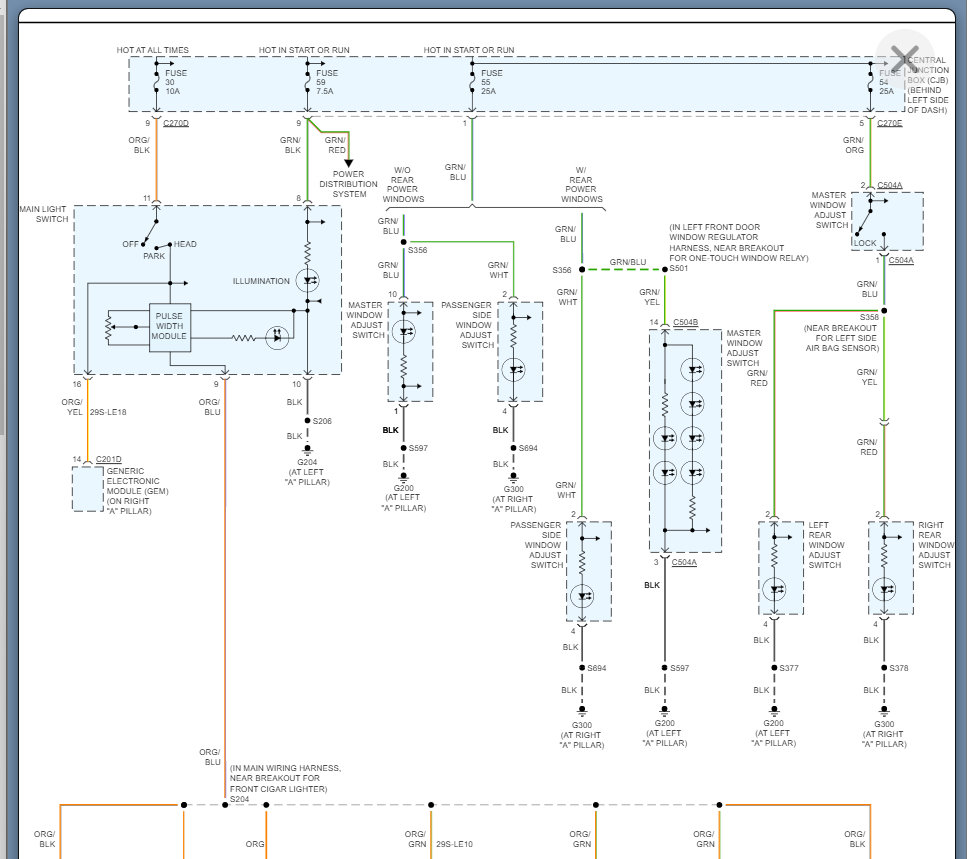
I am attaching info from the manual of a Focus which is basically the same vehicle. We don't have a Bantam in the USA, but this is going to be almost identical.
Please run through this info and let me know what you find.
Thanks
Images (Click to enlarge)
Mar 26, 2022 at 10:24 AM