dashboard cluster not working

1996 JAGUAR XJ6
120,000 MILES • 3.2L • 6 CYL • 2WD • AUTOMATIC
Avatar
MICKO@60
  • MEMBER
  • 9 POSTS
The gauges do not work and i have no warning lights.
Feb 19, 2020 at 12:52 AM
Advertisement
Avatar
MOTOR MASTER
  • CERTIFIED EXPERT
  • 279 POSTS
Hello my name is Dave.

Have you checked all your fuses? That is where I would start. The fuse for the instrument panel is located in what Jaguar calls the heal panel which is the panel under the front of the back seat, in this case you will want to look on the driver's side, fuse #F12. If you can check that and let us know what you find and thank for using 2CarPros!
Feb 19, 2020 at 4:10 AM
Avatar
MICKO@60
  • MEMBER
  • 9 POSTS
Have checked all fuses still no good.
Feb 20, 2020 at 12:29 AM
Advertisement
Avatar
MICKO@60
  • MEMBER
  • 9 POSTS
in response to my last email I have not yet received a reply. I said that I had checked the fuses but still no joy. so still do not have an answer to the problem.
Feb 21, 2020 at 3:38 AM
Avatar
JACOBANDNICKOLAS
  • CERTIFIED EXPERT
  • 110,175 POSTS
Hi,

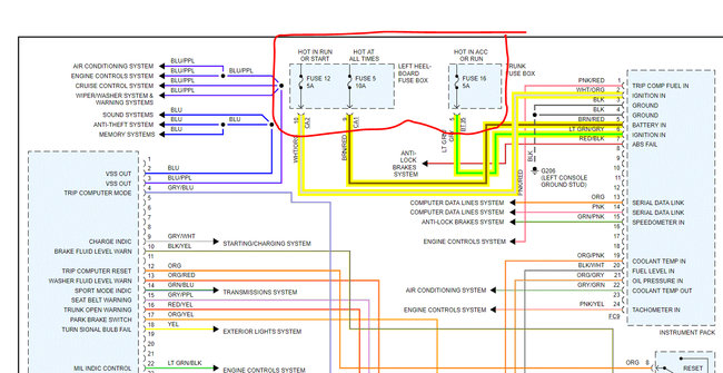
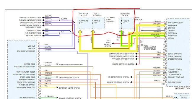
Did all the lights/gauges fail at the same time? Also, you indicated that fuses were good. Please confirm power is to them. Pic 1 shows the fuses to inspect.

Pic 2 shows a ground. It is located on the left side of the console ground stud. Check and make sure nothing has come disconnected or has been damaged.

Here are a few links you may find helpful:

https://www.2carpros.com/articles/how-to-check-a-car-fuse

https://www.2carpros.com/articles/how-to-use-a-voltmeter

https://www.2carpros.com/articles/how-to-use-a-test-light-circuit-tester

https://www.2carpros.com/articles/how-to-check-wiring

________________________________

I'm not sure if you confirmed power at the fuses. That is why I'm asking.

Let me know.

Joe
Feb 21, 2020 at 8:33 PM
Avatar
MICKO@60
  • MEMBER
  • 9 POSTS
no power at fuses.what governs these two fuses behind left hand heel board?
Mar 6, 2020 at 10:03 PM
Avatar
JACOBANDNICKOLAS
  • CERTIFIED EXPERT
  • 110,175 POSTS
Hi,

I attached 3 pictures below from the wiring schematic. It shows how power gets to the fuse you checked.

Let me know if this helps.
Joe
Mar 6, 2020 at 11:18 PM
Avatar
MICKO@60
  • MEMBER
  • 9 POSTS
Hi Joe,
Thanks for your help but lettering is blurred.
Best regards,
Michael.
Mar 7, 2020 at 1:20 AM
Avatar
MICKO@60
  • MEMBER
  • 9 POSTS
Hi, sorry to bother you ,but wondered if there is anywhere that I can obtain full sized diagrams from?
Best regards,
Michael.
Mar 7, 2020 at 1:33 AM
Avatar
JACOBANDNICKOLAS
  • CERTIFIED EXPERT
  • 110,175 POSTS
Hi, Michael.

Here are the same pictures but I enlarged them. Let me know if they help. Also, starting with picture 4, I copied the entire power distribution system. I overlapped them to make it easier to follow. Keep in mind, the schematics are 4 pages long regular size, so I had to break them up to enlarge them.

Let me know if this helps.

Take care,
Joe

Mar 7, 2020 at 8:09 PM
Avatar
MICKO@60
  • MEMBER
  • 9 POSTS
Hi Joe, as you know I am very grateful for your help but can I pick your brain? is there a common item that links the two fuses, ie relay, module etc? as I need to source part or parts. Should you not be able to help, I will understand, but will still be grateful for the help that you have given me.
Best regards,
Michael.
Mar 8, 2020 at 1:09 AM
Avatar
JACOBANDNICKOLAS
  • CERTIFIED EXPERT
  • 110,175 POSTS
First, you are very welcome. I just want to help you through this. However, I'm not sure what you are referring to. The links are done via wiring. Is that what you mean? There are relays which will distribute power and an instrument pack which is a distribution of power. I'm sorry. I'm just not sure I understand.

Let me know.

Joe
Mar 8, 2020 at 7:48 PM
Avatar
MICKO@60
  • MEMBER
  • 9 POSTS
Hi Joe, sorry to be vague. Behind L/H heel-board are two fuses F14 and F18, there is no power at either of these two fuses, wondered if there is a common denominator between these two or if two separate parts need replacing. Hope this helps.
Best regards,
Michael.
Mar 9, 2020 at 1:27 AM
Avatar
JACOBANDNICKOLAS
  • CERTIFIED EXPERT
  • 110,175 POSTS
Hi,

sorry for the delay The two fuses you mentioned are not related to the instrument panel. See picture 1. By accident I highlighted 16 rather than 18. There is no F18 on the schematic. Are you sure that is the correct number?

Also, I attached two other schematics. They show how power reaches that box.

Mar 10, 2020 at 7:39 PM
Avatar
MICKO@60
  • MEMBER
  • 9 POSTS
Hi Joe, thanks for the info. the misunderstanding with the fuses seems to be that the information in the handbook seems to bear no relation to the actual fuses.
Best regards,
Michael.
Mar 11, 2020 at 1:13 AM
Avatar
JACOBANDNICKOLAS
  • CERTIFIED EXPERT
  • 110,175 POSTS
I'm not 100% sure why there is a difference. The pictures I sent are from the manuals I have. Did I indicate the fuses you are referring to? (sorry this is so confusing. Wiring schematics can get somewhat involved)

Joe
Mar 11, 2020 at 7:06 PM