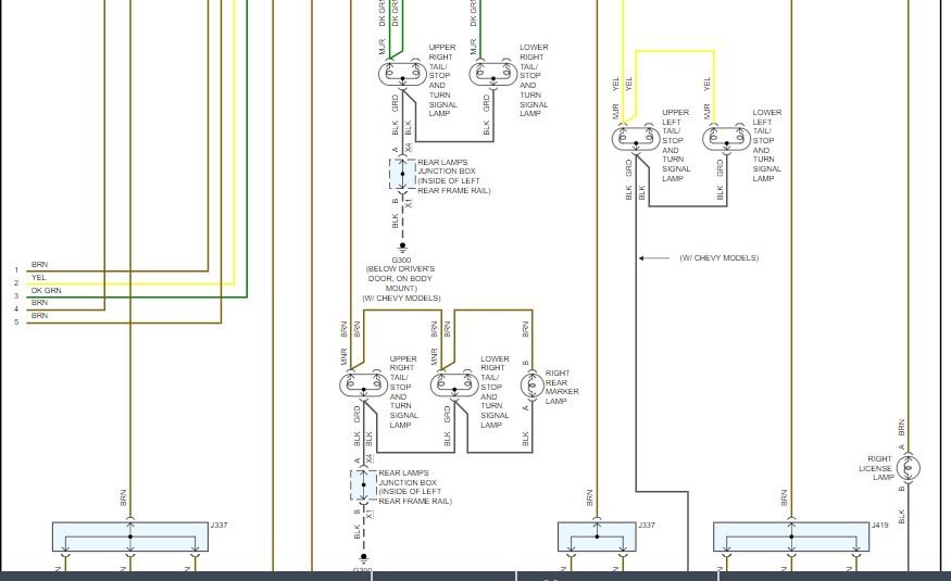
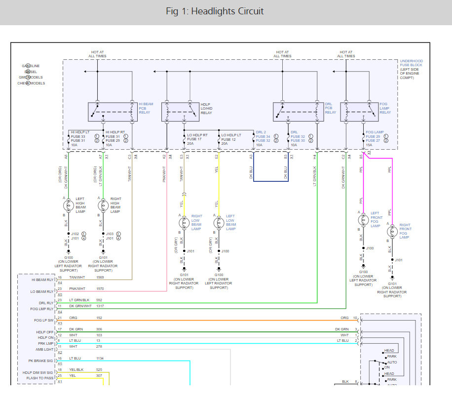
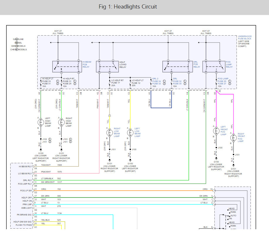
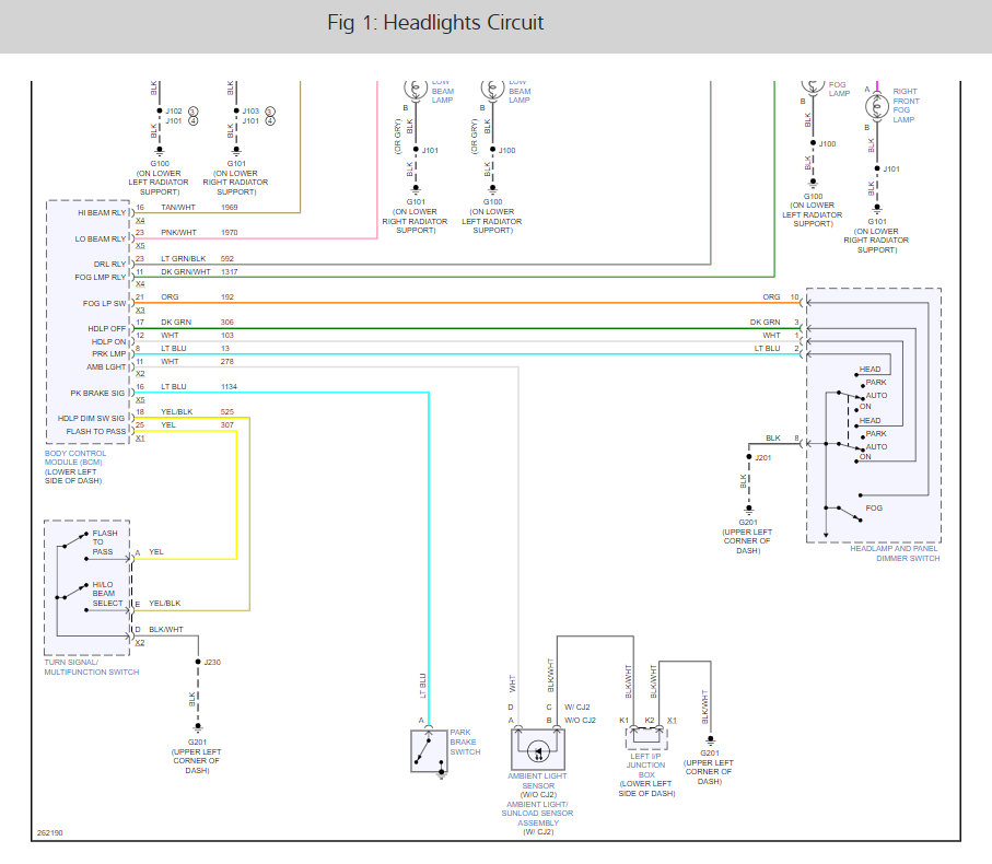
I was in the process of changing turn signal bulbs out for switchbacks today. In the process the main headlight after marketing wiring red and black wire broke. The red wire was broken and came into contact with the bumper of the vehicle while the vehicle was on and it shorted out the driver side headlight hi lamp, and DRL. It also knocked out the driver side tail light whole assembly (park, DRL, and brake lamp) it also knocked out the driver side license plate illuminator.
Apr 27, 2020 at 11:14 PM














