running lights not working?

2004 DODGE DAKOTA
145,000 MILES • V8 • 4WD • AUTOMATIC
Avatar
EZY
  • MEMBER
  • 1 POST
driver side brake and running lights go out when the brakes are applied (only when running lights are on). The brake light works and the running lights work, just not at the same time. The turn signal on that side also flashes at three times the normal speed. I tried replacing the socket but it is still the same.
Nov 7, 2008 at 11:01 PM
Advertisement
Avatar
JACOBANDNICKOLAS
  • CERTIFIED EXPERT
  • 110,175 POSTS
Hi:
The turn signal flashing too fast indicated a burned out bulb. As far as the running lights turning off when you hit the brake light, could be a ground problem or again a bad bulb. The turn signal and brake light work from the same element within the bulb. Therefore, they both could be caused by the same problem.

I would check the fuses first though here is a guide with the fuse location in the diagrams below.

https://www.2carpros.com/articles/how-to-check-a-car-fuse

Check out the diagrams (Below). Please let us know what you find.
Nov 8, 2008 at 4:14 PM
Avatar
RONALD ANNAU
  • MEMBER
  • 7 POSTS
Power up to socket for rear signals, shuts off when you put bulb in?
Dec 3, 2020 at 10:07 AM (Merged)
Advertisement
Avatar
CARADIODOC
  • CERTIFIED EXPERT
  • 34,308 POSTS
If I understand you correctly, you mean you have 12 volts to a terminal in the socket, and it goes to 0 volts when you pop the bulb into the socket. Is that right? If so, you are measuring that 12 volts with a digital voltmeter. Try doing that test with a test light instead, and you will find you really do not have 12 volts with the bulb out. There is a high-resistance break in that circuit. Only a tiny tickle of current can get through, but that is plenty for the voltmeter to see the 12 volts, but not enough to run a test light or light bulb.

Which system are you working on? One side or both? Any related history that led up to this? Does the truck have an added-on trailer harness?
Dec 3, 2020 at 10:07 AM (Merged)
Avatar
RONALD ANNAU
  • MEMBER
  • 7 POSTS
I am working on the left side, four way, stop and signal with a test light. The truck has an add on trailer harness.
Dec 3, 2020 at 10:07 AM (Merged)
Avatar
CARADIODOC
  • CERTIFIED EXPERT
  • 34,308 POSTS
So the test light shows that you do have 12 volts. If that is a high-quality light, like those from Snapon, their bulbs do not draw very much current to be full brightness. They are around 50 ohm bulbs where a typical brake light bulb is close to 12 ohms.

With the bulb in place, where are you taking the reading that shows the 12 volt goes missing?
Dec 3, 2020 at 10:07 AM (Merged)
Avatar
RONALD ANNAU
  • MEMBER
  • 7 POSTS
Right at the socket.
Dec 3, 2020 at 10:07 AM (Merged)
Avatar
JOANNA KEELER
  • MEMBER
  • 2 POSTS
We replaced every thing new still not working.
Dec 3, 2020 at 10:07 AM (Merged)
Avatar
CARADIODOC
  • CERTIFIED EXPERT
  • 34,308 POSTS
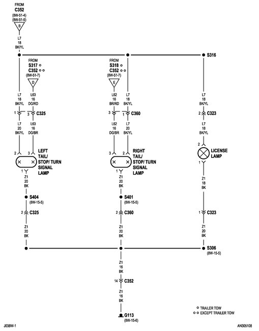
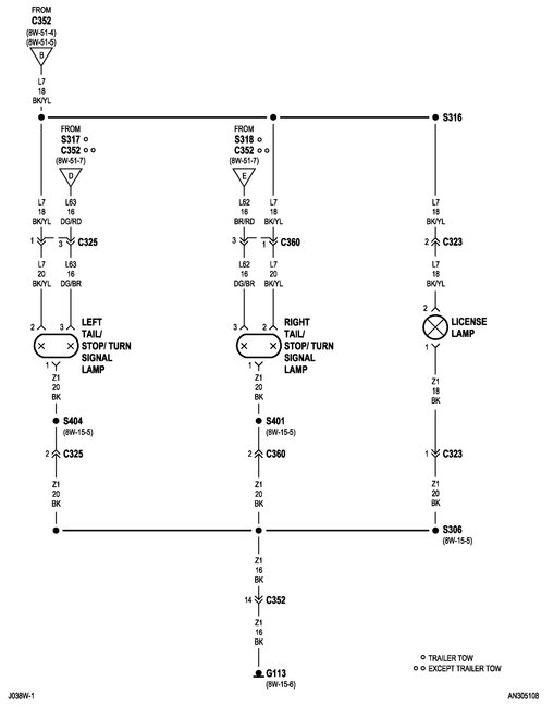
Do you remember how the brake light circuit used to go through the signal switch on older models? The signal switch would let the current from the brake light switch go through, or it would switch it off, then connect one circuit to the flasher for the signal function. Well, they are doing that now with the combination flasher. The brake light circuit feeds the flasher, and it goes to the center high-mount brake light on that same circuit.

The first clue is if the high-mount brake light works. If it does, the brake light switch is okay.

The best suspect is the flasher assembly. First check that it is fully plugged in. I have seen them on Caravans where they fall out of the socket from their own weight. Next, if you can get to the wires on the back of the socket, you should find 12 volts on the white/tan wire when the brakes are applied. That is likely to be okay because the signal function comes in on a different pair of wires. You are not likely to have two bad circuits. 12 volts for the left brake/signal lamp circuit comes out on the dark green/red wire. With the bulb installed, if you find 0 volts or very low voltage on that dark green/red wire at the flasher, it most likely has an arced contact on that internal relay. To verify that, use a jumper wire to connect the white/tan wire to the dark green/red wire, and the left rear bulb should light up.

If you always have 12 volts on the dark green/red wire at the flasher, but not back by the bulb, there is one splice in that wire if the truck came with the trailer tow package. Splices are good places to find breaks caused by corrosion. Check for 12 volts at the trailer connector. That again is the dark green/red wire.

Since you found the truck has an add-on trailer harness, there is a much better suspect. Way too many people use Scotch-Lok connectors to splice the wires. Those do not seal out moisture, and corroded wires can be expected. Find where that wire is spliced in, then wiggle it while watching the bulb. If the bulb flickers or gets bright, you will need to cut the dark green/red wire back a long way until you find shiny copper, then solder in a new piece. Seal it with heat-shrink tubing that has hot-melt glue inside. That will seal out moisture. Do not be stingy with the new wire. Solder will not adhere to copper that is corroded. It will look dull brown. Even if you shine it up with sandpaper, it will crumble in the future, and you will have the same problem. Moisture has gotten inside the insulation by the break created by the splice connector. That moisture, and corrosion, will travel a long way inside the insulation, so you might have to cut out a foot or two of the old wire.
Dec 3, 2020 at 10:07 AM (Merged)
Avatar
STEVE W.
  • CERTIFIED EXPERT
  • 15,113 POSTS
What exactly did you replace and is it just the marker section of the light or are the brake and reverse lights also out? If the entire light is out the first thing I would check would be that the ground (black wire) is grounded, Chrysler seems to have a lot of issues with bad grounds. Especially in the cases like this where they run multiple wires into one splice and crimp them. To test that the easiest way would be to simply bare a small section of the black wire, then use a short jumper wire to a clean metal ground and see if the light works. If it does you have two options. One, trace the black wire back to the splice and repair it, or simply solder and seal the connection you made with the wire and crimp a ring terminal on the end and ground it to a handy spot of steel behind the taillight housing.

If the only part that is out is the tail marker and the rest of the light works then you may have a broken feed wire (black with yellow trace) to the light. That goes into a multi-splice as well. For that the easiest solution is to run a new wire to the splice or trace the wire to find the broken area.
Dec 3, 2020 at 10:07 AM (Merged)
Avatar
RONALD ANNAU
  • MEMBER
  • 7 POSTS
What is puzzling, is that everything on the right side works but on the left I only have parking or running lights. I removed the whole trailer harness and still nothing.
Dec 3, 2020 at 10:07 AM (Merged)
Avatar
JOANNA KEELER
  • MEMBER
  • 2 POSTS
The only thing not working is the tail light. He is going to trace the black and yellow wire.
Dec 3, 2020 at 10:07 AM (Merged)
Avatar
CARADIODOC
  • CERTIFIED EXPERT
  • 34,308 POSTS
The left and right brake/signal lights are two totally different circuits within the flasher assembly. Each one uses its own relay, so when one side fails, the other side will still work.
Dec 3, 2020 at 10:07 AM (Merged)
Avatar
STEVE W.
  • CERTIFIED EXPERT
  • 15,113 POSTS
Try the jumper first. If it works you are just adding a new ground in parallel with the old. I do that a lot just to eliminate these type of problems.
Dec 3, 2020 at 10:07 AM (Merged)
Avatar
RONALD ANNAU
  • MEMBER
  • 7 POSTS
Yes.
Dec 3, 2020 at 10:08 AM (Merged)
Avatar
RONALD ANNAU
  • MEMBER
  • 7 POSTS
Thank you guys, it was the flasher.
Dec 3, 2020 at 10:08 AM (Merged)
Avatar
CARADIODOC
  • CERTIFIED EXPERT
  • 34,308 POSTS
Dandy. Happy to hear you solved it.
Dec 3, 2020 at 10:08 AM (Merged)
Avatar
STEVEW661
  • MEMBER
  • 2 POSTS
tail lites and blinker lites suddenly quit working. I have checked the bulbs and the fuse (position #19) in the fuse block and all seems to be ok. What do you suggest next?
Dec 3, 2020 at 10:08 AM (Merged)
Avatar
STEVEW661
  • MEMBER
  • 2 POSTS
Well, I have found the answer to my problem. The owner's manual talks about the fuse board located on the side of the dash board. The manual does not mention the "other fuse panel" located under the hood. I removed the lid from the fuse block under the hood and found that I did indeed have two blown 20 amp fuses. I replaced the fuses and presto, the tail lights, blinkers and emergency flashers are again working. Figured I just saved myself a couple hundred bucks, by not having to take it to the dealer and have them replace the 2 $5.00 fuses and charge me an arm and a leg!!!
Dec 3, 2020 at 10:08 AM (Merged)