turn the ignition key and I get nothing ?

2003 DODGE NEON
82,000 MILES • 4 CYL • FWD • AUTOMATIC
Avatar
CKOPCZYNSKI
  • MEMBER
  • 1 POST
I turn the ignition key and I get nothing why?
Jan 21, 2010 at 11:09 AM
Advertisement
Avatar
JDL
  • CERTIFIED EXPERT
  • 16,098 POSTS
This sounds like the starter is having problems or the battery needs to be load tested these guides can help us fix it. https://www.2carpros.com/articles/starter-not-working-repair and https://www.2carpros.com/articles/car-battery-load-test Please run down these guides and report back. I'd make sure the battery has a full charge and the connections are good. Next, I'd check the voltage circuits at the starter relay, in the power distribution center, under the hood. Also, your theft/security system might cause an issue? Did you try cranking in neutral?


https://www.2carpros.com/forum/automotive_pictures/170934_03_dodge_neon_starter_circuit_1.jpg

Jan 21, 2010 at 12:00 PM
Avatar
LAG2991
  • MEMBER
  • 5 POSTS
Having same problem over last month since I bought the car. It will not turn over at all, but there is plenty of juice. Every once in awhile it will start after about twenty attempts. It will start a few days without issue.

Have replaced the solenoid, and the starter twice. Electrically it reads good but that is only after it starts to take it to the garage so they are not reading it when it does not work.

The key sometimes catches. The fob is so old that it does not work and is missing buttons.

I was reading somewhere that the key for this car has a transponder, but I do not know that for sure.

Guesses on it being a key issue? I would hate to spend $200.00 on new key if it is not. So far I am at nearly $300.00 on this starting issue and it is not fixed.

Also, any cheaper ways to get a transponder key that works?

Thanks!
Apr 15, 2021 at 6:53 PM (Merged)
Advertisement
Avatar
JACOBANDNICKOLAS
  • CERTIFIED EXPERT
  • 110,175 POSTS
Hi and thanks for using 2CarPros.com.

The key does have a transponder in it, but the anti-theft or security light will flash or illuminate if the transponder is bad. If that is not happening, I question the ignition switch itself since you mentioned it catches at times. First, the ignition switch is not part of the cylinder where the key goes. It is an electrical device located in the steering column. There is a shaft which is moved when you turn the key which engages it. I hate to suggest this and be wrong, but you may want to inspect it to determine if something is loose and not allowing the shaft to properly engage the switch.

Here are directions for removal and replacement of the switch. I am not saying to replace it, but the directions show how to access it and work on it. The attached pictures correlate with these directions.

_____________________________________________

IGNITION SWITCH REMOVAL

The ignition switch attaches to the lock cylinder housing on the end opposite the lock cylinder.
1. Disconnect negative cable from battery.
2. Place key cylinder in RUN position. Through the hole in the lower shroud, depress lock cylinder retaining tab and remove key cylinder.
3. Remove upper and lower shrouds from steering column.
4. Disconnect electrical connectors from ignition switch.
5. Remove ignition switch mounting screw with a #10 Torx bit.
6. Depress retaining tabs and pull ignition switch from steering column.

INSTALLATION
1. Ensure the ignition switch is in the RUN position and the actuator shaft in the lock housing is in the RUN position.
2. Carefully install the ignition switch. The switch will snap over the retaining tabs. Install mounting screw.
3. Install electrical connectors to ignition switch.
4. Install upper and lower shrouds.
5. Install key cylinder (cylinder retaining tab will depress only in the RUN position).
6. Connect negative cable to battery.
7. Check for proper operation of ignition switch and key-in warning switch.

_____________________________________________________

I hope this helps. Let me know your thoughts or questions.

Take care,
Joe
Apr 15, 2021 at 6:53 PM (Merged)
Avatar
MISTY LIGHT-LEMLEY
  • MEMBER
  • 1 POST
Hey, maybe you can offer some advice. Turned car off, was running fine. Went back to leave turn the key over and nothing. No lights on dash, no clicking, no sound at all. I have replaced starter, battery, and relays, and fuses. I have checked starter solonoid wire, and ground wire to engine block. Have checked everything I can think to check and still nothing. Car has no sercurity system. But does absolutely nothing when key is turned over.
Apr 15, 2021 at 6:55 PM (Merged)
Avatar
CARADIODOC
  • CERTIFIED EXPERT
  • 34,308 POSTS
This is rather common on all car brands. Start by following the smaller battery positive wire to the under-hood fuse box. Check that connection. You may need to shine it up, then be sure the connection is tight. Also follow the smaller negative wire to the body and be sure that connection is tight and not rusty. This guide can help us fix it

https://www.2carpros.com/articles/everything-goes-dead-when-engine-is-cranked

Please run down this guide and report back.
Apr 15, 2021 at 6:55 PM (Merged)
Avatar
BSKT
  • MEMBER
  • 2 POSTS
Ok...where to begin..
The car will not crank. I checked the fuses and the relays; it appears they are all good. I jumped terminal 30 to 87 on the starter relay and the starter engages, There is power to terminal 86 when I engage the ignition to crank. There is no ground at terminal 85. I checked the center post of the neutral safety switch and I have continuity to the transmission case. When I turned the key to the on position and jumped the starter it would crank but would not start. I tried the key dance to pull possible codes; I got nothing and the check engine light does not illuminate when I turn the ignition to the on position. What would you suggest is my next step to diagnose the problem?
Apr 15, 2021 at 6:56 PM (Merged)
Avatar
HMAC300
  • CERTIFIED EXPERT
  • 48,601 POSTS
ok I have adiagram now check fuse 9 under hood then where yellow wires enter should be on when you go to start then brown wire is activated for pcm finally to starter. If you hear clicking at the starter hit the body of starter with a hammer if it starts you need a starter.
Apr 15, 2021 at 6:56 PM (Merged)
Avatar
BSKT
  • MEMBER
  • 2 POSTS
To clarify, it was the starter relay thank you
Apr 15, 2021 at 6:56 PM (Merged)
Avatar
KRHODES11
  • MEMBER
  • 10 POSTS
Started with a no-crank issue. Replaced the starter, no joy. Have twelve volts at starter from battery. Traced signals to starter relay and fuse. Twelve volts so all good there.
Could not communicate with PCM so replaced PCM with used one from salvage yard. Started but idled extremely high on three attempts. After forth attempt back to same issue, no-crank.
Replaced the ignition switch and neutral safety switch out of frustration, still no joy.
Apr 15, 2021 at 6:56 PM (Merged)
Avatar
JACOBANDNICKOLAS
  • CERTIFIED EXPERT
  • 110,175 POSTS
Have you checked if you are getting power to the starter solenoid when the key is in the start position? It is the smaller wire on the starter which only gets power when the key is in the start position. You mentioned there is power to the starter relay, have you tried a new relay?

Also, make sure the grounds are all good to the engine block from the battery. Based on your description, it does sound like a grounding problem.

Here is a how to for checking a relay:

https://www.2carpros.com/articles/how-to-check-an-electrical-relay-and-wiring-control-circuit
Apr 15, 2021 at 6:56 PM (Merged)
Avatar
KRHODES11
  • MEMBER
  • 10 POSTS
Have not yet checked power to the solenoid. Only way for me to get to it is to remove the intake unless you have a better suggestion. Cannot reach form underneath.
Yes, swapped the relay with a known good one. Have checked the grounds and all seem good but will verify again.
Apr 15, 2021 at 6:56 PM (Merged)
Avatar
JACOBANDNICKOLAS
  • CERTIFIED EXPERT
  • 110,175 POSTS
If there is power to the relay, we need to check if it is getting to the starter. If it is not, there is either a wire issue between the two or a ground problem. Do me a favor, check continuity between the battery ground and the engine. While doing that, move the main ground wire around to see if there is any disruption in the connection. Other than that, we need to check power at the solenoid.
Apr 15, 2021 at 6:56 PM (Merged)
Avatar
KRHODES11
  • MEMBER
  • 10 POSTS
Great idea, did not think of that. I am not near the vehicle presently but will run that check tonight. Thanks!
Apr 15, 2021 at 6:56 PM (Merged)
Avatar
KRHODES11
  • MEMBER
  • 10 POSTS
Checked the battery to engine ground while moving cable, checks out okay. Thinking about power to the solenoid. Given that I had the car started after replacing the PCM, seems to me the solenoid power/wire is not the problem? Although I suppose it could have an intermittent failure in the wire.
Apr 15, 2021 at 6:56 PM (Merged)
Avatar
JACOBANDNICKOLAS
  • CERTIFIED EXPERT
  • 110,175 POSTS
Anything is possible. Keep in mind, if there is power to the solenoid (smaller wire) when the key is in the start position, the starter is bad. If there is no power, you will need to trace that wire back to find where the open circuit is. I assume you tried switching the starter relay with a different one with the same part number.
Apr 15, 2021 at 6:56 PM (Merged)
Avatar
KRHODES11
  • MEMBER
  • 10 POSTS
Yes, switched the starter relay with a known good one with same part number.
Will check the solenoid wire tonight. Checked the solenoid wire. No power when in the start position. What role does the PCM play at this point? I just noticed the idle control valve is making a buzzing sound. Can reset it by unplugging the connector and plugging back in. Do not think this could cause a no crank situation?
Double checked all the circuits. Twelve volts at the starter relay pin 30 and 86 when in start position. Have ground at pin 85, so unless the idle control valve can cause a no crank I will have to trace the solenoid wire. Thanks for the help so far.
Apr 15, 2021 at 6:56 PM (Merged)
Avatar
STRAILER
  • CERTIFIED EXPERT
  • 53,855 POSTS
Can I ask if the security light is flashing while you try and crank it over?
Apr 15, 2021 at 6:56 PM (Merged)
Avatar
KRHODES11
  • MEMBER
  • 10 POSTS
This vehicle doesn't have a security system.
Apr 15, 2021 at 6:56 PM (Merged)
Avatar
STRAILER
  • CERTIFIED EXPERT
  • 53,855 POSTS
We are loosing power somewhere here is a guide and a starter wiring diagram so you can test where the power is being lost.

https://www.2carpros.com/articles/how-to-use-a-test-light-circuit-tester

Check out the diagrams (Below)

Please let us know what happens.

Cheers, Ken
Apr 15, 2021 at 6:56 PM (Merged)
Avatar
KRHODES11
  • MEMBER
  • 10 POSTS
Was away for a bit and got back to the vehicle last night so late in replying.
Traced the solenoid wire, no shorts or grounds, and verified continuity...all good.
Went back and checked starter relay circuitry.
12v at pin 30 and 86 when cranking but now no ground at pin 85 from PCM?
Apr 15, 2021 at 6:56 PM (Merged)
Avatar
STRAILER
  • CERTIFIED EXPERT
  • 53,855 POSTS
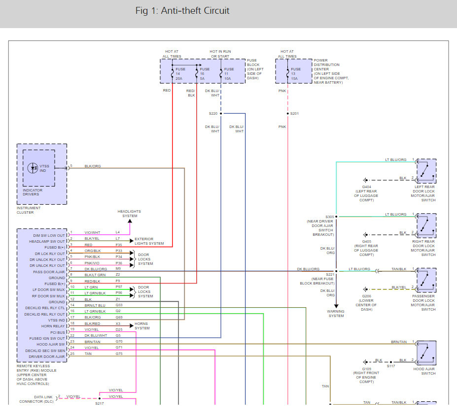
The car does have a security system here is the wiring diagrams for it. I would check fuses #14, 11, 16 and 13.

https://www.2carpros.com/articles/how-to-check-a-car-fuse

Check out the fuse panel diagrams (Below)

Please let us know what you find. We are interested to see what it is.

Cheers, Ken
Apr 15, 2021 at 6:56 PM (Merged)
Avatar
KRHODES11
  • MEMBER
  • 10 POSTS
This particular model does not have a security system.
It was an option in 2001. Has a black key with no chip.
All fuses check out ok in both the under hood power distribution center and the interior fuse box.
Apr 15, 2021 at 6:56 PM (Merged)
Avatar
STRAILER
  • CERTIFIED EXPERT
  • 53,855 POSTS
You cant see the chip of it had one because it is inside the black part. Anyway so no security light comes on.

If you checked the wiring diagrams above then the only thing left is the ignition switch lets test it here is the wiring diagrams. Use the guide from about to see if you power in and out of the switch.

Please let us know what you find. (below)

Cheers, Ken
Apr 15, 2021 at 6:56 PM (Merged)
Avatar
KRHODES11
  • MEMBER
  • 10 POSTS
Thanks, Ken. Appreciate all your help. I replaced the ignition switch and it has good power in and out, and power to pin 86 of the start relay when in the start position. The vehicle had an aftermarket front door remote lock system installed. Beginning to think that might be the problem. I can't find the brand name and the owner doesn't have the paper work so haven't been able to find schematics to troubleshoot. The relay bank is connected to the yellow ignition switch wire, and that circuit appears to be working up to the start relay so don't think disconnecting will yield any positive results? Is it possible it could be preventing the PCM from initiating the ground to engage the start relay coil? This one has been quite the challenge.
Apr 15, 2021 at 6:56 PM (Merged)
Avatar
STRAILER
  • CERTIFIED EXPERT
  • 53,855 POSTS
O ya, take that aftermarket system out those cause so much trouble. Connect the wires the way they were.
Apr 15, 2021 at 6:56 PM (Merged)
Avatar
KRHODES11
  • MEMBER
  • 10 POSTS
All the troubleshooting kept pointing to the pcm. Replaced it with refurb. Vehicle started and running great now. Learned a bunch on this one. Thanks for all your help.
Apr 15, 2021 at 6:56 PM (Merged)
Avatar
STRAILER
  • CERTIFIED EXPERT
  • 53,855 POSTS
Glad you could get it fixed, that kind of problem can be tough. Please use 2CarPros anytime we are here to help

Cheers, Ken
Apr 15, 2021 at 6:56 PM (Merged)
Avatar
STE SCHO
  • MEMBER
  • 1 POST
Car will not start has new battery. It does not make any sounds when trying to start it. Lights do not dim when trying to start it. replaced battery cables and battery still nothing.
Apr 15, 2021 at 6:57 PM (Merged)
Avatar
HMAC300
  • CERTIFIED EXPERT
  • 48,601 POSTS
this may be a security issue as you have disconnected battery by putting new cables on try locking driver door with key then unlock with key then try to start it. I am assuming no fuses are blown under hood. See link if still not starting. scan for codes see if any pop up.

https://www.2carpros.com/articles/how-to-reset-a-security-system

let me know how it goes
Apr 15, 2021 at 6:57 PM (Merged)
Avatar
JAMIEJEDI
  • MEMBER
  • 3 POSTS
worked great then went to start it and engine will not turn over. battery and all connections are good and i replaced the starter. Any ideas????
Apr 15, 2021 at 6:57 PM (Merged)
Avatar
RASMATAZ
  • CERTIFIED EXPERT
  • 75,992 POSTS
This sounds like the starter is having problems or the battery needs to be load tested these guides can help us fix it.

https://www.2carpros.com/articles/starter-not-working-repair

and

https://www.2carpros.com/articles/car-battery-load-test

Please run down these guides and report back.
Apr 15, 2021 at 6:57 PM (Merged)
Avatar
JAMIEJEDI
  • MEMBER
  • 3 POSTS
It does nothing what so ever the key just turns...Have lights and everything else electrical.....I was thinking it may be the crank sensor? Will that cause my symptoms?
Apr 15, 2021 at 6:57 PM (Merged)
Avatar
RASMATAZ
  • CERTIFIED EXPERT
  • 75,992 POSTS
Double check the battery and its connections make sure its charge up/clean/tight then comeback and talk to me. We got a long way to go, to find this culprit or whatever it is we're looking for we'll find it, just pay close attention to me.
Apr 15, 2021 at 6:58 PM (Merged)
Avatar
JAMIEJEDI
  • MEMBER
  • 3 POSTS
Hey thanks, Ended up finding the problem. It was in the key tumbler, a small metal piece that engages to to send the signal to turn over was broke. The only sucky thing was I had to buy the entire steering column due to they don't sell that little part seperate....Always something small...lol
Apr 15, 2021 at 6:58 PM (Merged)
Avatar
RASMATAZ
  • CERTIFIED EXPERT
  • 75,992 POSTS
You're welcome its always a pleasure helping people in need this is the objective of the 2carpros.com

Have a nice and safe holidays-
Apr 15, 2021 at 6:58 PM (Merged)
Avatar
AUSTIN RAY DENNIS
  • MEMBER
  • 1 POST
My car is not wanting to start, but the dash lights and radio is turning on and the fuses are good.
Apr 15, 2021 at 6:58 PM (Merged)
Avatar
JACOBANDNICKOLAS
  • CERTIFIED EXPERT
  • 110,175 POSTS
Hi Austin, and thanks for using 2CarPros.com.


Since I am not completely of the symptoms, here are a few links to look through, They discuss common issues of why an engine will crank but not start and the second link discusses how to check the starter if it does not engage.


https://www.2carpros.com/articles/starter-not-working-repair

Read through them and see if there is anything that helps. Let me know what you find or if you have other questions, feel free to ask.

Take care,
Joe
Apr 15, 2021 at 6:58 PM (Merged)