I only hear sound from my two front tweeter speakers

2007 SATURN OUTLOOK
150,000 MILES
Avatar
DERECKL
  • MEMBER
  • 1 POST
Only my two tweeter speakers in the front work, none of the others work. Does my stereo have a fuse in it and if it does where is it located?
Oct 22, 2016 at 5:59 AM
Advertisement
Avatar
STRAILER
  • CERTIFIED EXPERT
  • 53,855 POSTS
Hello, DERECKL

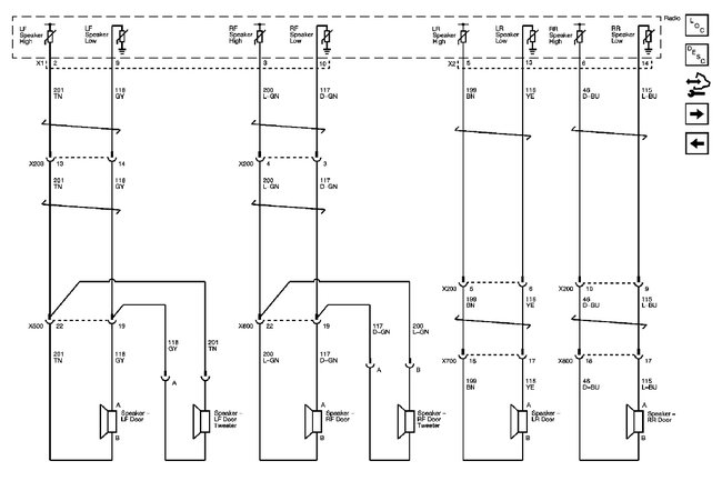
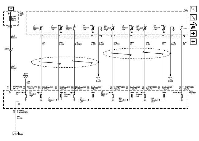
It sounds like the amp may have gone out or you have a 30 amp fuse that is blown, please check it out and get back to me, here is some wiring diagrams to help.

Oct 24, 2016 at 7:54 PM