Hi,
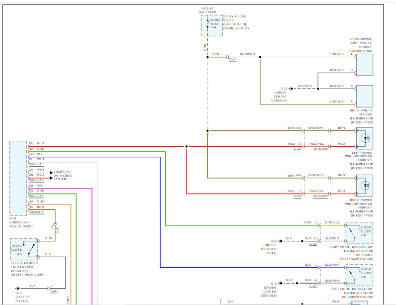
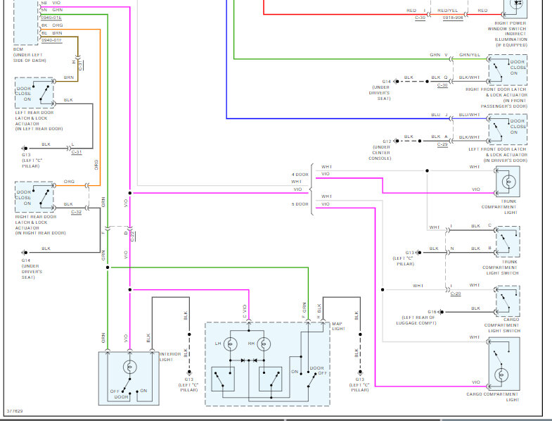
I want to install autodimming mirror.
So, I need a wiring diagram for dome light or sunroof.
Thanks
I want to install autodimming mirror.
So, I need a wiring diagram for dome light or sunroof.
Thanks
Jun 15, 2024 at 6:03 PM


