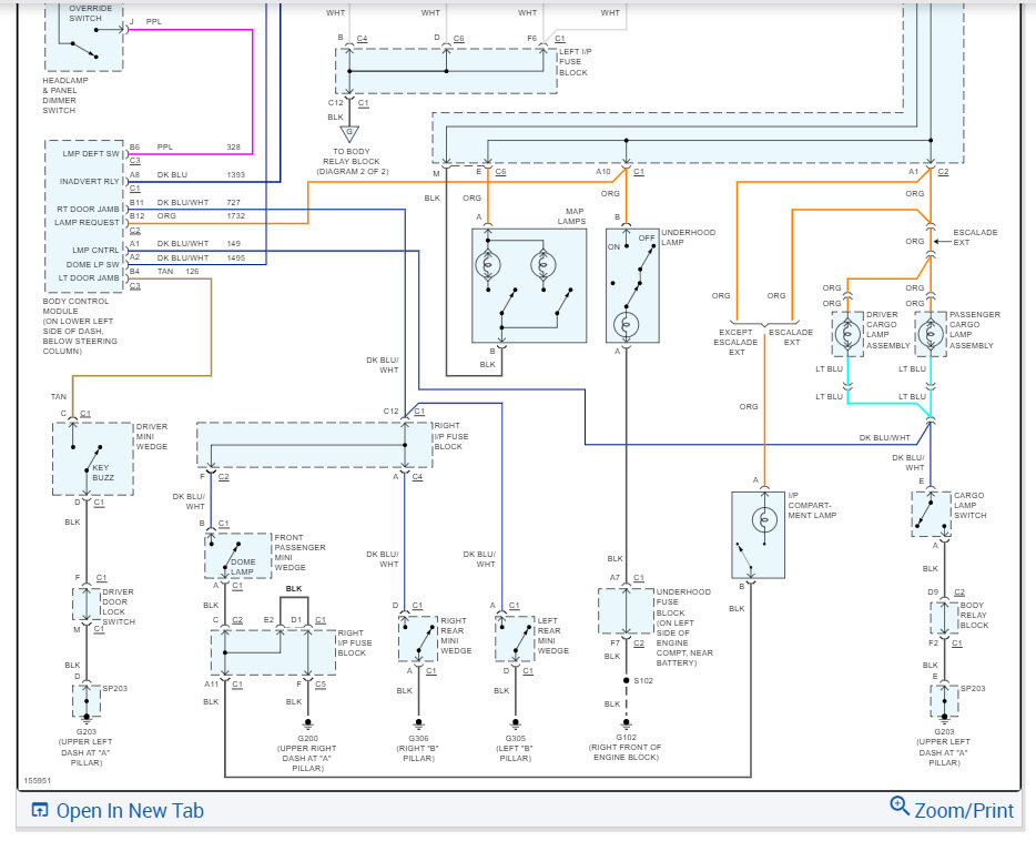
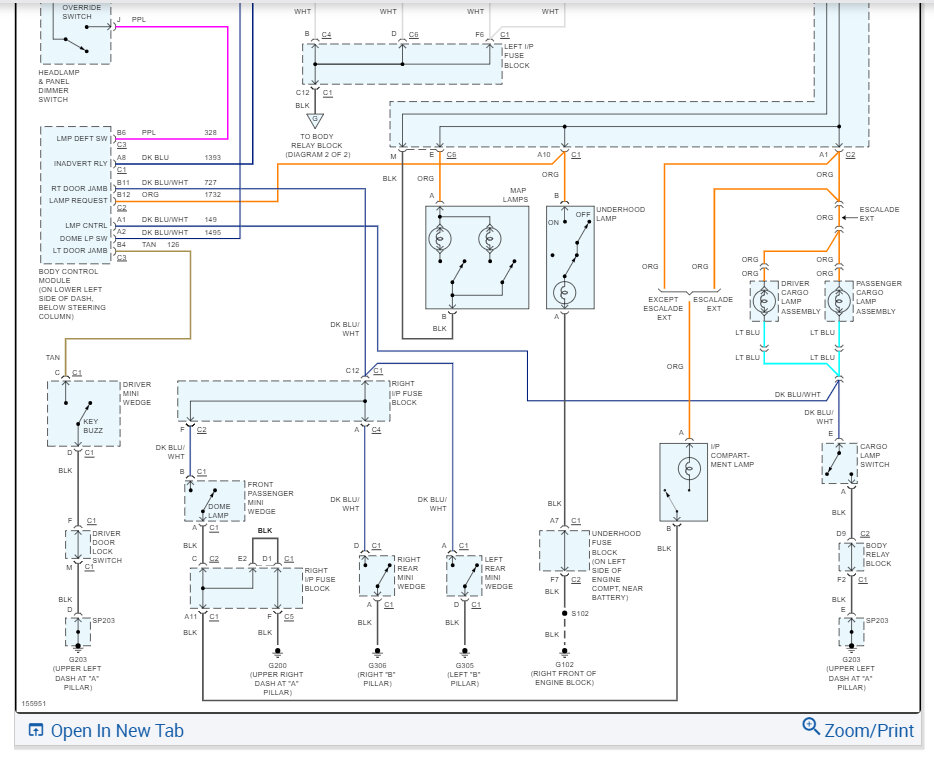
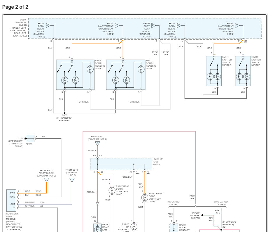
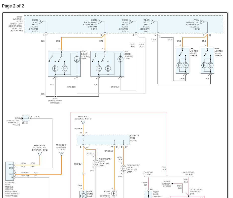
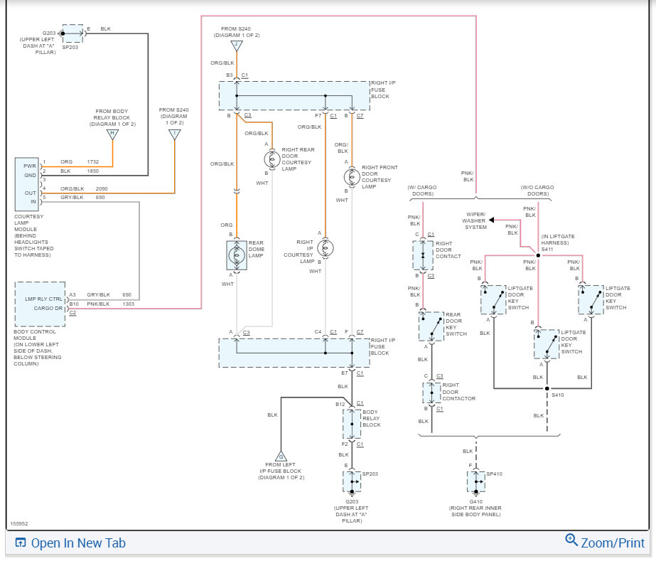
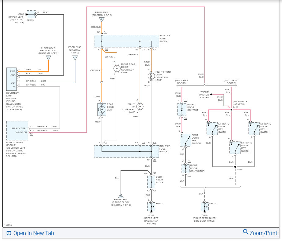
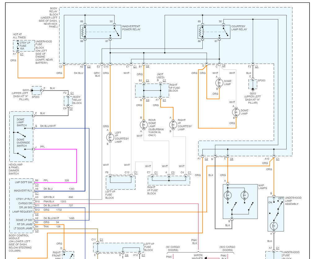
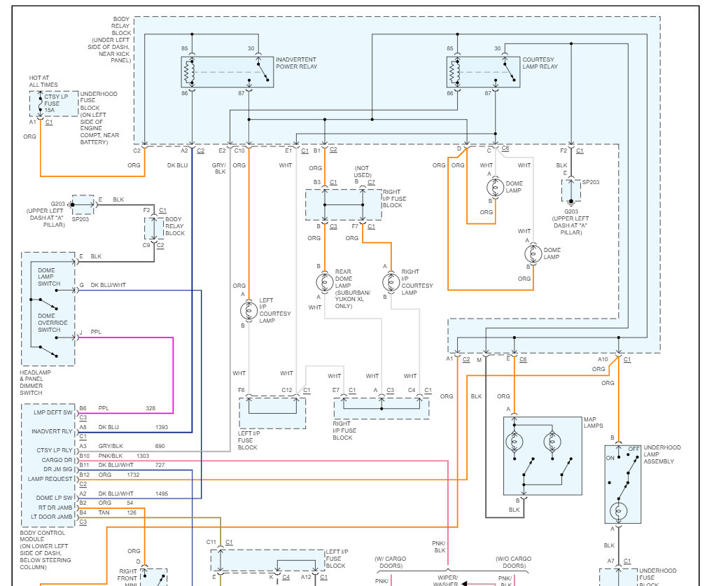
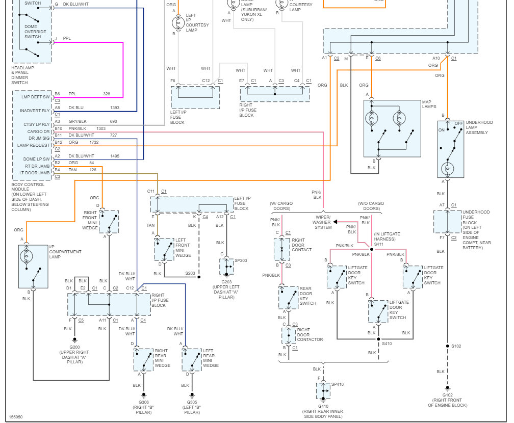
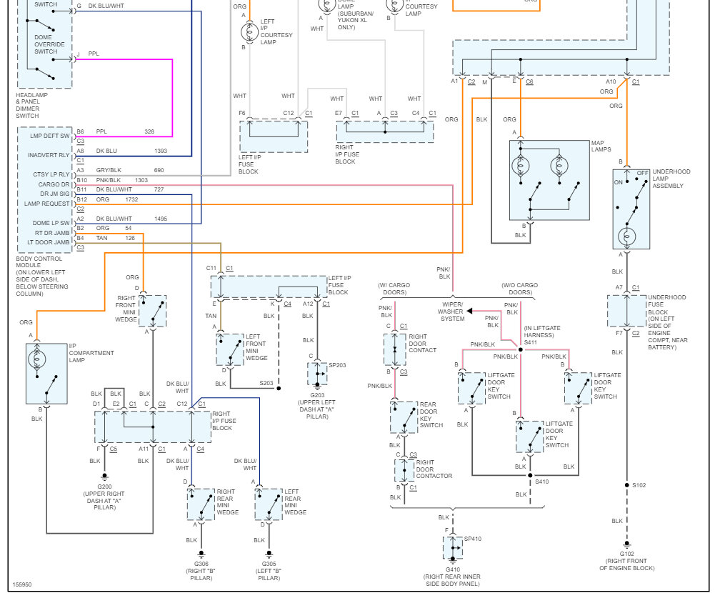
Got in my truck, opened doors and no dome lights came on. Checked the dome override switch and they still didn’t work. I tried pushing the map light buttons and they do not work either. Same issue for Borge front and middle map lights/domes.
Aug 29, 2023 at 2:36 AM








