Does not start

2006 MERCEDES BENZ 280
148,678 MILES • 2.8L • 6 CYL • 2WD • AUTOMATIC
Avatar
SABUESO
  • MEMBER
  • 1 POST
My car doesn't start. no signal from the switch.
Nov 2, 2020 at 6:52 AM
Advertisement
Avatar
JACOBANDNICKOLAS
  • CERTIFIED EXPERT
  • 110,175 POSTS
Hi,

Does the starter engage and it not start or does nothing happen? Does anything electrical work?

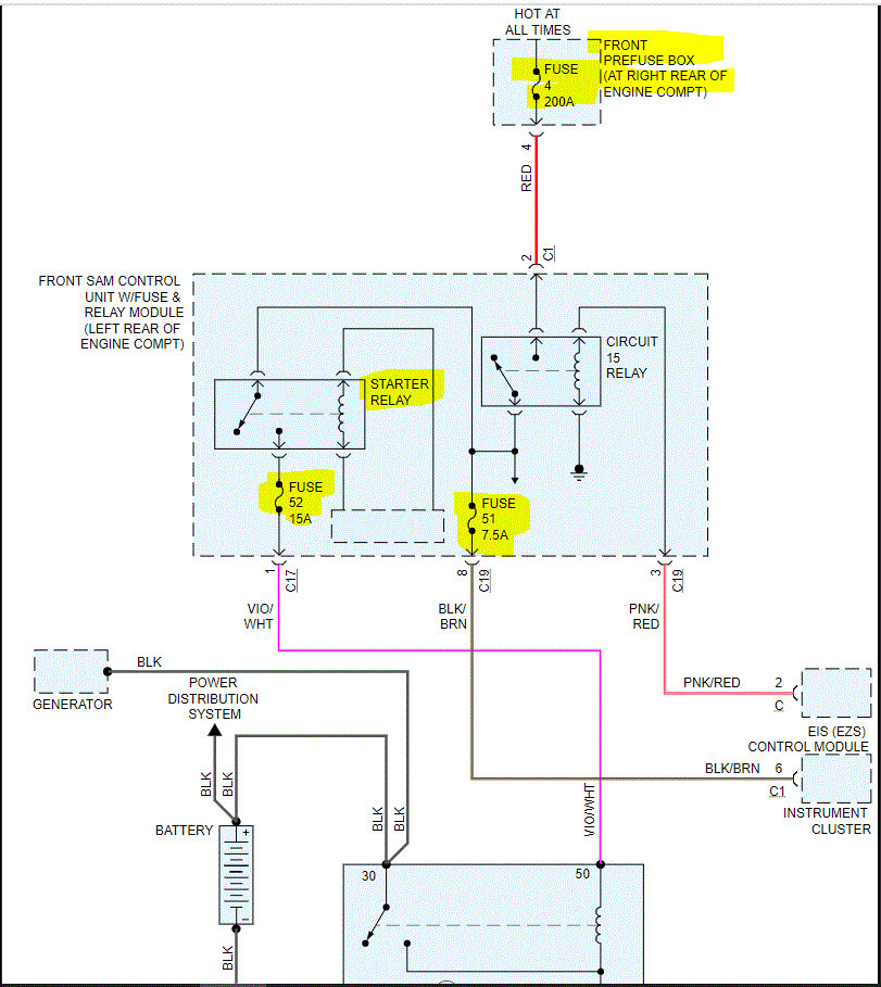
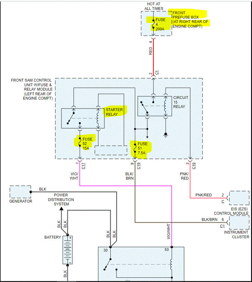
Take a look at the pic below. I need to know if you checked the fuses I highlighted as well as if you checked the starter relay.

Pic 2 shows the fuse location. The fuse / relay box is in the rear driver's side of the engine compartment. In addition to checking the fuse, make sure there is power both in and out from it.

Here is a link you may find helpful:

https://www.2carpros.com/articles/how-to-check-a-car-fuse

Let me know what you find.

Joe
Nov 2, 2020 at 5:36 PM