Door locks not working properly

2003 FORD TAURUS
223,538 MILES • 3.0L • 6 CYL • 2WD • AUTOMATIC
Avatar
DAVID CRYER
  • MEMBER
  • 1 POST
While driving the car doors unlock and lock by themselves.
Feb 7, 2020 at 9:16 AM
Advertisement
Avatar
SCGRANTURISMO
  • CERTIFIED EXPERT
  • 4,897 POSTS
Hello,

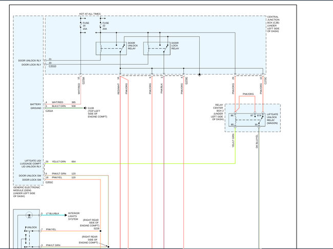
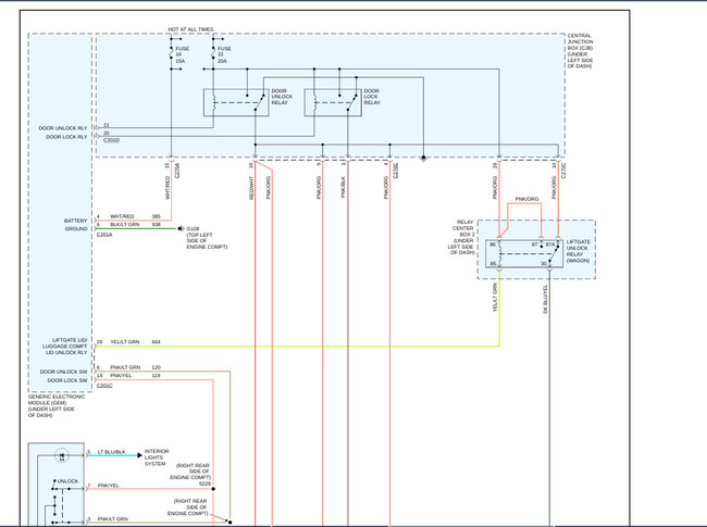
This could be a problem with your vehicle's Generic Electronic Module[GEM]. The GEM is responsible for your power locks along with instrument cluster warning chimes, power windows, courtesy lighting, Daytime Running Lamps[DRL], front washer/wipers, rear heated window, and delayed accessories. In the diagrams down below I have included the instructions for the removal and installation of the GEM, along with the Power Door Lock wiring diagram. Please go through this guide and get back to us with how everything turns out.

Thanks,
Alex
2CarPros
Feb 7, 2020 at 9:35 AM
Avatar
AL514
  • CERTIFIED EXPERT
  • 5,465 POSTS
Just to add a thought. What about a miss adjusted door switch or some other input causing lock/unlock signal.
Feb 7, 2020 at 10:47 AM
Advertisement