Drive shaft?

2008 VOLKSWAGEN TOUAREG
176,000 MILES • 3.6L • V6 • 4WD • AUTOMATIC
Avatar
CHUSTON21
  • MEMBER
  • 2 POSTS
So, last week I was driving down the interstate going 65 and heard a pop. I took it to the auto shop as I felt a thumping when accelerating in my feet. They said it was the bearing on the drive shaft. Which it was bad, and they replaced it. My water pipe (separate issue that we knew was bad so asked them to fix) was being fixed at the same time. They called me later to say when they test drove it, they still felt it wobble and be off. So, they suggested I replace the rear drive shaft completely. The next morning when I called to authorize the work, they told me while they were test driving it again that the side air bags on driver and passenger side blew and hit dude in the face while driving. He then proceeded to tell me my engine at that point threw multiple engine codes from bad engine module to bad circuits to seat belt issues. Now mind you when the car went in, it ran and drove just fine. The engine was strong and just had some fixes. This was only drive shaft issue. I brought the car home thinking I could possibly just have the issues fixed over time to find out now my car won't even run. Lights, ac, blower motor, all the electrical work fine but the engine won't even make a click or tick to act like it wants to start up. Did they cause the issue? Was this electrical? I called Volkswagen and there are no recalls.
Aug 25, 2023 at 4:36 PM
Advertisement
Avatar
JACOBANDNICKOLAS
  • CERTIFIED EXPERT
  • 110,175 POSTS
Hi,

Good Lord!!! Are the airbags deployed? That doesn't make sense. Also, do you have a list of the codes they told you about?

As far as the not crank condition, when you try, do you hear a click or anything from the starter motor?

Let me know. Also, here is a link you may find helpful:

https://www.2carpros.com/articles/starter-not-working-repair

Take care,

Joe
Aug 25, 2023 at 9:23 PM
Avatar
CHUSTON21
  • MEMBER
  • 2 POSTS
Yes, the side air bag curtain deployed supposedly while being test drove in their tiny little parking lot. The brand-new bearing on the rear shaft has already been striped after only driving it that little way too. I have pictures of all the codes on the machine screen. There were 12. None of which were from before. They were all electrical such as a belt tensioner open circuit, head lamp open circuits, side air bags, engine control modules, etc. When I turn the key there is no noise at all except all the electrical coming on.
Aug 26, 2023 at 6:23 AM
Advertisement
Avatar
JACOBANDNICKOLAS
  • CERTIFIED EXPERT
  • 110,175 POSTS
Okay, let's try a few things. First, see if it will start if you place it in neutral. If there is no change, I need you to check if power is getting to the trigger wire on the starter motor.

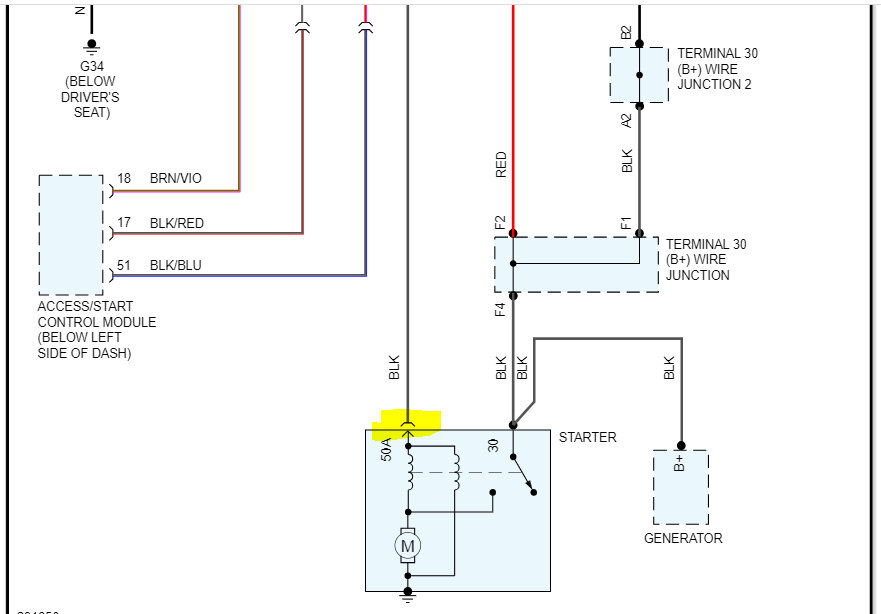
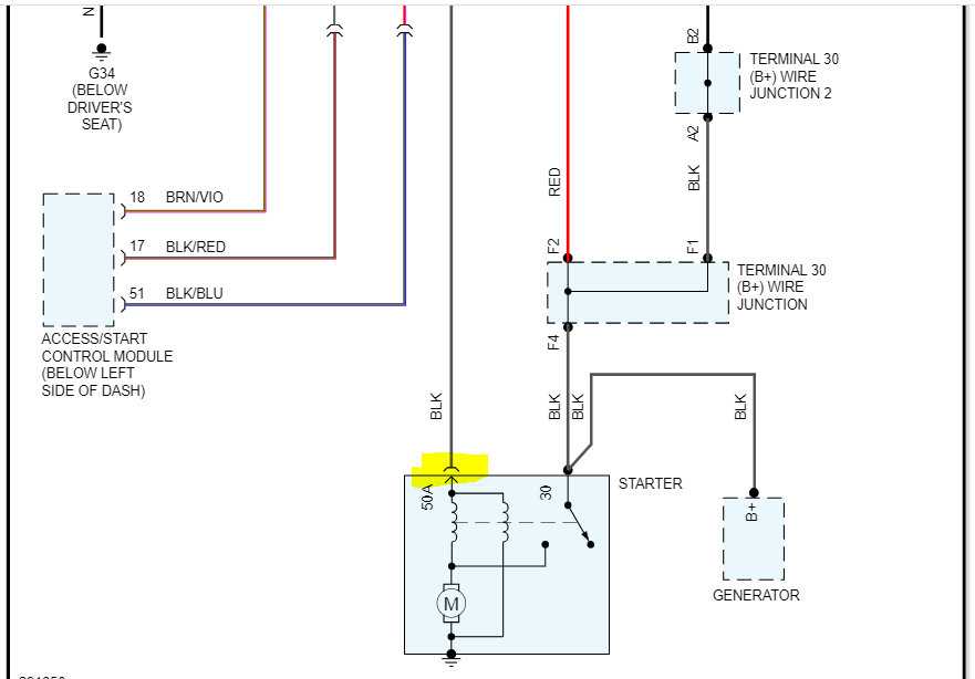
At the starter, there will be three wires. Two of them will go to one terminal and the third will be the one of focus. All are black. One will be a smaller gauge wire than the other. That wire should only have power when the key is in the start position.

Have a helper turn the key to start while you check if there is power present.

Let me know. Also, I attached the wiring schematic below for the starter circuit so that you have a reference.

Let me know what you find,

Take care,

Joe

See pics below. Also, let me know what the 12 codes are. It may help.
Aug 26, 2023 at 9:41 PM