Driver door window switch/heated seat switch do not illuminate

2008 BUICK LUCERNE
120,000 MILES • V6 • 2WD • AUTOMATIC
Avatar
MUNDO9287
  • MEMBER
  • 7 POSTS
Hello,

The switches on my driver side door are functional, they just don't illuminate. I've replaced the window harness, but that didn't fix the problem. Any help is appreciated.

Thanks!
Jan 16, 2021 at 3:11 PM
Advertisement
Avatar
STRAILER
  • CERTIFIED EXPERT
  • 53,855 POSTS
We need to test the STGILLUM #8 fuse in the interior fuse panel. here is a guide to help with the fuse locations below:

https://www.2carpros.com/articles/how-to-check-a-car-fuse

Check out the diagrams (below). Let us know what happens and please upload pictures or videos of the problem.
Jan 17, 2021 at 6:25 PM
Avatar
MUNDO9287
  • MEMBER
  • 7 POSTS
Thank you. I will report back in the morning with video.
Jan 17, 2021 at 6:28 PM
Advertisement
Avatar
MUNDO9287
  • MEMBER
  • 7 POSTS
Hello. I attached a video to explain better.

Thank you again.
Jan 18, 2021 at 10:00 AM
Avatar
STRAILER
  • CERTIFIED EXPERT
  • 53,855 POSTS
thanks for the video. it is suppose to light up on both sides please replace the fuse lets see what happens.
Jan 18, 2021 at 6:31 PM
Avatar
MUNDO9287
  • MEMBER
  • 7 POSTS
I replaced the fuse, no luck...
Jan 19, 2021 at 4:06 PM
Avatar
STRAILER
  • CERTIFIED EXPERT
  • 53,855 POSTS
Okay, it looks like the BCM is going out. to be sure lets do a CAN scan which is the future of automotive repair. you can get a CAN scanner from Amazon for about $50.00. here is a video to show you how:

https://youtu.be/InIlnsjOVFA

Here is how you can replace the BCM. Check out the diagrams (below). Please let us know what happens.
Jan 20, 2021 at 5:05 PM
Avatar
MUNDO9287
  • MEMBER
  • 7 POSTS
Hello, I replaced my BCM and that's didn't fix the issue. What else could it be?
Mar 4, 2021 at 11:23 AM
Avatar
JACOBANDNICKOLAS
  • CERTIFIED EXPERT
  • 110,175 POSTS
Hi,

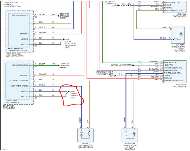
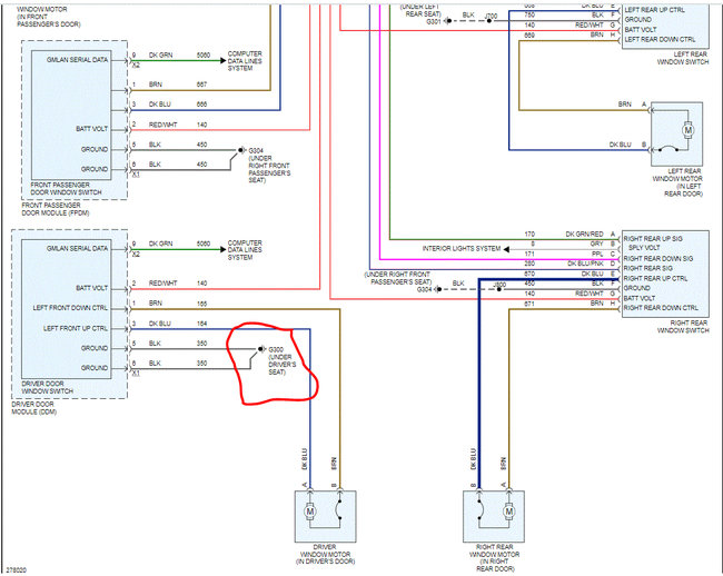
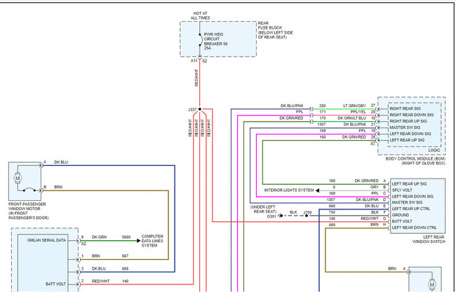
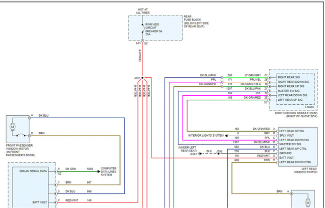
I attached the wiring schematic for the power windows so I could get a good look at the driver's switch. Here is what I want you to try:

First, I need you to check the ground for the door module. If you look at pic 2 below, I circled it and its location. Confirm there is continuity to ground via the two black wires.

Here is a link you may find helpful:

https://www.2carpros.com/articles/how-to-check-wiring

Let me know what you find or if you have other questions.

Take care and God Bless,

Joe

Mar 8, 2021 at 6:57 PM
Avatar
MUNDO9287
  • MEMBER
  • 7 POSTS
Thank you! I will try this tomorrow and report back.
Mar 8, 2021 at 7:07 PM
Avatar
JACOBANDNICKOLAS
  • CERTIFIED EXPERT
  • 110,175 POSTS
You are very welcome. Let me know what you find or if you have other questions.

Take care,
Joe
Mar 9, 2021 at 4:41 PM
Avatar
MUNDO9287
  • MEMBER
  • 7 POSTS
I wasn't able to locate the ground wires unfortunately, too many blocking my view. I will try again tomorrow.
Mar 9, 2021 at 5:28 PM
Avatar
JACOBANDNICKOLAS
  • CERTIFIED EXPERT
  • 110,175 POSTS
Hi,

No problem. Let me know what you find or if you have other questions.

Take care,
Joe
Mar 10, 2021 at 4:33 PM