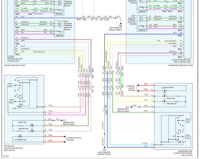
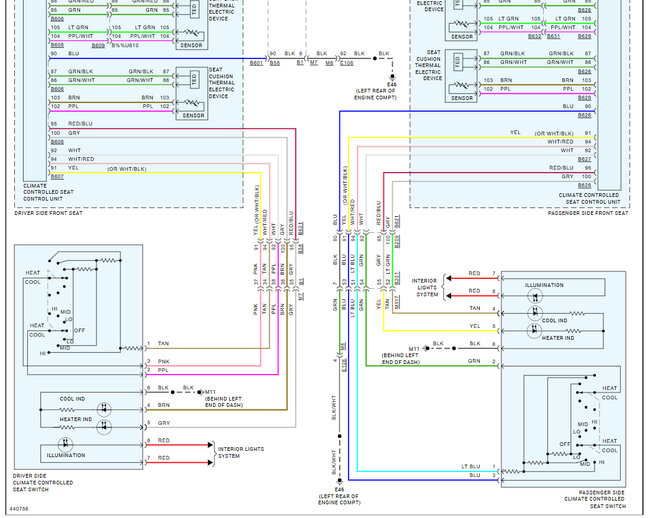
Control knob does not illuminate. The passenger side is working properly.
After a recent 4-hour drive, upon reaching our destination I had the windshield replaced by Safelight. All electrical components on the vehicle were functioning properly when I arrived at my destination, including, in particular, the climate control function of the driver’s side seat.
A safelight technician replaced the front windshield. Upon entering the car a short time later, I found the driver’s side climate control seat would not operate.
I’ve tried to find fuses but have not been successful, yet. What should I do next?
Many thanks, please help!
I have checked all 3 of the related 15amp fuses per your instructions from your reply to another similar situation: all 3 fuses appear to be okay.
And I’ve visually inspected the wiring, harness, coupling, etc., under the driver side seat. Everything appears intact and in good condition.
After a recent 4-hour drive, upon reaching our destination I had the windshield replaced by Safelight. All electrical components on the vehicle were functioning properly when I arrived at my destination, including, in particular, the climate control function of the driver’s side seat.
A safelight technician replaced the front windshield. Upon entering the car a short time later, I found the driver’s side climate control seat would not operate.
I’ve tried to find fuses but have not been successful, yet. What should I do next?
Many thanks, please help!
I have checked all 3 of the related 15amp fuses per your instructions from your reply to another similar situation: all 3 fuses appear to be okay.
And I’ve visually inspected the wiring, harness, coupling, etc., under the driver side seat. Everything appears intact and in good condition.
Feb 18, 2025 at 9:48 AM


