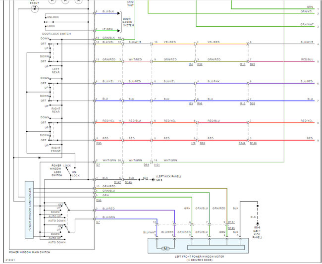
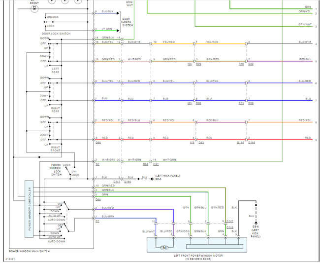
On the driver's side window control switch, all buttons light up except for the driver's side window. I replaced the window regulator and driver's side switch with parts from Subaru, but nothing changed. All windows work except for driver's side. I am thinking it is an electrical issue. I checked fuses and all seemed in good shape. Could you assist me in diagnosing this issue? I have a multimeter, but I'm still learning how to use it. I can take pictures if you need me to.
Thank you for your time.
Melissa
Thank you for your time.
Melissa
Jul 24, 2024 at 4:48 AM







