Driver window will not go up?

2005 FORD TAURUS
138,000 MILES • 3.0L • V6 • 2WD • AUTOMATIC
Avatar
TRACTORSNMORE
  • MEMBER
  • 11 POSTS
My driver's window goes down but won't go up. All the other windows work fine.
Aug 16, 2022 at 11:20 AM
Advertisement
Avatar
JACOBANDNICKOLAS
  • CERTIFIED EXPERT
  • 110,175 POSTS
Hi,

If the other windows work, chances are either the switch is bad, or we have a loose connection. However, my money is on the switch,

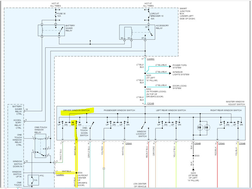
If you look below, I provided a wiring schematic of the power windows. What I need you to do is check for power at the driver's switch. There will be a white wire with a black tracer. That should have power when you put the window up. Check that for me. Here is a link you may find helpful:

https://www.2carpros.com/articles/how-to-check-wiring

You can use a test light or voltmeter to test for power.

If there is power, I need you to check the same color wire at the window motor itself and let me know what is found.

If you look at the wiring schematic, note there is the white/black wire to it and an orange/white wire. When the window is requested down, power goes through the orange/white wire to the motor, and a ground path is supplied via the white/black wire. That makes the motor turn in one direction. When you request it to go up, power is supplied via the white/black wire and a ground path is supplied via the orange/white wire. The power flowing in a different direction causes the motor to spin in the opposite direction. Since down works, I know there is a completed circuit. Since the other windows work, I know the power supply is available. That leaves a bad switch. However, test it first.

Let me know what you find or if you have other questions.

Take care,

Joe

See pics below.
Aug 16, 2022 at 7:32 PM