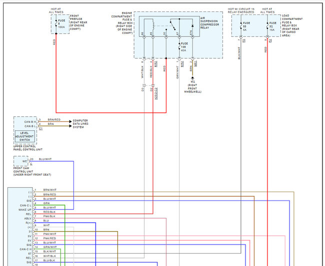
Hello, I am working on a vehicle, the vehicle air spring is not functioning. When the vehicle was scanned, a DTC 5151(refer to service manual) was displayed. I removed the height level sensor, it has three with on the connector, when I probe the wires, the voltage was 1.074V. I think the reference voltage should be 5V, if I am right.
What could have been the cause?
Could I have a circuit diagram for it?
Thank you very much for your support so far.
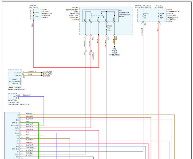
What could have been the cause?
Could I have a circuit diagram for it?
Thank you very much for your support so far.
Nov 27, 2024 at 9:47 PM



