Dtc p0455 and p0457

2010 NISSAN SENTRA
80,000 MILES • 4 CYL • 2WD • AUTOMATIC
Avatar
OAVERY
  • MEMBER
  • 11 POSTS
Check engine light on. These are the codes; p0455 and p0457. What is going on here? Thanks in advance for your help!
OJ
May 14, 2018 at 5:39 AM
Advertisement
Avatar
PATENTED_REPAIR_PRO
  • CERTIFIED EXPERT
  • 1,853 POSTS
P0455 refers to a very large leak (fuel filler cap fell off etc.,) in EVAP system between the fuel tank and EVAP canister purge volume control solenoid valve.
P0457 also relates to a vacuum leak in the evaporative emission system.
It could be just as simple as the gas cap loose.
May 14, 2018 at 9:15 AM
Avatar
STRAILER
  • CERTIFIED EXPERT
  • 53,855 POSTS
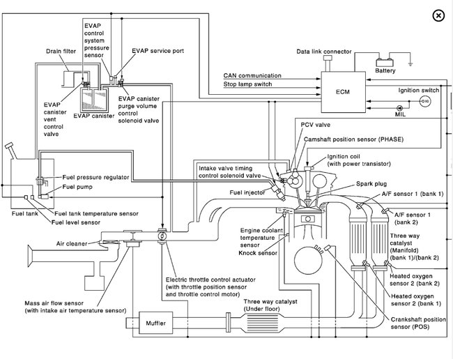
Here is the system lay out so you can start inspecting hoses and checking the EVAP valve. Check the gas cap like PATENTED_REPAIR_PRO suggested and then all hoses, if everything looks good I would suspect the charcoal canister. Check out the diagrams (below). Please let us know what you find. We are interested to see what it is.

Cheers, Ken
May 14, 2018 at 6:12 PM
Advertisement
Avatar
OAVERY
  • MEMBER
  • 11 POSTS
Thanks guys, I replaced the gas cap and cleared the codes. I will let you know how it goes.
May 15, 2018 at 8:41 AM
Avatar
PATENTED_REPAIR_PRO
  • CERTIFIED EXPERT
  • 1,853 POSTS
Hopefully that is all that it was.
May 15, 2018 at 8:44 AM
Avatar
OAVERY
  • MEMBER
  • 11 POSTS
I replaced the fuel cap Monday evening and cleared the codes. She drove it yesterday and the CEL has not come back on yet. I have my reservations about the gas cap actually fixing it. Time will tell.
May 16, 2018 at 3:41 AM
Avatar
STEVE W.
  • CERTIFIED EXPERT
  • 15,113 POSTS
The code criteria for the P0457 on that car basically says the EVAP test saw a large change in the in tank pressure within thirty seconds of the system reading a change in fuel level. The most common cause = bad fuel cap or rusted/damaged filler neck that does not allow the EVAP system to even start to pull a vacuum on the system.

May 18, 2018 at 10:52 PM
Avatar
OAVERY
  • MEMBER
  • 11 POSTS
Thanks for the help. I have an EVAP solenoid coming. I will let you know if it fixes it.
May 19, 2018 at 6:04 AM
Avatar
PATENTED_REPAIR_PRO
  • CERTIFIED EXPERT
  • 1,853 POSTS
I thought it was fixed. If the CEL has not come back on, I would not replace the EVAP solenoid. Maybe hold onto it just encase though. But if the CEL light never comes back on, I would not do anything to it. It might have just been the cap, unless of course it has any other symptom other than that CEL and codes.
May 19, 2018 at 6:10 AM
Avatar
STEVE W.
  • CERTIFIED EXPERT
  • 15,113 POSTS
As PATENTED_REPAIR_PRO says, if the light is off it should be fixed.

If it does come back on then you might want to rig up a way to smoke test the system to find the problem. EVAP leaks can be virtually anywhere, and depending on the code can be anything from a gas cap sized hole down to a leak the size of this - o - those can drive you crazy trying to find.
May 19, 2018 at 8:10 AM
Avatar
OAVERY
  • MEMBER
  • 11 POSTS
Thanks Steve, the more reading I do the more common the solenoid sounds. I hope this fixes it because I would have to pay for someone to smoke it.
May 20, 2018 at 6:21 AM
Avatar
OAVERY
  • MEMBER
  • 11 POSTS
Oh, by the way, the light is back on.
May 20, 2018 at 6:24 AM
Avatar
STRAILER
  • CERTIFIED EXPERT
  • 53,855 POSTS
If you remove the charcoal canister you can plug the outlets and apply a small amount of pressure to see if there are any leaks while you look at the hoses.
May 20, 2018 at 11:55 AM
Avatar
OAVERY
  • MEMBER
  • 11 POSTS
Okay, thanks Ken.
May 21, 2018 at 9:21 AM
Avatar
STRAILER
  • CERTIFIED EXPERT
  • 53,855 POSTS
Please let us know.
May 21, 2018 at 10:04 AM
Avatar
STEVE W.
  • CERTIFIED EXPERT
  • 15,113 POSTS
Okay, which code(s) are showing now? There is also the option of buying a smoke machine, the "paint can" style would work okay for the testing you need to do. Just be sure to follow one simple rule (which really should apply to all smoke machines) keep the air/nitrogen pressure on until the machine is cold and remove the hose from the vehicle while the machine cools off. That prevents fuel vapor from flowing back into the hot wire/glow plug inside and possibly causing a problem.
May 23, 2018 at 12:51 PM
Avatar
OAVERY
  • MEMBER
  • 11 POSTS
The code that came back was P0447. I cleared the code and it came back immediately. So yesterday I got the car back and I removed the solenoid. It felt like it came out funny. Checked the hoses. Blew into the solenoid, it was open like it should be. I reinstalled solenoid and blew back into the hose. I heard it in the tank, then the air came back out. It felt like there was an issue maybe with the o-ring on the solenoid. I cleared the code and went on a ten mile test drive, no light. What is the paint can style smoker? How much are they? Hopefully this is fixed. Thanks so much for all the help, I appreciate it very much.
May 29, 2018 at 4:46 AM
Avatar
STEVE W.
  • CERTIFIED EXPERT
  • 15,113 POSTS
The paint can smoker is a simple coil of nichrome wire wrapped around a wick that is soaked with mineral oil. Others use a GM glow plug as the heat source. Then use a common low pressure BBQ gas regulator to drop the air/nitrogen pressure down to about .75 psi. The entire thing is built using a metal paint can.

In operation they work just like the expensive ones but without all the extras like switches/lights/flow meters (you could easily build those in if you wanted to but for a simple smoke generator they are not needed). Connect to the vehicle battery and wait thirty to forty five seconds for them to create smoke. Connect the hose to the test port or whatever you are testing, hook up the air to "push" the smoke through the system.
Price wise it depends, there are DIY builds all over the internet, plus folks sell them on eBay.

I used one for a while and it did the same job as the "store bought" versions I have now. However 99% of them use the same type of parts inside as the paint can units, just in a nicer case with the lights and switches to make them easier to use.
Price wise it depends on if you build or buy. I had maybe $30.00 in mine.
Look at Brian B on YouTube for more in depth information.

May 29, 2018 at 8:46 AM
Avatar
OAVERY
  • MEMBER
  • 11 POSTS
Thanks Steve. If I continue to have a problem I will probably go that route. It would cost me $100.00 to have it smoked then repairs.
May 29, 2018 at 9:52 AM
Avatar
STEVE W.
  • CERTIFIED EXPERT
  • 15,113 POSTS
They also use similar items around restaurants, theme parks and resorts to create scents by adding different oils to the mix. Nothing like walking around a park around lunch or dinner time and smelling the subtle aroma of burgers or steak cooking, without a single food place in sight, or that popcorn smell at the theater from the popper that is off. Or the prank of putting a few drops of lavender or lilac scent into another "macho" guys smoke machine. Not that I would do such a thing. LOL

For the DIYer who might use a smoke machine a couple times they work. For finding the smoke from a small leak you want a light like a laser pointer or similar not a flood type light. The smaller the leak the harder it can be to find, that is actually where adding a scent can help, your nose can help track it down.

Please keep us in the loop whichever way it works out.

Thank you for using 2CarPros.
May 29, 2018 at 10:45 AM
Avatar
OAVERY
  • MEMBER
  • 11 POSTS
Cel has stayed off, thanks for the help!
Jun 8, 2018 at 4:15 AM
Avatar
STRAILER
  • CERTIFIED EXPERT
  • 53,855 POSTS
STEVE W. Is one of our best!

Use 2CarPros anytime, we are here to help. Please tell a friend.

Cheers, Ken
Jun 8, 2018 at 1:11 PM