my climate control display not working?

1998 PONTIAC GRAND PRIX
154,000 MILES • 3.8L • V6 • 2WD • AUTOMATIC
Avatar
BODYMAN2
  • MEMBER
  • 2 POSTS
my climate control display not working?
Aug 17, 2022 at 1:58 AM
Advertisement
Avatar
STRAILER
  • CERTIFIED EXPERT
  • 53,855 POSTS
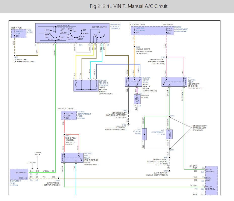
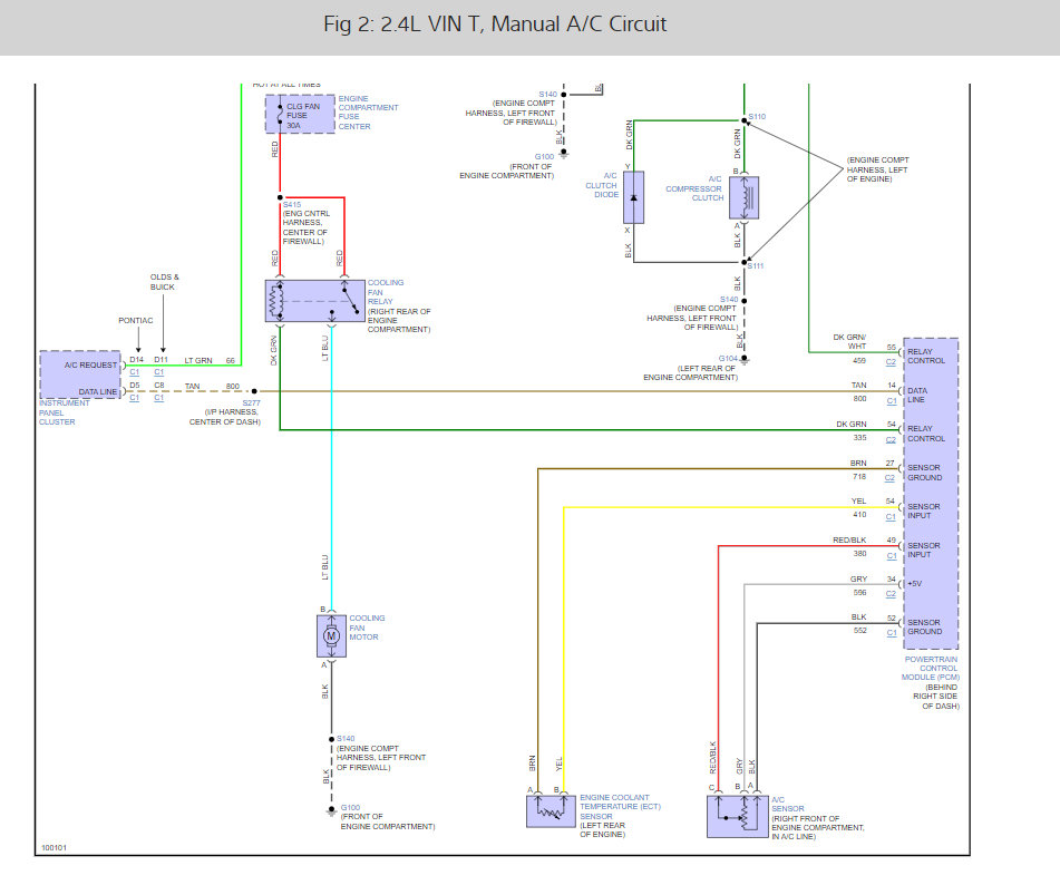
It could be the HVAC controller is out. To be sure let's check the fuses that work the system which are shown in the images below. Also, I included a guide to help check the fuses and the fuse locations as well:

https://www.2carpros.com/articles/how-to-check-a-car-fuse

Here are the HVAC wiring diagrams so you can see how the system works and the fuses. If everything is okay replace the HVAC module. Check out the diagrams (below). Please let us know what you find.
Aug 17, 2022 at 11:54 AM