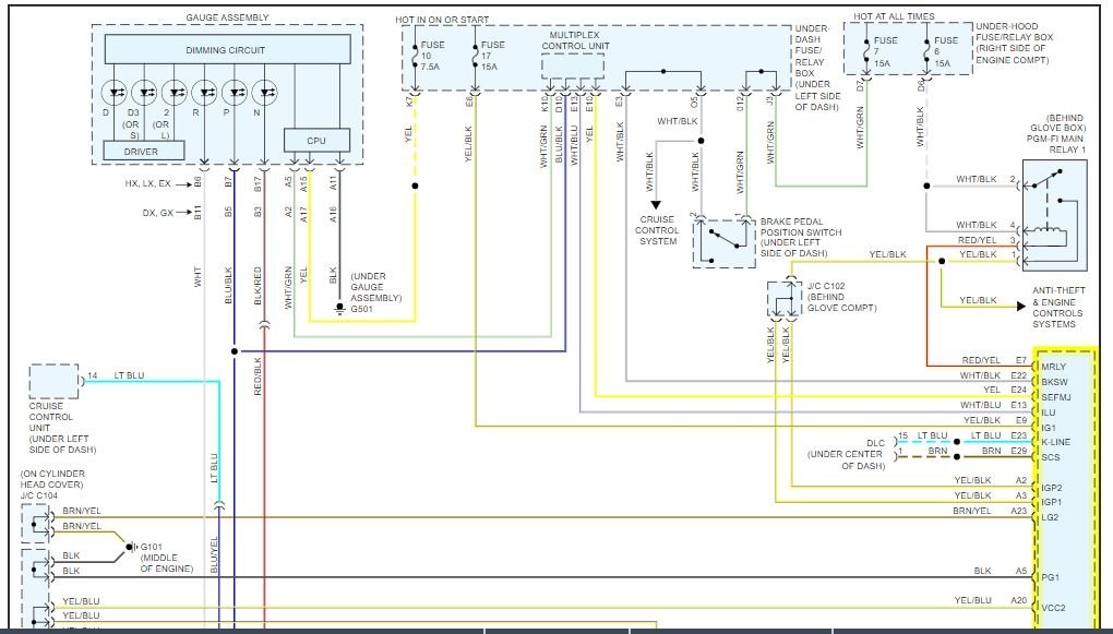
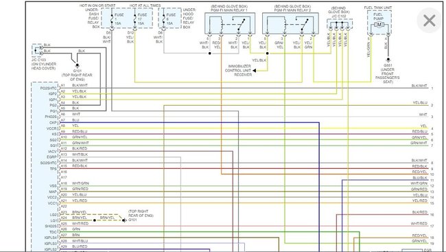
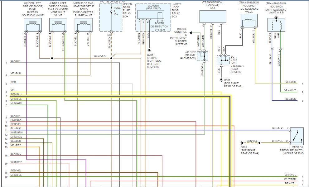
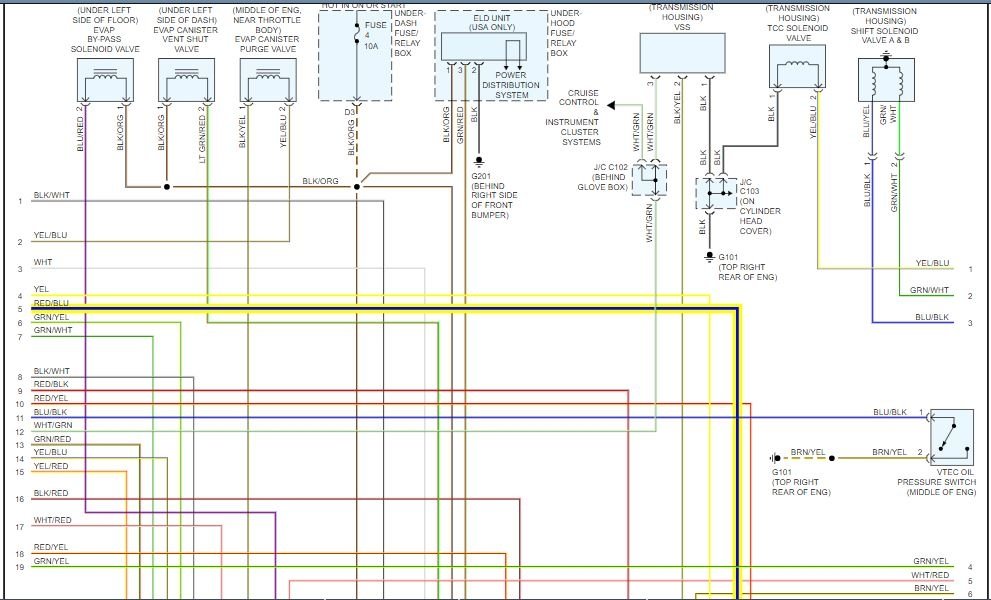
Hey. I'm putting an engine in the car listed above LX model. Originally this car came with the 1.7 d17a1 Non vtec engine with a manual transmission and manual ECU. My old wiring harness is intact but the new engine came setup for an automatic transmission. The new harness has the Neutral safety switch and speed sensor, as well as a multiple pin connector for the auto transmission. Instead of using the old harness i rather use the mint harness. I'm afraid the ECU connector may not have the same pinout as original. Can i use the new harness and not plug in the auto transmission connector (other two trans connectors are the same)? In theory they would just use the unused pins for the auto trans and keep the manual connectors at the same pins right considering both have the other connectors. Unable to find appropriate wiring diagram.
Apr 24, 2020 at 7:02 PM























