Air conditioner not working

2001 MERCEDES BENZ S320
550 MILES • 6 CYL • AUTOMATIC
Avatar
IBRAHIM33
  • MEMBER
  • 1 POST
Hot air and no electric for compressor. A/C compressor has no power going to it
Aug 1, 2019 at 9:33 AM
Advertisement
Avatar
STRAILER
  • CERTIFIED EXPERT
  • 53,855 POSTS
Hello

The first thing we need to do is check to see if the system has a charge we can do that by following this guide

https://youtu.be/uZrQCGwXfek

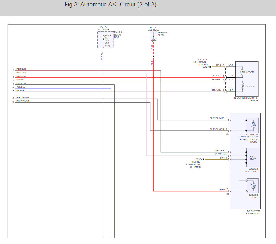
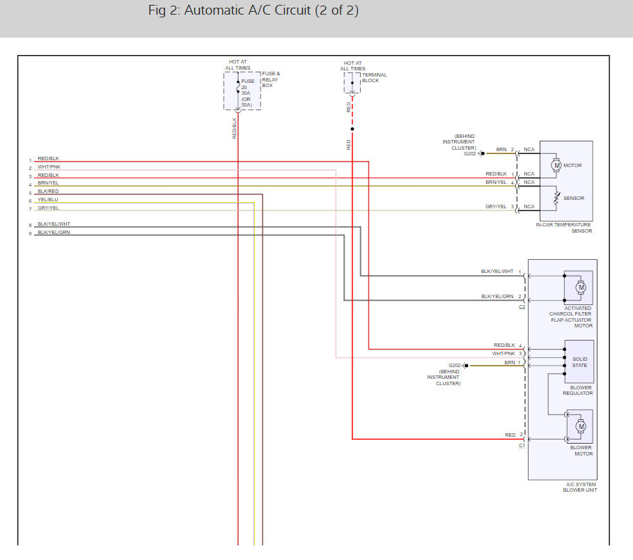
If the charge is okay we need to check the system fuses here is a guide to help with that and the air conditioner wiring diagrams so you can see how the system works and which fuses to check

https://www.2carpros.com/articles/how-to-check-a-car-fuse

Check out the diagrams (Below). Please let us know what you find. We are interested to see what it is.
Aug 2, 2019 at 1:27 PM