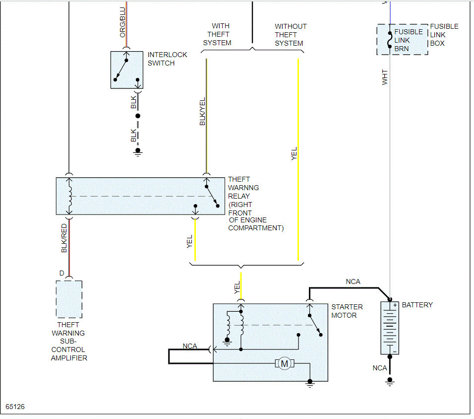
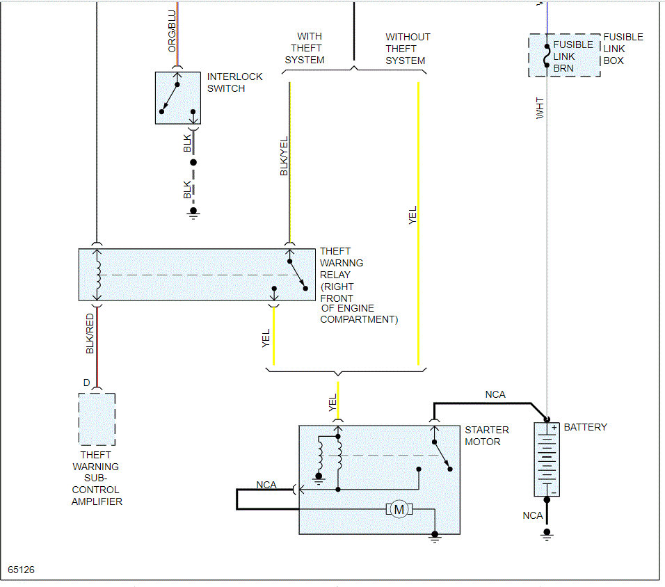
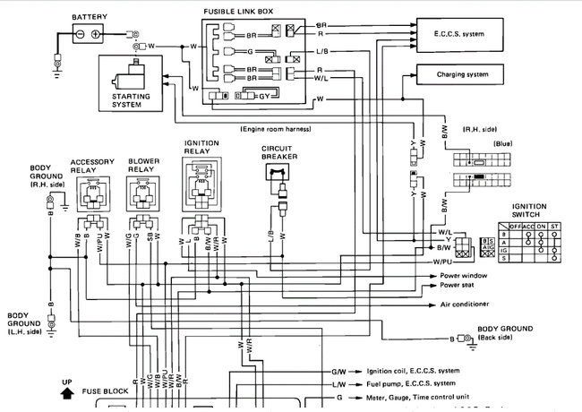
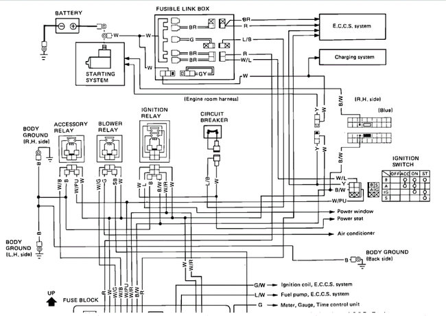
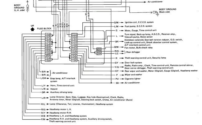
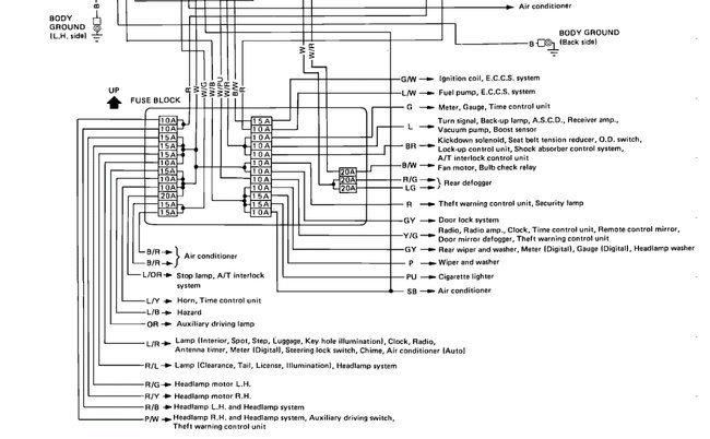
The car was working and running fine, I took the battery out, put it back in now it won't start. The dash lights wont come on when I turn the key. The headlights still work but the radio doesn't come on and no crank no start.
Mar 14, 2021 at 10:02 AM




