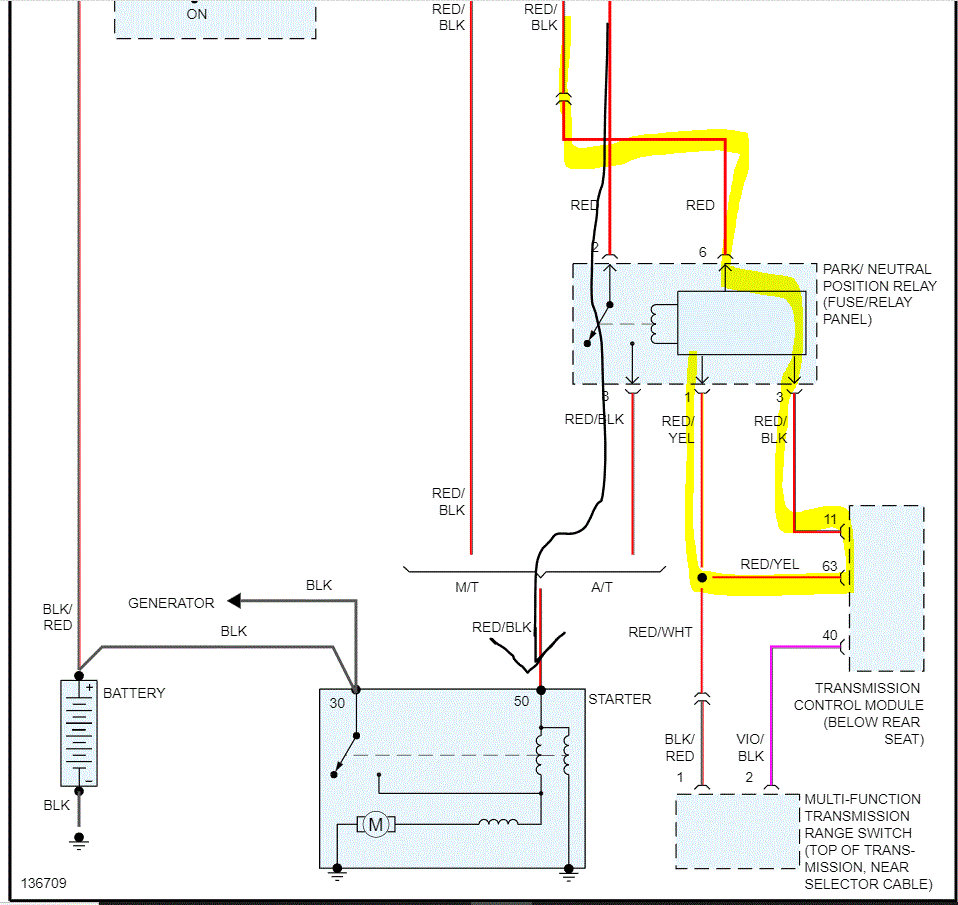
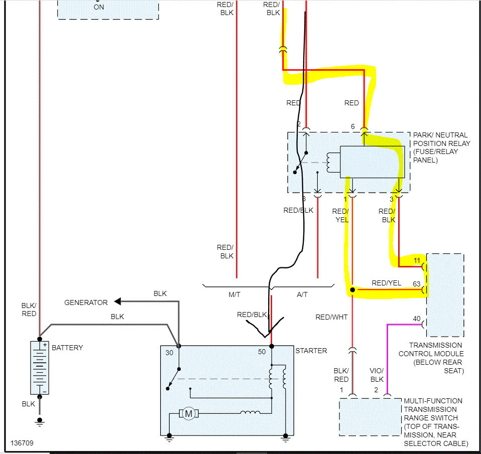
for more than 2 years I've been having alarm issues. alarm will go off for no reason. I've been disconnecting battery every night and connecting in the morning. for a week now, the car will not start. measured battery voltage to be 12.6 volts. heard clicking sound next to headlight switch. i suspect that it is the alarm module. so, i removed the module from the car. will the car work without this module? or do i need to get a replacement module? there was an article online to jumper the starter wiring on the alarm connector. when i removed the connector, noticed that the two wires are not present on the connector.
Nov 14, 2021 at 10:01 PM





