taillights do not work

2004 JEEP GRAND CHEROKEE
200,000 MILES • 4.0L • 6 CYL • 2WD • AUTOMATIC
Avatar
JEREMY TEAKELL
  • MEMBER
  • 5 POSTS
My brake light, the two in taillight assembly do not work. Checked both fuse boxes and they are good. checked bulbs all good. cleaned the bulb assembly connections with small wire brush (with battery still connected) and that got them working. The problem is now since i fixed that the A/C, the coolant fan, and the blinkers quit working. What did i do? I have 6, 10amp fuses not working on inside fuse box. And the fuses are good. How could cooling fan, ac, blinkers all quit at once? And 6 fuses not be getting power at all
Jan 17, 2017 at 3:10 PM
Advertisement
Avatar
HMAC300
  • CERTIFIED EXPERT
  • 48,601 POSTS
because a more main fuse that supplies power to those areas either burnt up or your fuse box has a problem. remove fuses and check for corrosion on them they may not be making contact. see pic also check fuse 15 in pic that supplies another area of truck
Jan 19, 2017 at 1:45 PM
Avatar
JEREMY TEAKELL
  • MEMBER
  • 5 POSTS
I tested all fuses and relays in that fuse box by the battery. Everything has power and is working in that box. Now on the box under the dash i have 6 differet 10 amp fuses not getting any power to them and the vehicle IS running
Jan 20, 2017 at 9:56 AM
Advertisement
Avatar
JEREMY TEAKELL
  • MEMBER
  • 5 POSTS
Remember, blinkers, cooling fan high or low, and ac .......all not working
Jan 20, 2017 at 9:59 AM
Avatar
HMAC300
  • CERTIFIED EXPERT
  • 48,601 POSTS
you may have a bad ignition switch the red wire and blk/org wire supply the fuse 20 for ac and cooling fan so check those wires leading to inside fuse box if no power it may be the switch or loose connection. there is also a re/wht wire that supplies power to another part of fuse box which is giving you problem.s
Jan 20, 2017 at 12:05 PM
Avatar
JEREMY TEAKELL
  • MEMBER
  • 5 POSTS
Just changed ignition switch....that wasnt it. Seen on a foum a guy had my same problem and it was a couple wires wore through and touching.....and they were the wires that go over the top and rear or the transmission and plug into the top of transmission pan. How could those wire have anything to do with what i got goin on??
Jan 23, 2017 at 1:33 PM
Avatar
HMAC300
  • CERTIFIED EXPERT
  • 48,601 POSTS
because it shorts the whole system out if this is a 4.0l also check at rear of head by stud to see if it is doing the same thing there.
Jan 23, 2017 at 3:27 PM
Avatar
JEREMY TEAKELL
  • MEMBER
  • 5 POSTS
All fuses and relays good. I must have wiring or connector problem. I really need my blinkers working first. I wanna run new wires mtself but not 100 percent which wires or what color.....or from where to where they actually go. How should i go about running new wires for these blinkers.
Feb 23, 2017 at 10:25 AM
Avatar
STRAILER
  • CERTIFIED EXPERT
  • 53,855 POSTS
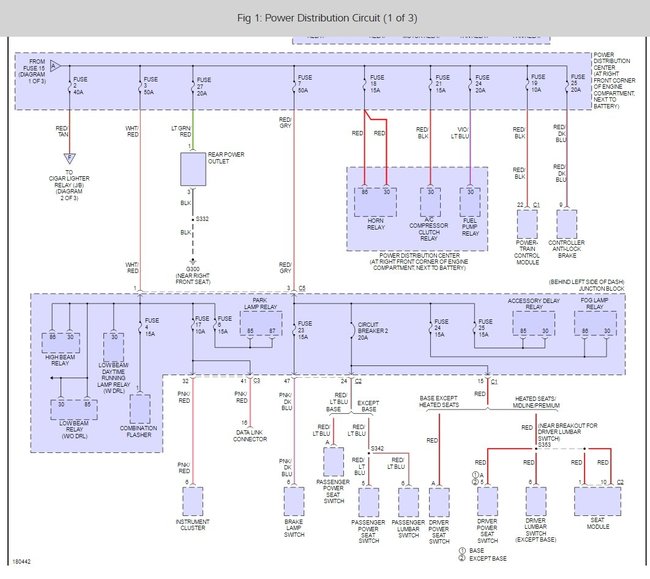
Hey JEREMY,

Here is a power distribution wiring diagram so you can see how the power is routed. Use a test light and do some testing to see where you are loosing it.

Please run some tests and get back to us so we can continue helping you.

Best, Ken

Feb 26, 2017 at 12:02 PM