Climate control my blinkers my brake lights all went out at the same time

1991 CADILLAC FLEETWOOD BROUGHAM
75,000 MILES • 5.7L • 5 CYL • 2WD
Avatar
JAMORCO
  • MEMBER
  • 6 POSTS
It is a headache. any idea on what might cause this issue? I’ve checked the fuse box and the blinker fuse was the only fuse blown. I am stumped!
Nov 18, 2019 at 8:17 PM
Advertisement
Avatar
STRAILER
  • CERTIFIED EXPERT
  • 53,855 POSTS
Hello,

Can you see if you have power at the stop-hazzard fuse? here is a guide to help please test with the key one:

https://www.2carpros.com/articles/how-to-check-a-car-fuse

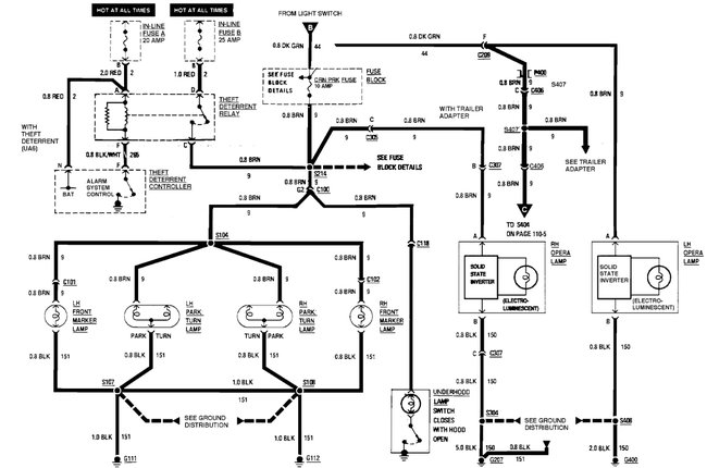
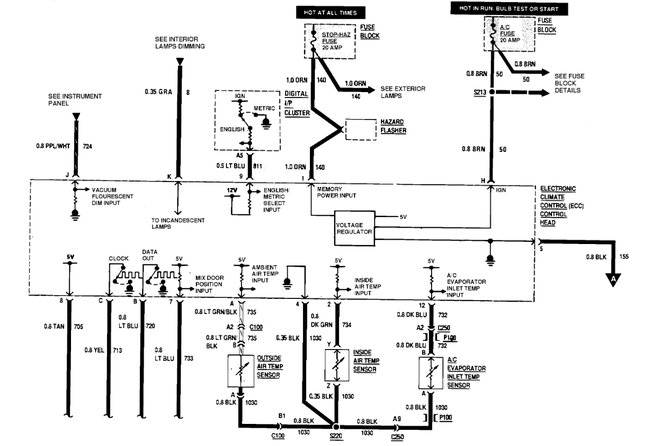
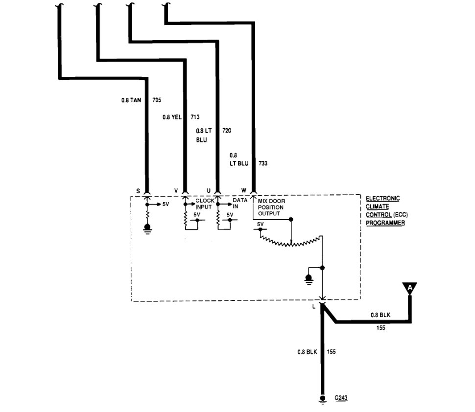
Here is the fuse location ins the diagrams below. Check out the diagrams (below). Please let us know what you find. We are interested to see what it is.
Nov 20, 2019 at 11:21 AM
Avatar
JAMORCO
  • MEMBER
  • 6 POSTS
Yes sir it’s has power I tested it and it lit up green , so next I replaced the fuse and still nothing.
Nov 21, 2019 at 3:18 PM
Advertisement
Avatar
STRAILER
  • CERTIFIED EXPERT
  • 53,855 POSTS
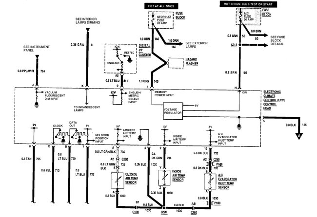
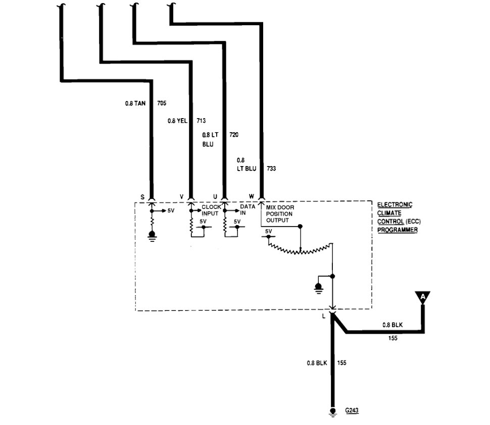
Okay, it sounds like you lost the ground somewhere. here is a guide and the wiring diagrams for the climate control and blinker and brake light systems:

https://www.2carpros.com/articles/how-to-check-wiring

Check out the diagrams (below). Please let us know what happens.
Nov 22, 2019 at 9:41 AM
Avatar
JAMORCO
  • MEMBER
  • 6 POSTS
I take that back I miss understood the light tester , so it’s lighting up green meaning it’s grounded and it’s not getting power any solution for this ???
Nov 29, 2019 at 9:27 PM
Avatar
STRAILER
  • CERTIFIED EXPERT
  • 53,855 POSTS
Where are you not getting power?
Dec 1, 2019 at 1:28 PM
Avatar
JAMORCO
  • MEMBER
  • 6 POSTS
The stop hazard fuse .
Dec 1, 2019 at 2:28 PM
Avatar
STRAILER
  • CERTIFIED EXPERT
  • 53,855 POSTS
Okay that is powered by fusible links down at the starter. can you inspect the links by pulling on them to see if there are still connected please? Let us know.
Dec 2, 2019 at 10:17 AM
Avatar
JAMORCO
  • MEMBER
  • 6 POSTS
So I figured it out it!!!! The guys who installed my motor ran a wire from my alternator to my fuse box, but now it runs like a champ.
Jan 12, 2020 at 1:12 PM
Avatar
STRAILER
  • CERTIFIED EXPERT
  • 53,855 POSTS
Glad you could get it fixed, that kind of problem can be tough. Please use 2CarPros anytime we are here to help.
Jan 13, 2020 at 11:44 AM
Avatar
JAMORCO
  • MEMBER
  • 6 POSTS
My dash is lighting up but no numbers are showing and my temperature control isn’t getting any power so I can’t turn my A/C or heat on!! What do you thinks the cause???
Jan 13, 2020 at 11:50 PM
Avatar
STRAILER
  • CERTIFIED EXPERT
  • 53,855 POSTS
Use the wiring diagrams form above to check for power and ground if okay replace the HVAC controller.
Jan 15, 2020 at 11:01 AM