electrical, tail light instrument panel fuse keeps blowing

1998 CHEVROLET PRIZM
4 CYL • 2WD • AUTOMATIC
Avatar
BSANDUSKY
  • MEMBER
  • 1 POST
My tail lights and dash fuse keeps blowing... I have traced the wires from the lights to the dash found no visible damage. I don't think the dimmer switch is bad because the fuse blows before the switch is active that and all of the other lights controlled by the switch are active. As soon as key is engaged the fuse pops I have no idea where to look under the hood can you point me in the right direction? And also give me an idea of what to look for? Again this is a dual bulb tail and brake. Brake works tail doesn't different fuses can a bad socket cause the fuse to blow?
Feb 13, 2015 at 7:32 PM
Advertisement
Avatar
HMAC300
  • CERTIFIED EXPERT
  • 48,601 POSTS
a bad socket can cause it but there are also lights in the front check those as it's the same circuit. check for a short there especially if recently in an accident.
Feb 14, 2015 at 6:05 AM
Avatar
STRAILER
  • CERTIFIED EXPERT
  • 53,855 POSTS
Yep, HMAC300 is right one of the sockets can melt or the bulbs can melt causing the fuse to blow. Please go over this guide to see what I am talking about.

https://www.2carpros.com/articles/no-tail-lights-exterior-running-lights-tail-lights-out

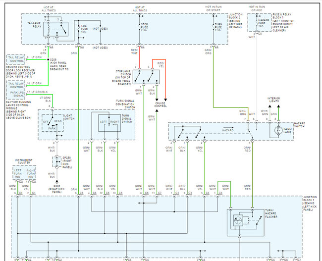
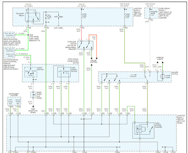
Here is the wiring diagrams for the running light system so you can see how it works. Check out the images (below). Please let us know what happens.


Jun 28, 2024 at 12:17 PM
Advertisement