Electrical wiring diagram for front bumper, GM radar sensors?

2016 CADILLAC ESCALADE ESV
50,000 MILES • 6.2L • V8 • 4WD • AUTOMATIC
Avatar
PAWEL_N
  • MEMBER
  • 178 POSTS
Hello,

I have a problem with front GM radar sensors. There is PCM error and parktronic do not working. This car is after car accident, the front bumper was damaged. I bought some new parts and replaced. I bought new wiring and two identical front GM radar sensors number 84112235. I marked left one on the picture. There is PCM error - left side. My question - Are the left and right sensors the same? Or is the left sensor different than right one? What parts number are these sensors? Why is there only left sensor error?
I am waiting for your reply.
Have a nice day,
Pawel
Oct 6, 2023 at 1:43 AM
Advertisement
Avatar
STRAILER
  • CERTIFIED EXPERT
  • 53,855 POSTS
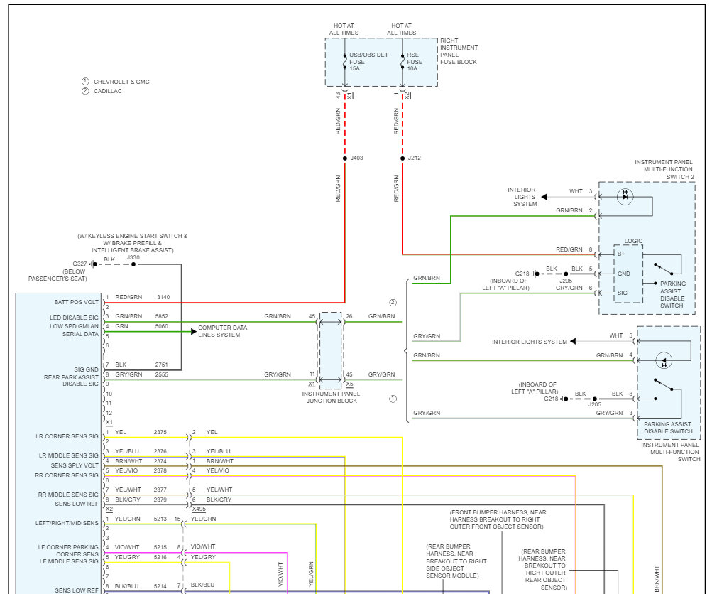
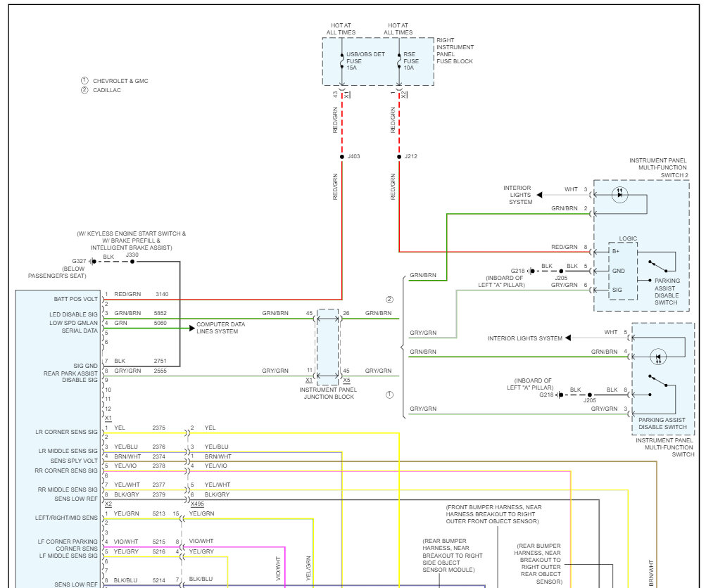
Yes, there are two object sensors for each position, 2 right front 2 left front, 2 right rear and 2 left rear. Here is the parking assistant wiring diagrams as requested, you can see the color wiring that go to the correct sensor for clarification.
Oct 6, 2023 at 10:08 AM
Avatar
PAWEL_N
  • MEMBER
  • 178 POSTS
Thank you for your reply. Could you please tell me if radar sensor number 84112235 is it the same part as object sensor? There are 2 pcs of radar sensor front only. And there are 4 pcs of other sensors. I think that it is not the same sensors.
Oct 6, 2023 at 11:32 PM
Advertisement
Avatar
STRAILER
  • CERTIFIED EXPERT
  • 53,855 POSTS
Here is the part number for the Forward Collision Alert Sensor - 84208369 - $26.11
Oct 7, 2023 at 8:09 AM
Avatar
PAWEL_N
  • MEMBER
  • 178 POSTS
The Forward Collision Alert Sensor was the problem, it was faulty. After replacing the radar sensor started working.
Thank you Ken :-)
Oct 11, 2023 at 11:56 AM
Avatar
STRAILER
  • CERTIFIED EXPERT
  • 53,855 POSTS
You are welcome, please use 2CarPros anytime we are here to help.
Oct 12, 2023 at 10:07 AM