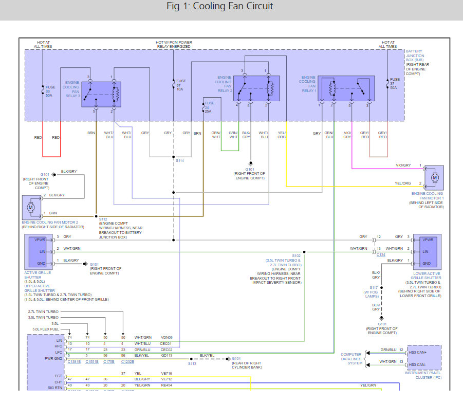
It started with my engine fan running on high whenever I put either the heat or A/C on will not shut off until either was turned off. Also, the A/C would randomly be cold or blow warm air. I recently flushed the radiator both because it was due and hopeful that might solve the problem…it didn’t! I checked the refrigerant and it read within the limits.
Since then, the fan still runs on high and now I’m getting a whining noise. I have yet to get a check engine light and the truck isn’t overheating. My buddy came over with his code scanner and it came up with a P0238 code.
I’m really at wits end with this. I just paid the truck off and now things seem to be breaking. Any help/advice would be greatly appreciated.
Since then, the fan still runs on high and now I’m getting a whining noise. I have yet to get a check engine light and the truck isn’t overheating. My buddy came over with his code scanner and it came up with a P0238 code.
I’m really at wits end with this. I just paid the truck off and now things seem to be breaking. Any help/advice would be greatly appreciated.
Feb 25, 2023 at 1:45 AM



