Engine fans not working properly

1995 OLDSMOBILE 88
164,000 MILES • 3.8L • 6 CYL • 2WD • AUTOMATIC
Avatar
AHARTLEY
  • MEMBER
  • 118 POSTS
The engine fans come on when I turn the key on whether the car is hot or cold. They go off when I turn the car off.
What is this?
Question 2 (optional) where can I find a decent instruction manual to work on this car?
Nov 4, 2020 at 11:18 AM
Advertisement
Avatar
ASEMASTER6371
  • CERTIFIED EXPERT
  • 52,796 POSTS
Good afternoon,

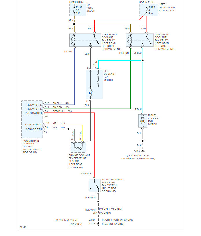
I attached a wiring diagram for you along with the location of the 2 relays that control the fan.

Can you see if the relays click when someone turns on the key? It may be a bad relay or it may be a failed ECM.

https://www.2carpros.com/articles/how-to-check-wiring

https://www.2carpros.com/articles/how-to-check-an-electrical-relay-and-wiring-control-circuit

Roy
Nov 4, 2020 at 11:38 AM
Avatar
AHARTLEY
  • MEMBER
  • 118 POSTS
I have no one to turn the key.
Nov 6, 2020 at 12:01 PM
Advertisement
Avatar
ASEMASTER6371
  • CERTIFIED EXPERT
  • 52,796 POSTS
Okay, after you turn the key on, to the relays. Remove the relay and re install and see if the relay clicks.


Roy
Nov 6, 2020 at 12:11 PM
Avatar
AHARTLEY
  • MEMBER
  • 118 POSTS
I've done that. :-) The relays for both the high and low clicked.
Nov 7, 2020 at 3:01 PM
Avatar
ASEMASTER6371
  • CERTIFIED EXPERT
  • 52,796 POSTS
Okay, when you remove the relay, does the fan shut off?

Roy
Nov 7, 2020 at 3:09 PM
Avatar
AHARTLEY
  • MEMBER
  • 118 POSTS
I'll have to check tomorrow. Thank you. :-)
Nov 7, 2020 at 6:28 PM
Avatar
ASEMASTER6371
  • CERTIFIED EXPERT
  • 52,796 POSTS
You are welcome.

Always glad to help.

Roy
Nov 7, 2020 at 6:31 PM
Avatar
AHARTLEY
  • MEMBER
  • 118 POSTS
It's a bit past tomorrow, however I pulled the "low" relay and nothing happened, I pulled the high and it kicked down to low.
Nov 13, 2020 at 3:09 PM
Avatar
ASEMASTER6371
  • CERTIFIED EXPERT
  • 52,796 POSTS
Did both fans go to low or just one?

Roy
Nov 13, 2020 at 3:30 PM
Avatar
AHARTLEY
  • MEMBER
  • 118 POSTS
I no longer hear the high speed sound but they did not both quit running.
Nov 13, 2020 at 8:31 PM
Avatar
AHARTLEY
  • MEMBER
  • 118 POSTS
Actually neither quit running, the sound went down though.
Nov 13, 2020 at 8:32 PM
Avatar
ASEMASTER6371
  • CERTIFIED EXPERT
  • 52,796 POSTS
Okay, based on all these checks, the ECM seems to be the issue. It is constantly grounding the relays to work 100% of the time.

I attached the procedure for you to view. It is under the right side of the dash for access.

Roy

REMOVE OR DISCONNECT

Disable Supplemental Inflatable Restraint (SIR) system.

1. Powertrain Control Module (PCM) connectors.
2. PCM.

Pull bottom of PCM rearward over locking tabs and downward to remove.

INSTALL OR CONNECT
1. PCM into bracket, making sure PCM is up over locking tabs and locks into place.

2. PCM connectors.

Enable SIR system.
Nov 14, 2020 at 4:05 AM
Avatar
AHARTLEY
  • MEMBER
  • 118 POSTS
Thank you very much. :-)
Nov 14, 2020 at 12:48 PM
Avatar
ASEMASTER6371
  • CERTIFIED EXPERT
  • 52,796 POSTS
You are welcome.

Always glad to help.

Roy
Nov 14, 2020 at 1:44 PM