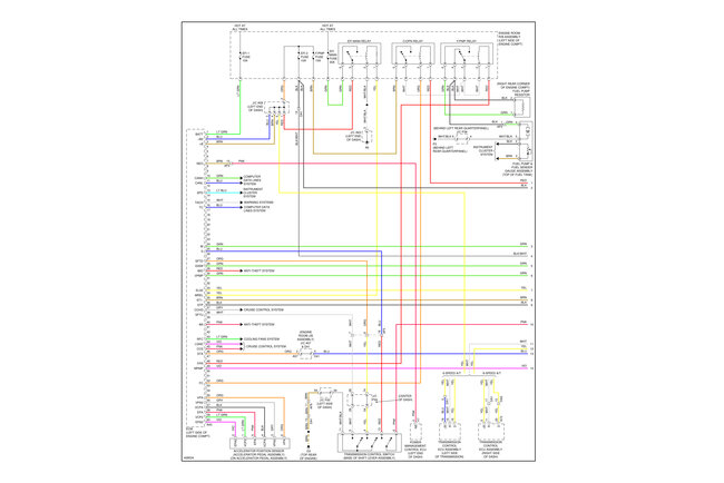
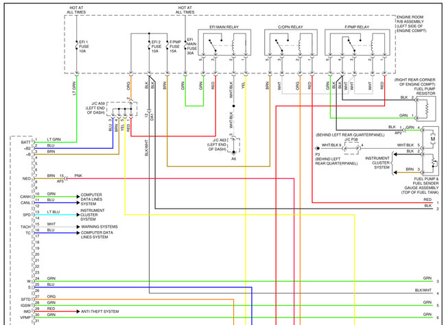
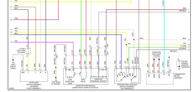
The engine is hesitating when accelerating, I have scanned the vehicle but there are no fault codes on the Engine. I have checked the spark plugs and the fuel injectors, fuel pump and they are in good condition.
Please could I get the engine performance wire diagram.
Thank you
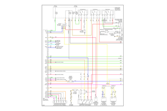
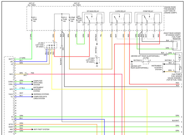
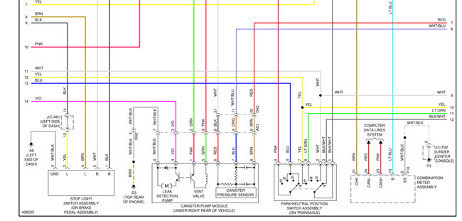
Please could I get the engine performance wire diagram.
Thank you
Oct 5, 2023 at 12:34 AM












