When using the key the engine doesn't start

2005 MITSUBISHI LANCER
8 MILES
Avatar
HADHI
  • MEMBER
  • 1 POST
When using the key the engine doesn't start. When the electric wire is directly given to the starter engine runs perfectly and there is a ticking sound when twisting the key. Battery is good engine is good. Why is it happening
Sep 15, 2020 at 7:05 AM
Advertisement
Avatar
STEVE W.
  • CERTIFIED EXPERT
  • 15,113 POSTS
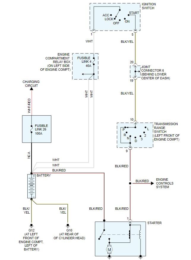
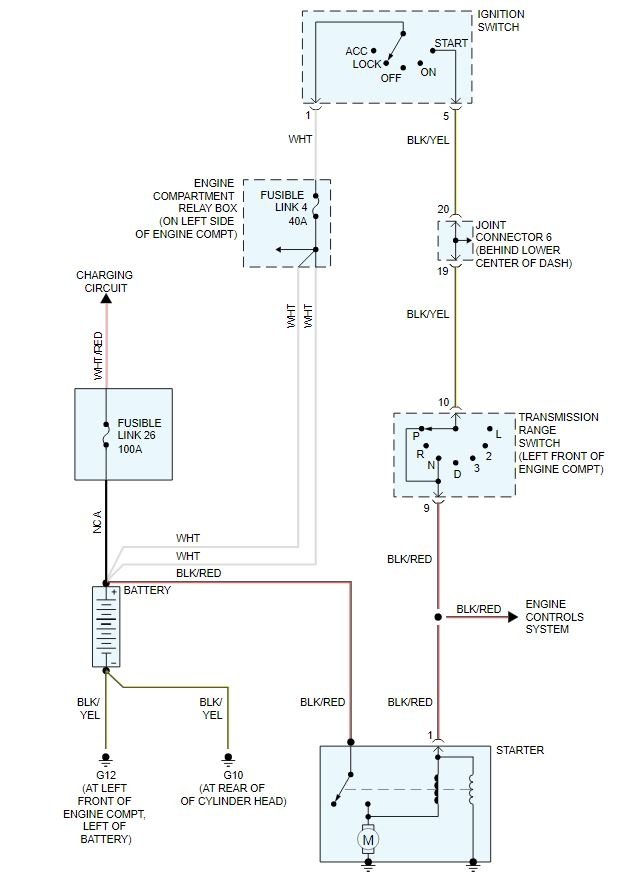
As you hear a tick when turning the key it is likely a bad starter relay or connection to the starter solenoid. It doesn't take much corrosion or a poor connection to drop the battery current enough to keep the starter from engaging. I attached the wiring diagrams for both the automatic and the manual starting circuits below. As jumping power straight to the starter makes it work it isn't likely to be the starter itself. That leaves the relay or clutch switch on the manual or the transmission range switch on the automatic as possible causes. The test the clutch switch, simply unplug it and bypass the switch. If it now starts, you found it. For the relay, it can be jumped out in similar fashion right in the relay socket, by using a jumper between pins 2 and 5. On the automatic you can try seeing if moving the shifter to neutral makes any difference, sometimes the primary contacts in park get worn while the neutral ones are fine. If it starts okay in neutral then the range switch on the transmission is the issue. If none of these work on either transmission then you will need to go to the ignition switch and see if you have battery voltage at pin 5 (Black wire with yellow stripe) when the key is turned to the start position. If you have that then the voltage is being dropped in the wiring and you will need to test at the various switches and relays to determine where.
Apr 20, 2021 at 11:49 AM