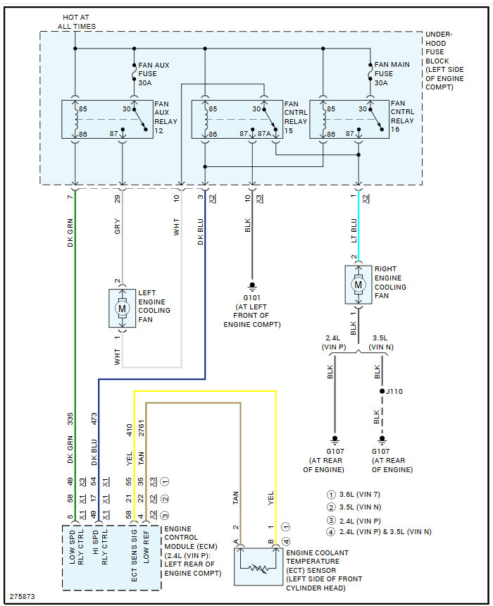
I checked cooling fan with Battery 12v ok, checked temperature sensor with Multimeter reading 2000 ohms cold and around 500 ohms hot assume this is okay. Would my problem be my thermostat?
Apr 20, 2025 at 11:36 AM

