Engine power reduced - Limp mode?

2013 CHEVROLET MALIBU
117,000 MILES • 2.5L • 2WD • AUTOMATIC
Avatar
JBLAIR09
  • MEMBER
  • 1 POST
The reduced engine power keeps coming on every time I start my car. I can drive the car fine but after driving it for so long the code pops up again. Every once in a while the A/C turned off due to high engine temp will come on as well, and I can’t use my air conditioner because of it.. I drive my car for while, shut it off and the fans are still running for about 5-10 minutes after I shut the car off, and is now causing my battery to drain because they run every time I shut my car off.
Oct 6, 2019 at 6:12 PM
Advertisement
Avatar
KASEKENNY
  • CERTIFIED EXPERT
  • 18,907 POSTS
Hi,

You vehicle is overheating slowly. The AC shutting off and reduced engine power are all strategies to keep the engine from overheating to the point of failing and needing an engine. The fans continuing to run when you shut it off is also a way to cool the engine quickly so that it doesn't get damaged.

We need to check the coolant level first and foremost and then start looking for the reason of it overheating.

Here is a guide that will get us started. Let me know what you find and we can go from there. Thanks

https://www.2carpros.com/articles/symptoms-of-an-overheating-engine
Oct 7, 2019 at 6:29 PM
Avatar
AJWURR
  • MEMBER
  • 1 POST
I got off the highway and my Traction Service light came on, my check engine light came on, and words popped up that said reduced engine power. My car was not moving fast at all. After I came to a stop sign and drove off, the traction service light and the reduced engine power stopped. Now the only light left on was the check engine light. I have read a few things online and people said that it could be electrical or a bad sensor. My one mechanic told me I should be fine to drive my car home from work (15 minutes of stop and go traffic) but he said that if the check engine light starts blinking to pull over right away.
Feb 12, 2021 at 1:26 PM (Merged)
Advertisement
Avatar
DAVE H
  • CERTIFIED EXPERT
  • 13,384 POSTS
Yes this happens when the throttle bore becomes dirty after miles of usage. Here is a guide that will help you fix the limp mode problem.

https://www.2carpros.com/articles/reduced-power-limp-mode

Please run down this guide and report back.
Feb 12, 2021 at 1:26 PM (Merged)
Avatar
PDT1973
  • MEMBER
  • 1 POST
Thanks for this post I had this problem and followed the guide, All set! I love this site.
Feb 12, 2021 at 1:26 PM (Merged)
Avatar
LPRUITT
  • MEMBER
  • 2 POSTS
My car constantly engine power reduces, and on my dashboard it displays ESC off, traction off and engine power reduced. I just replaced my throttle position sensor on my car yesterday, but that did not help. What do I need to do to fix my car? In the winter, lights will flash and then it shut off. One time my car would not even start when it was cold outside.
Feb 12, 2021 at 1:26 PM (Merged)
Avatar
ASEMASTER6371
  • CERTIFIED EXPERT
  • 52,796 POSTS
Good evening,

The reduced power could be caused by the throttle position sensor, the connector, or the pedal sensor.

There is usually a code set for this in the PCM. If I can get this code it will narrow the area of failure.

You can get it checked for free at a parts store.

Roy
Feb 12, 2021 at 1:26 PM (Merged)
Avatar
LPRUITT
  • MEMBER
  • 2 POSTS
I just replaced the throttle position sensor as well as the pedal.
Feb 12, 2021 at 1:26 PM (Merged)
Avatar
ASEMASTER6371
  • CERTIFIED EXPERT
  • 52,796 POSTS
Okay, the next step is to check the voltages at both the throttle position sensor as well as the pedal sensor.

Do you have a voltmeter to do some checks?

Roy
Feb 12, 2021 at 1:26 PM (Merged)
Avatar
DAVID SEBASTIAN KILGORE
  • MEMBER
  • 4 POSTS
Went into limp mode. Codes poo3o, poo36. Code poo5o, poo56, Po 443, uo 1o7, and traction control is on.
Feb 12, 2021 at 1:26 PM (Merged)
Avatar
ASEMASTER6371
  • CERTIFIED EXPERT
  • 52,796 POSTS
Good morning,

I attached a guide for the limp mode for you to view.

https://www.2carpros.com/articles/reduced-power-limp-mode

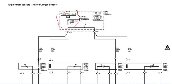
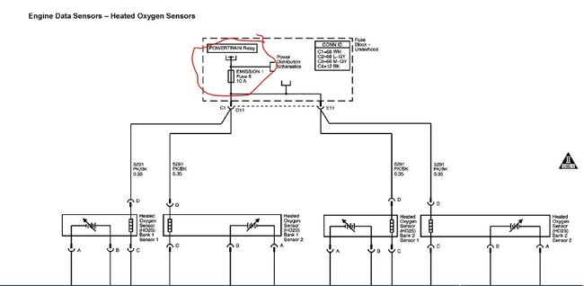
The 30,36,50 and 56 are the same for no voltage to the O2 sensor heaters.

https://www.2carpros.com/articles/how-to-check-wiring

https://www.2carpros.com/articles/how-to-check-a-car-fuse

There is a power issue to the O2 sensors and we need to do some voltage testing.

Let me know when you can do the testing so we can find the issues.

The 107 is for the purge valve for the evaporative system. I attached the procedure and a picture for you.

Roy


EVAPORATIVE EMISSION (EVAP) CANISTER PURGE SOLENOID VALVE REPLACEMENT

REMOVAL PROCEDURE


imageOpen In New TabZoom/Print

1. Disconnect the evaporative emission (EVAP) canister purge valve electrical connector.
2. Disconnect the EVAP canister purge pipe from the EVAP canister purge valve.
3. Remove the EVAP canister purge valve bolt.
4. Remove the EVAP canister purge valve from the intake manifold.

INSTALLATION PROCEDURE


imageOpen In New TabZoom/Print

1. Position the EVAP canister purge valve to the intake manifold.
2. Install the EVAP canister purge valve bolt.

NOTE: Refer to Fastener Notice in Service Precautions.

Tighten the bolt to 10 N.m (89 lb in).

3. Connect the EVAP canister purge pipe to the EVAP canister purge valve.
4. Connect the EVAP canister purge valve electrical connector.

Feb 12, 2021 at 1:26 PM (Merged)
Avatar
DAVID SEBASTIAN KILGORE
  • MEMBER
  • 4 POSTS
It will be late this evening before I can get to it. and I will get back to you. Thanks
Feb 12, 2021 at 1:26 PM (Merged)
Avatar
ASEMASTER6371
  • CERTIFIED EXPERT
  • 52,796 POSTS
Okay, sounds good. We will be here.

Roy
Feb 12, 2021 at 1:26 PM (Merged)
Avatar
DAVID SEBASTIAN KILGORE
  • MEMBER
  • 4 POSTS
Cleaned the throttle body, was nasty, but didn't help. Replaced the power train relay. Problem gone for now.
Feb 12, 2021 at 1:26 PM (Merged)
Avatar
ASEMASTER6371
  • CERTIFIED EXPERT
  • 52,796 POSTS
Did you clear the codes?

That would have nothing to do with the purge valve at all.

Roy
Feb 12, 2021 at 1:26 PM (Merged)
Avatar
DAVID SEBASTIAN KILGORE
  • MEMBER
  • 4 POSTS
Yes, stayed cleared.
Feb 12, 2021 at 1:26 PM (Merged)
Avatar
ASEMASTER6371
  • CERTIFIED EXPERT
  • 52,796 POSTS
Okay, for now. They most likely will return.

Roy
Feb 12, 2021 at 1:26 PM (Merged)
Avatar
JAVI GARCIA2223
  • MEMBER
  • 1 POST
My malibu 05 keeps showing engine power reduce n it wont accelerate.. What can it be??
Feb 12, 2021 at 1:26 PM (Merged)
Avatar
WRENCHTECH
  • CERTIFIED EXPERT
  • 20,761 POSTS
That means it's having a problem with the "drive by wire" electronic throttle system. It will default to half throttle when it sees an issue. The first step is having the codes read and they will give the tech a starting point to find the cause.
Feb 12, 2021 at 1:26 PM (Merged)
Avatar
KPIASINI
  • MEMBER
  • 1 POST
My 2005 Chevrolet Malibu gives the message of engine reduced power and runs rough (vibrates). Do you know what could be wrong?
Feb 12, 2021 at 1:27 PM (Merged)
Avatar
PROTECH1980
  • MEMBER
  • 901 POSTS
these vehicles have a TAC (throttle acuated control) module, alot of times these modules fail resulting in the reduced power, that would be my guess without knowing the diagnostic codes from your car. hope this helps.
Feb 12, 2021 at 1:27 PM (Merged)
Avatar
  • MEMBER
  • 10 POSTS
While driving freeway I tried to pass a bus when I began to loose power as though out of gas. car began to slow down then got a reduced engine power reading. also, my engine light came on and started flashing. then car began to run rough as though it was fixing to shut off like when out of gas. Also, my trunk popped open at same time. I was not off the road as of this time car was still in gear when trunk opened. Could the engine power loss be due to fuel filter or maybe a fuse? Gas tank is full. The trunk I am at a complete loss not sure why that even took place. Do no know what the trunk would have to do with loss of engine power. Makes no since unless there is a short that is connected between the two problems or a fuse or something no idea.
Feb 12, 2021 at 1:28 PM (Merged)
Avatar
PUFFNSTUFF
  • MEMBER
  • 59 POSTS
Pull the codes for it? I am thinking its misfiring due to plugs, wires or coil pack. trunk popping may have been coincidental that it happened at the same time.
Feb 12, 2021 at 1:28 PM (Merged)
Avatar
  • MEMBER
  • 10 POSTS
Okay, I just ran up to Autozone and got the code P0171. Also, I forgot to add that after pulling over and shutting off the car and restarting it everything went back to normal. the engine light went out and reduced engine power reading was gone car ran normal. I have also replaced spark plugs not to long ago.
Feb 12, 2021 at 1:28 PM (Merged)
Avatar
SATURNTECH9
  • CERTIFIED EXPERT
  • 30,869 POSTS
That is lean code usually caused by a vacuum leak that code does not go with the symptoms you described. a flashing check engine is usually caused a really bad misfire. Which would set a p0300 random misfire and or a certain cylinder misfire code. Also, when a GM car goes into reduced performance mode is caused by a throttle by wire fault like throttle position sensor fault the wiring itself etc. When the key is turned off and back on again if the fault is not there at time car will start and run normal again.
Feb 12, 2021 at 1:28 PM (Merged)
Avatar
  • MEMBER
  • 10 POSTS
The code they gave me P0171 states oxygen sensor, ignition misfire, fuel injector. could it be the ignition misfire that caused my engine power reduced reading if it is my ignition coil that is bad? by chance would that of caused the reduced engine power reading and would that give the P0171 Code? (I do have loss of gas mileage also), Or does that mean something totally different. Or could this mean I have multiple things going on here? Not sure what a bad ignition coil symptom really is never had this kind of issue before, but I do believe the car would run rough, misfire and or have bad gas mileage if it was the ignition coil not sure about power loss. please correct me if I am wrong. I am totally lost here.
Feb 12, 2021 at 1:28 PM (Merged)
Avatar
SATURNTECH9
  • CERTIFIED EXPERT
  • 30,869 POSTS
A bad coil coil will not set a lean code if a coil was not firing all the time you would get more raw gas going through the engine which is being combusted by the engine. The coil makes spark in the engine to cause the compressed gas to burn. A bad coil would cause the computer to set a misfire code. when there is a failure detected in the throttle by wire system the computer puts the car into reduced performance mode for a safety measure so the car does not possibly accelerate out of control. That is why I said just that code does not make sense for the symptoms. As far as those possible causes for the lean code most do not make sense. For that code restricted fuel filter low fuel pressure vacuum leak etc that would make sense. You can check the fuel pressure most the time when I see the lean code it is a vacuum leak somewhere. I have seen the diyer scan tool not read all the codes if some of them went into the history of the computer of the car.
Feb 12, 2021 at 1:28 PM (Merged)
Avatar
DRBOYD68
  • MEMBER
  • 2 POSTS
I had the message "Engine power reduced" and the car started vibrating. I tried to start it the next day but it won't start. Please tell me what is wrong with my car. I can't really afford a costly repair.
Feb 12, 2021 at 1:28 PM (Merged)
Avatar
  • MEMBER
  • 10 POSTS
Thank you for clearing that up for me. I was going by the print out they gave me with the code and symptoms.
Feb 12, 2021 at 1:28 PM (Merged)
Avatar
ASEMASTER6371
  • CERTIFIED EXPERT
  • 52,796 POSTS
Good morning,

This code be the throttle body or the accelerator pedal sensor that has failed and given you the low power indication.

https://www.2carpros.com/articles/engine-has-low-power-output

I would have the codes checked as it will narrow the area of failure for you.

https://www.2carpros.com/articles/how-to-check-wiring

Roy

ACCELERATOR PEDAL POSITION (APP) SENSOR

The accelerator pedal contains 2 individual APP sensors within the assembly. The APP sensors 1 and 2 are potentiometer type sensors each with 3 circuits:
- A 5-volt reference circuit
- A low reference circuit
- A signal circuit

The APP sensors are used to determine the pedal angle. The ECM provides each APP sensor a 5-volt reference circuit and a low reference circuit. The APP sensors provide the ECM with signal voltage proportional to the pedal movement. The APP sensor 1 signal voltage at rest position is near the low reference and increases as the pedal is actuated. The APP sensor 2 signal voltage at rest position is near the 5-volt reference and decreases as the pedal is actuated.
Feb 12, 2021 at 1:28 PM (Merged)
Avatar
  • MEMBER
  • 10 POSTS
I went to another place to check code again. I did get another code this time along with the P0171 second code is P0068 throttle body.
Feb 12, 2021 at 1:28 PM (Merged)
Avatar
SATURNTECH9
  • CERTIFIED EXPERT
  • 30,869 POSTS
The p0068 that is your reduced performance mode kicking in. How often does the reduced performance mode kick in? Because the p0068 code has to be active to follow the trouble for P0068 plus you would need a scan tool that can read live engine data as well. I would start by diagnosis that code first and go from there.
Feb 12, 2021 at 1:28 PM (Merged)
Avatar
  • MEMBER
  • 10 POSTS
It just started when I started inquiring about the P0171, but it happened anytime I would try to accelerate like in passing or starting from a stop at a light. We did a cleaning using sea foam then cleaned throttle body with throttle body cleaner and used the air flow cleaner it seems to have worked so far. I took it out on the freeway and it did not loose power after running it for awhile. Seems to accelerate well we did clear codes and did a scan every thing seems to be good. no codes present so far after a good hour drive and excessive acceleration. Hopefully that is all it needed. I would like to say thank you for all your help.
Feb 12, 2021 at 1:28 PM (Merged)
Avatar
  • MEMBER
  • 10 POSTS
I will also be changing the fuel filter hopefully by next weekend to assure it is not part of the problem. Though they say they do not need changing. But could not do it tonight I thought it would be outside behind the tank but found out when attempting to change it that it is actually inside of the gas tank.
Feb 12, 2021 at 1:29 PM (Merged)
Avatar
SATURNTECH9
  • CERTIFIED EXPERT
  • 30,869 POSTS
Yeah a lot of them these days are part of the fuel pump module. Keep me posted on how the car is running.
Feb 12, 2021 at 1:29 PM (Merged)