Good morning.
The first thing I would do since it has sat for so long is to drain the fuel tank, have it flushed out, replace the fuel pump and change the filter.
The old fuel is most likely the issue that will not allow it to work.
Roy
REMOVAL PROCEDURE
1. Drain the fuel from the tank. Refer to Draining Fuel Tank.
2. Raise the vehicle.
Diagram
imageOpen In New TabZoom/Print
3. Loosen the filler neck hose clamp at the fuel tank and disconnect the fuel tank filler neck from the fuel tank.
Diagram
imageOpen In New TabZoom/Print
4. Support the fuel tank and remove the tank straps and insulator strips, it equipped.
Diagram
imageOpen In New TabZoom/Print
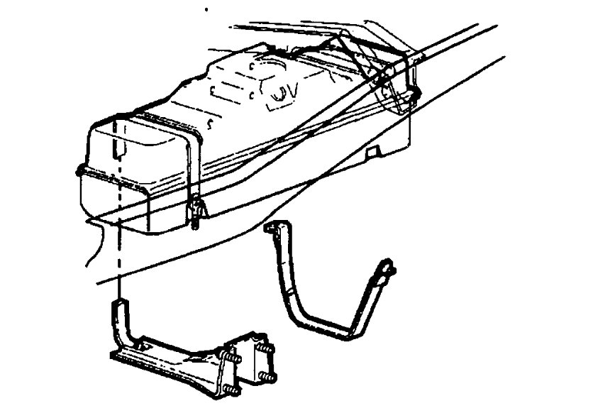
5. Remove the frame mounted bracket.
Diagram
imageOpen In New TabZoom/Print
6. Lower the fuel tank shield.
Diagram
imageOpen In New TabZoom/Print
7. Lower the fuel tank.
Diagram
imageOpen In New TabZoom/Print
8. Disconnect the fuel feed and vapor hoses. Disconnect the electrical connections at the sender.
Fuel Sender Assembly
imageOpen In New TabZoom/Print
9. Remove the fuel sender assembly and seal ring, using tool J 39785. Discard the old seal ring. Purge the tank, if the tank is being repaired.
Images (Click to enlarge)
Nov 15, 2018 at 7:35 AM