Engine Stalling Out?

2004 CHEVROLET SUBURBAN
187,000 MILES • 5.3L • V8 • AWD • AUTOMATIC
Avatar
MGARBZ885
  • MEMBER
  • 6 POSTS
Have a 2004 Suburban that stalls while driving when its 85+ out.... But runs fine when the temperature is lower at night.... After it coasts to a stop let it sit a few minutes fires up just fine but then will just keep stalling out after only a few miles.... No check engine light no warning other than you hit the accelerator and no response will just coast to a stop and shut off... Could it be possible that a dirty/faulty MAF sensor is causing the stall?
Jul 12, 2015 at 11:03 AM
Advertisement
Avatar
HMAC300
  • CERTIFIED EXPERT
  • 48,601 POSTS
clean throttle plate both sides and iac hole with choke cleaner
Jul 12, 2015 at 12:02 PM
Avatar
MGARBZ885
  • MEMBER
  • 6 POSTS
Would Seafoam work?
Jul 12, 2015 at 12:37 PM
Advertisement
Avatar
HMAC300
  • CERTIFIED EXPERT
  • 48,601 POSTS
As long as it takes all the gunk off choke cleaner is fast though.
Jul 12, 2015 at 1:00 PM
Avatar
MGARBZ885
  • MEMBER
  • 6 POSTS
Cleaned the throttle body and iac hole with choke Cleaner and it still is occasionally stalling but as often
Jul 18, 2015 at 12:21 PM
Avatar
HMAC300
  • CERTIFIED EXPERT
  • 48,601 POSTS
then check to see how much your fuel pump is drawing amp wise it may be getting weak when it's hot. also try replacing fuel filter.
Jul 18, 2015 at 12:23 PM
Avatar
MGARBZ885
  • MEMBER
  • 6 POSTS
OK will do that thank you
Jul 18, 2015 at 12:26 PM
Avatar
MGARBZ885
  • MEMBER
  • 6 POSTS
OK, I cleaned the throttle body, iac hole with carb Cleaner, then did the SeaFoam treatment through the intake, replaced the fuel filter, checked the relay noticed it was getting hot so I replaced the relay but now noticing the relay still gets hot so pretty sure the pigtail off the fuel pump is bad or the pump itself.. Because it still is cutting out.
Jul 25, 2015 at 4:03 PM
Avatar
HMAC300
  • CERTIFIED EXPERT
  • 48,601 POSTS
probably hard for you to do but when it does this check your fuel pressure with a gauge auto parts rent it. it should be 55-62 psi with the exception of Z code which should be 48-54psi with key on engine off. if not to minimum even by a pound the pump is bad.
Jul 25, 2015 at 4:19 PM
Avatar
SYBURB
  • MEMBER
  • 1 POST
Same rig, 136k, and same conditions & symptoms. Swapped out the fuel pump relay and has been okay. MGARBZ885 - did you figure out if the problem was electrical or the fuel pump itself?
Jul 29, 2016 at 7:41 AM
Avatar
SBRENTON
  • MEMBER
  • 9 POSTS
was this ever solved? I am having the exact same issue with my 04
Jun 23, 2017 at 11:41 AM
Avatar
STRAILER
  • CERTIFIED EXPERT
  • 53,855 POSTS
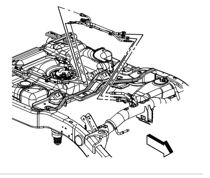
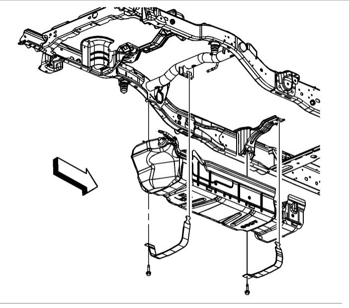
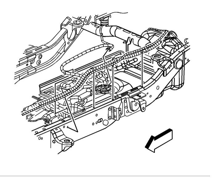
Yes the problem was the fuel pump, here is a guide that will show you what you are in for when doing the job and some diagrams (below) to help you.

https://www.2carpros.com/articles/how-to-replace-an-electric-fuel-pump

You can get the pump from Amazon for about $215.00 AC Delco is the only pump I would install

https://www.amazon.com/gp/product/B0010GIDD4/ref=as_li_qf_sp_asin_il_tl?ie=UTF8&tag=2carprcom-20&camp=1789&creative=9325&linkCode=as2&creativeASIN=B0010GIDD4&linkId=d4a5b5ff36826f6571e1307245773115

Drain the tank first, watch this video.

https://youtu.be/Q5MH2gnyFH0

Please let us know what happens.

Cheers, Ken
Jun 26, 2017 at 12:04 PM
Avatar
SBRENTON
  • MEMBER
  • 9 POSTS
This did not solve the problem I am having. The car stalls at random times with no real rhyme or reason. I thought it was during hot days but I towed my camper with no problems then when going to get gas with no camper it stalled. It typically just quits at idle but if i am driving I can sometimes feel a slight bucking. If i try to immediate restart it behaves like I removed the idle air control harness while it was running.

no trouble codes, fuel pump and fuel pump harness replaced, MAP, MAF, ignition control switch, coolant temp sensor, new plugs and wires, new relays for fuel pump and ignition (they were hot but still seem hot with new ones), removed and cleaned throttle body and IAC hole, repaired frayed wires causing evap leak code and for ac pressure sensor, checked all fuses and cleaned contacts, new battery, 1 new cat, new downstream O2 sensors, new gas cap, new rear break lines, new bleeder screws all around (shop bled the lines with a tool), repaired broken wire under drivers seat for air bag in seat, repaired a previous owners hack job with the media center controller and checked all under hood vacuum lines using soapy water.

Not all those changes were a part of this issue but thats what I have done over the last month. I have also had this to a mechanic I trust and he cant find the issue. its only stalled once when he had it so the intermittent issue is a pain.

Things that I know are left are a small manifold leak, needs new brakes and rotors all around and lower drivers side controller arm is slightly bent and rusted.

The random stalling issue is my biggest concern right now. I know I gave too much information but I figured too much was better than not enough.

thanks in advance!
Jun 26, 2017 at 1:10 PM
Avatar
HMAC300
  • CERTIFIED EXPERT
  • 48,601 POSTS
lean throttle plate like I said in first reply on this post.
Jun 26, 2017 at 3:04 PM
Avatar
SBRENTON
  • MEMBER
  • 9 POSTS
I have removed the throttle body and fully cleaned everything and replaced the gasket. When car is at an idle if i remove the IAC wiring harness the engine runs very rough. Based on that I assumed the throttle was functioning properly. I cant replace the IAC as it is pop riveted into the throttle housing so its not serviceable. I also checked the vacuum line from the throttle to the valve cover and there was no leaks.

How else can I test for lean throttle?
Jun 27, 2017 at 4:55 AM
Avatar
HMAC300
  • CERTIFIED EXPERT
  • 48,601 POSTS
check fuel pressure with a gauge it may be getting the pump hot so it doesn't keep pressure up like it should so it stalls. read the pressures on very first post along with link on how to do it. in future please post a new question on first question
Jun 27, 2017 at 9:43 AM
Avatar
SBRENTON
  • MEMBER
  • 9 POSTS
Fuel pressure is consistently at 55 to 58 psi. Also have a new fuel pump, fuel pump relay and fuel pump wiring harness.

I did post a new question first and it is located here, https://www.2carpros.com/questions/truck-stalling-out. I queried this post because the issue was similar.I did receive a response on this one and will be replacing the crank position sensor.

thanks for the help.
Jun 27, 2017 at 10:13 AM
Avatar
MGARBZ885
  • MEMBER
  • 6 POSTS
Yes got it figured out fuel pump would lose all pressure right before the engine would stall, replaced the fuel pump and also the crankshaft position sensor haven't had any issues since

https://www.2carpros.com/articles/crankshaft-angle-sensor-replacement
Jun 27, 2017 at 10:19 AM
Avatar
STRAILER
  • CERTIFIED EXPERT
  • 53,855 POSTS
Great addition to this thread! Please feel free to help out whenever you are on the site :)

Cheers, Ken
Jun 27, 2017 at 11:14 AM
Avatar
SBRENTON
  • MEMBER
  • 9 POSTS
My truck is stalling out at random times without any rhyme or reason. Fuel pump has been replaced and some wiring under the battery plate fixed from being frayed. When stalling I have measured a consistent 58 psi so I do not believe it is with the fuel system unless it is after the fact at the injectors. One thing I do notice is the check engine light does not come on when i cycle the key to the position just before starting. I believe that is telling me the PCM is not going through its initial startup sequence.

I have also had a couple problems where I cannot shift the car from park and that usually fixes itself quickly by cycling the key on and off.

Is it possible the ignition switch is causing communication issues with the PCM circuit? If not any other ideas?

I do not have any active or pending check engine codes.

appreciate any help. thanks!
Jul 9, 2020 at 1:54 PM (Merged)
Avatar
STRAILER
  • CERTIFIED EXPERT
  • 53,855 POSTS
Hello,

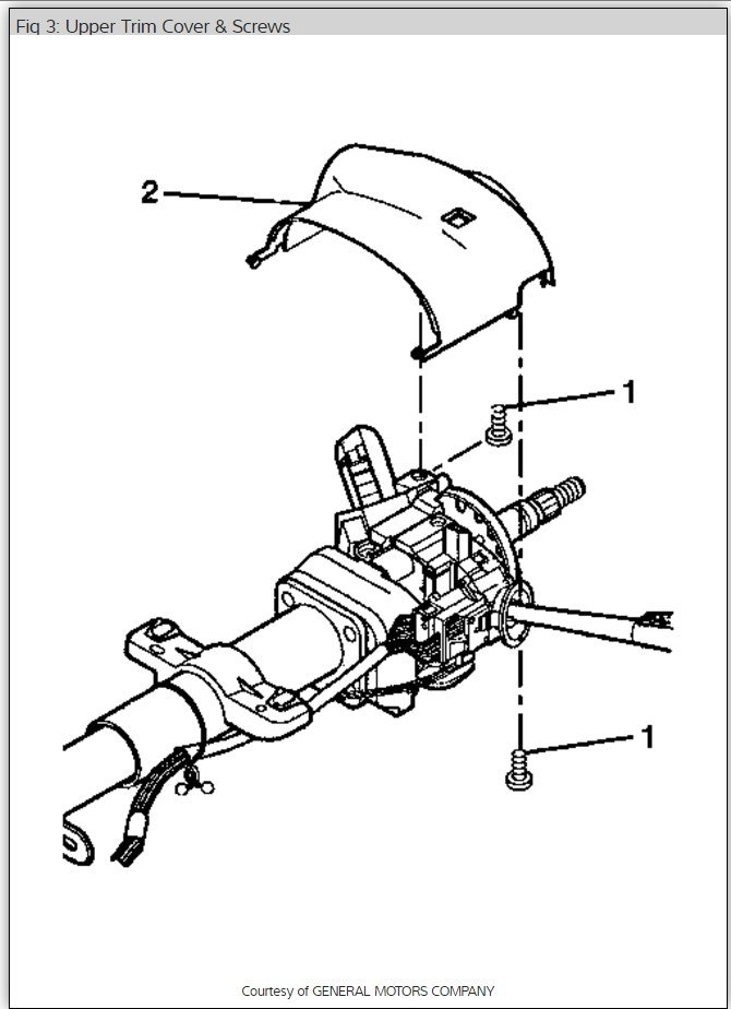
A couple things come to mind, first is the crankshaft angle sensor which will stop the injectors from working, here is a guide to help with that.

https://www.2carpros.com/articles/crankshaft-angle-sensor-replacement

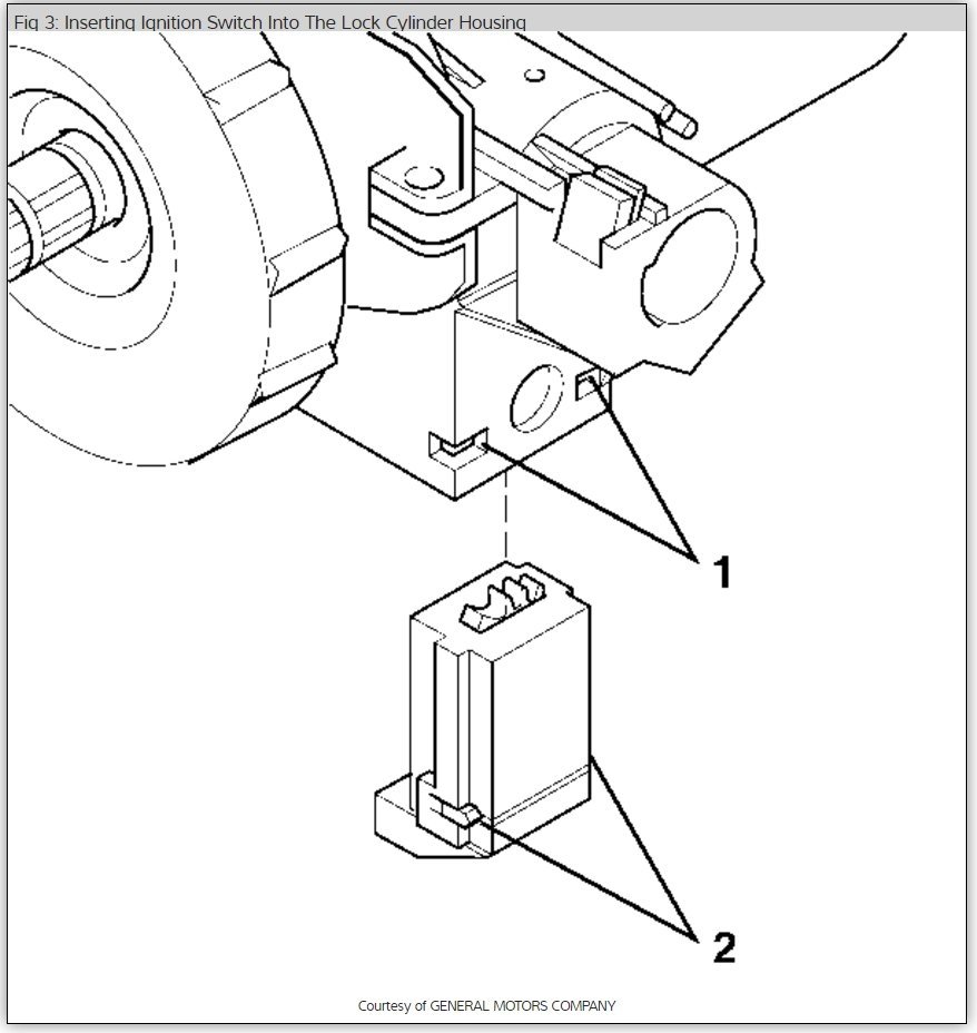
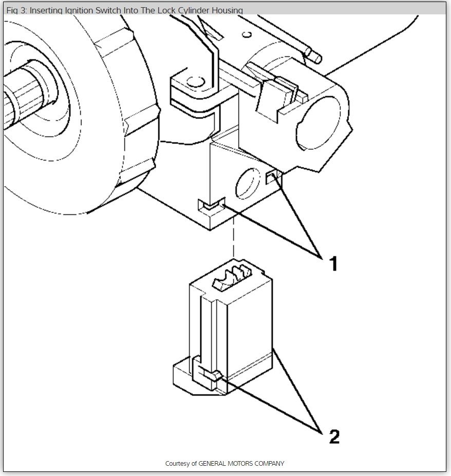
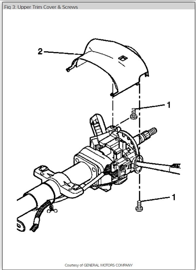
and it you may have an ignition switch going out as well.

Here are some diagrams (below) on how to change the switch out.

Please let us know what happens, we are interested to see what it is.

Cheers, Ken
Jul 9, 2020 at 1:54 PM (Merged)
Avatar
SBRENTON
  • MEMBER
  • 9 POSTS
Is the crankshaft angle sensor the same as the position sensor? i am not a mechanic so I dont always get all the terminology right. My following comments assumes they are one in the same ........

I replaced the ignition switch a couple days ago but still have the stalling. I have not replaced the crankshaft position sensor yet. this was actually one of the things i was thinking about as well as the camshaft position sensor. I will take a shot at the crankshaft position sensor as you suggest and let you know if it solves the issue.

Hey ... actually. If memory serves me right that is right above the starter motor, correct? When starting the suburban it starts after a second or so but after firing it sounds like the starter motor spins for a few more seconds even after I release the key. Could that be an indication of the crankshaft position sensor failing?

Thanks in advance!
Jul 9, 2020 at 1:54 PM (Merged)
Avatar
STRAILER
  • CERTIFIED EXPERT
  • 53,855 POSTS
Hello,

Yes, the crankshaft angle sensor is the same and its in the same location as the guide.

Here is a video of the job being done.

https://youtu.be/sKo7xRWVNqY

Please let us know what happens.

Cheers, Ken
Jul 9, 2020 at 1:54 PM (Merged)
Avatar
SBRENTON
  • MEMBER
  • 9 POSTS
OK, I did the crank sensor and that was a pain. There is near no room for that starter and laying on my back in a driveway does not help much either. Well I hope this solves the problem and will update you after I drive it a couple days with no stalling. thanks for the advice and help.
Jul 9, 2020 at 1:54 PM (Merged)
Avatar
SBRENTON
  • MEMBER
  • 9 POSTS
OK, it stalled after this sensor change and after a few days of it working great it sat for 24 hours and now it won't start at all. I am not getting any spark at all 8 plugs using a smart tester. Juice is getting to the coils tho ..... I also have 55psi fuel pressure and all inspectors are pulsating the noid testers. any other ideas?
Jul 9, 2020 at 1:54 PM (Merged)
Avatar
STRAILER
  • CERTIFIED EXPERT
  • 53,855 POSTS
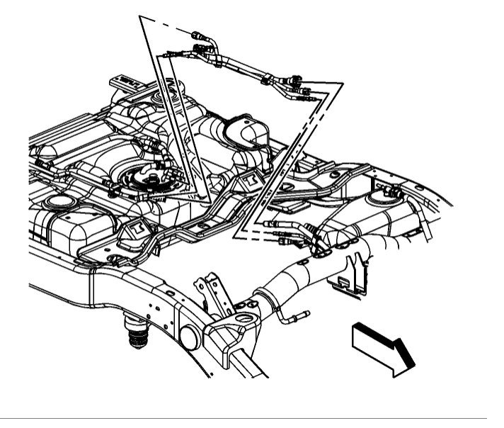
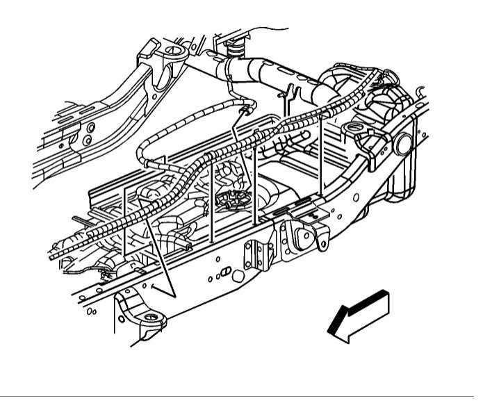
A couple things come to mind, first is an oxygen sensor that can be shorting out, please disconnect all of them and try to start it.

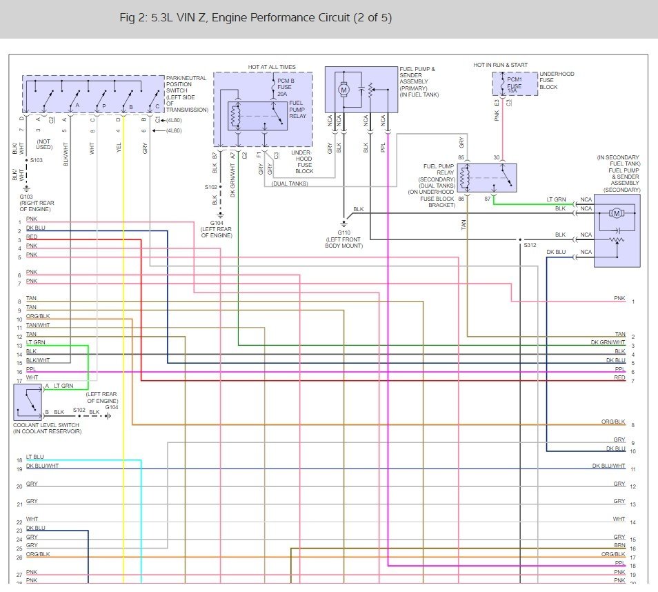
Here is the engine wiring diagrams (below) and some guides to help you test for power in the system

https://www.2carpros.com/articles/how-to-use-a-test-light-circuit-tester

and

https://www.2carpros.com/articles/how-to-check-a-car-fuse

Please run some tests and get back to us we are interested to see what it is.

Cheers, Ken
Jul 9, 2020 at 1:54 PM (Merged)
Avatar
CARRIEBETH19
  • MEMBER
  • 1 POST
I had my vehicle 2004 Chevy Suburban 1500 not 4x4 towed to our local Chevy dealer a couple weeks ago because it shut off on me while I was getting on the interstate. No warning lights, no hesitation/skipping/ rough running, just shut off, briefly started back up then shut off and was unable to get it to run. Left it at dealership with knowledge it would be "a couple days" before they would probably get to it as it was a few days before the holiday weekend. I picked up my suburban about 9 days later with a new ignition element/fuse and the assurance that problem was resolved. I made it about 20 minutes away and was again stuck on the side of the road. Called dealership, sort of expecting at least some concern/apology or maybe the offer of a tow, instead got a that sucks bring it back when you can and we’ll see if we can figure it out. With no $ for a tow I called my dad and had him tow it home and there it sits. Will start up and idle fine I haven’t managed to make it shut down while idling. Driving is a whole different experience. It will run great for about 25-35 minutes but once it warms up it just fails/ shuts down. Usually the shut off occurs when driving up a hill and again after having run for about 25-35 minutes. When the shut off happens we have tested coils and seem to have lost power/signal from ignition (voltage is just gone even with ignition in on position). Since the dealership replaced the ignition element/fuse (and they cleaned the throttle body) we have checked fuel pressure, it’s fine both while idling and immediately after engine fail, replace crank shaft position sensor, checked all wiring (has an auto start so checked all that wiring too). I guess my next step is to replace PCM, anyone have any other ideas??? Also it’s not running hot and it’s showing no codes on the computer.
Jul 9, 2020 at 1:54 PM (Merged)
Avatar
SBRENTON
  • MEMBER
  • 9 POSTS
was this ever solved. I have the same issue.
Jul 9, 2020 at 1:54 PM (Merged)
Avatar
STRAILER
  • CERTIFIED EXPERT
  • 53,855 POSTS
We are sorry the person never got back to us, but we can figure it our for ya. The first thing you want to do it run the codes to see what comes up.

https://www.2carpros.com/articles/checking-a-service-engine-soon-or-check-engine-light-on-or-flashing

Next please visit this guide which will run you trough the basics

https://www.2carpros.com/articles/car-cranks-but-wont-start

Please run some tests and get back to us so we can continue helping you.

Cheers, Ken
Jul 9, 2020 at 1:54 PM (Merged)
Avatar
DANFULLER2
  • MEMBER
  • 1 POST
Engine Mechanical problem
2004 Chevy Suburban V8 Four Wheel Drive Automatic

my truck stalled on day and i have not ben able to stsrt it it getting fuel to the filter but not to the engine what can i check next thank you dan
Jul 9, 2020 at 1:54 PM (Merged)
Avatar
RASMATAZ
  • CERTIFIED EXPERT
  • 75,992 POSTS
Check the fuel pressure if okay -check if the injector/s are pulsing if not could be a problem with the computer's ground drivers or an open on the power supply
Jul 9, 2020 at 1:54 PM (Merged)