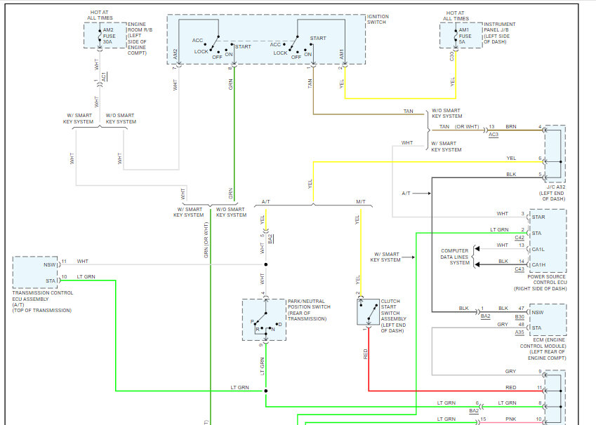
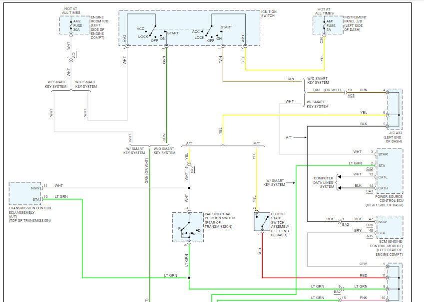
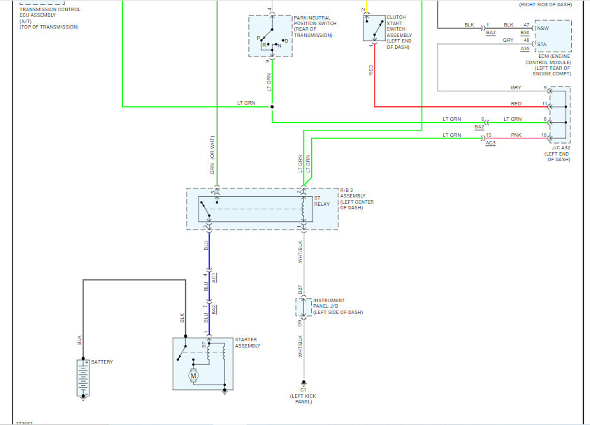
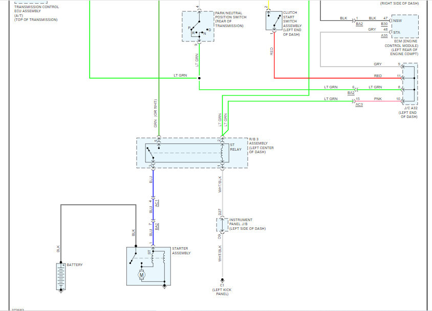
The engine blew on my vehicle listed above which is a 2ar engine. I was able to locate a 2013 scion TC 2ar engine. I swapped it out and replaced the clutch and hydraulic clutch throughout bearing. now I reconnected the battery I have all my lights I have power to everything however there is no check engine light, and it will not turn over. any information anything at all will help.
Sep 29, 2024 at 8:28 AM





