Engine Warning Light and codes P0100 and P2463?

2012 MERCEDES BENZ VITO
129,000 MILES • 2.2L • 2WD • MANUAL
Avatar
  • MEMBER
  • 1 POST
I have 2 codes for an engine warning light:

P0100 mass or volume air flow a circuit range/performance

P2463 DPF restriction - soot accumulation

I was told it needed a DPF clean. I paid for that and less than 5 minutes after the guy left the engine light came back on and it seems he reset it just to convince me he fixed the problem.

He claimed the light being back on meant the DPF needs replacing. I don't understand how he wouldn't know this before he cleaned it rather than charging me to clean a DPF he now says needs throwing in the bin.

I'd like some guidance on what work I need done to repair this.
Sep 2, 2023 at 5:54 AM
Advertisement
Avatar
CDINC2006
  • MEMBER
  • 6 POSTS
Is it diesel? If so there's a couple possible options you yourself can try. If it a gas motor then there's a couple options to try. I won't make you any promises. Please send pictures of parts/codes involved.
Sep 2, 2023 at 8:44 AM
Avatar
STRAILER
  • CERTIFIED EXPERT
  • 53,855 POSTS
Code P0100 - Mass or Volume Air Flow Circuit Malfunction: This code indicates a problem with the Mass Air Flow (MAF) sensor circuit.

Code P2463 - Diesel Particulate Filter - Soot Accumulation: This code is related to diesel particulate filter (DPF) issues.

This means the MAF sensor and the DPF need to be replaced which is common with diesels. I will ask my EURO expert, Boris, to chime in as well. Please let us know how it goes.
Sep 2, 2023 at 6:05 PM
Advertisement
Avatar
CDINC2006
  • MEMBER
  • 6 POSTS
Did he put it in a regen cycle? You would know by the fact that it would have run at a higher idle for at least 45 minutes. Otherwise attempt to locate DPD particulate filter and clean or replace it. When was the last time this vehicle had a full pm service? (air filter, oil filter, crankcase breather if equipped, fuel filter, water separator filter changed)
Sep 2, 2023 at 9:20 PM
Avatar
BORIS K
  • CERTIFIED EXPERT
  • 836 POSTS
Hello,

Code P2463 - Diesel Particulate Filter - Soot Accumulation: This code is related to diesel particulate filter (DPF) issues. The ECM (Engine Control Module) uses the data from the differential pressure sensor to determine the level of obstruction/soot in the DPF.
A possible faulty sensor or blocked/broken pipes between the sensor and the DPF could cause a false reading.

The differential pressure sensor is located in the engine compartment, near the exhaust on the left. It has 2 hoses going to the DPF, see image 1 below
Suggest to locate and check the pipes from the sensor back to the DPF

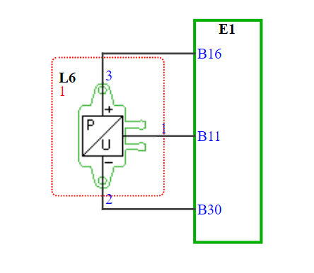
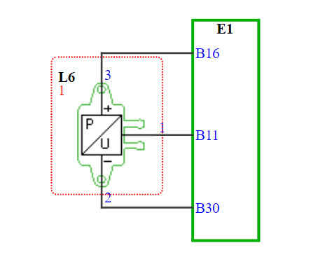
At the sensor there is a 3 pin connector, image 2+3

Pin 1, black wire back to ECM pin B16 signal
Pin 2, violet/brown wire to ECM pin B30 ground
Pin 3, pink/violet wire to ECM pin B16 5V supply

You can check voltage supply, ground and wiring back to the ECM using a voltmeter

How to use a voltmeter
https://www.2carpros.com/articles/how-to-use-a-voltmeter

How to check wiring
https://www.2carpros.com/articles/how-to-check-wiring

Ideally you should check the live data from the differential pressure sensor using a suitable diagnostic tool, not just a code reader.

Live data for the sensor should be
Ignition on/engine off - 0 mbar/0Kpa
Idle - less than 10mbar/1Kpa
At 3000rpm - between 50-70mbar/5-7Kpa

If pressure is high you can road test the vehicle and try and force it to carry out a DPF regeneration. This will need to be done on an open road with engine rpm above 3000rpm at speeds between 40-70 mph. Before doing any DPF regeneration please first check engine oil quality and level as regeneration will cause engine oil to rise slightly due to oil dilution with diesel fuel.

A good video
https://youtu.be/5KGIOcUmYE0?si=X-eTCOH7RIRSkQxL

If successful, this should lower the differential pressures in line with what they should be.
If not, you could try and carry out a forced regeneration using the same scan tool you used for live data reading. When carry out a forced or static regeneration ensure that the vehicle is in an open area (loads of smoke) and not near any flammable surfaces or materials as the exhaust temperatures can exceed 600degrees C.

Hope this helps.

Cheers, Boris
Sep 3, 2023 at 2:08 AM