Engine will not crank all I hear is a click?

2012 VOLVO S60
211,007 MILES • 2.5L • 4 CYL • 2WD • AUTOMATIC
Avatar
RONALD DEVOLD
  • MEMBER
  • 134 POSTS
When depressing the brake pedal and pushing the start button, all I hear is a click. The battery is new. The relay is good. Need help. Also, no signal to starter when pressing start button. Attempted to send direct voltage to starter and just clicked. The engine is not locked. When I initially installed the starter, I sent direct voltage to starter solenoid and the engine turned. I have the same voltage from the battery wire to the starter. I am going to check signal going out of relay.
Dec 28, 2024 at 10:26 AM
Advertisement
Avatar
RONALD DEVOLD
  • MEMBER
  • 134 POSTS
Also, no signal to starter when pressing start button. Attempted to send direct voltage to starter and just clicked. The engine is not locked. When I initially installed the starter, I sent direct voltage to starter solenoid and the engine turned. I have the same voltage from the battery wire to the starter. I am going to check the signal going out of relay.
Dec 28, 2024 at 11:13 AM
Avatar
JACOBANDNICKOLAS
  • CERTIFIED EXPERT
  • 110,175 POSTS
Hi,

If you are sending power to the starter to engage it and you only get a click, that sounds like the starter itself is bad.

At the starter, you will have a heavy gauge red wire directly from the battery positive terminal. There is also a blue wire that is smaller. That is the trigger wire. There should not be power to the blue wire until the ignition is in the start position.

Have a helper try starting it while you check the blue wire for power. If there is power, replace the starter. If there is no power, let me know and we'll have to go through and check relays and power supplies. Also, take a look through this link and let me know if it helps:

https://www.2carpros.com/articles/starter-not-working-repair

Let me know.

Take care,

Joe

See pic below.

Dec 28, 2024 at 9:38 PM
Advertisement
Avatar
RONALD DEVOLD
  • MEMBER
  • 134 POSTS
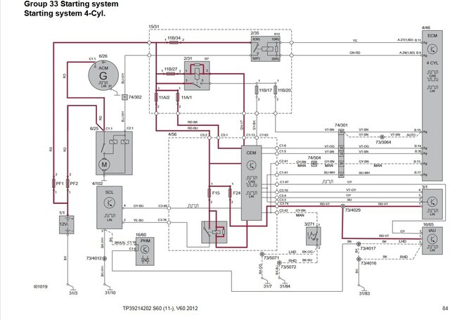
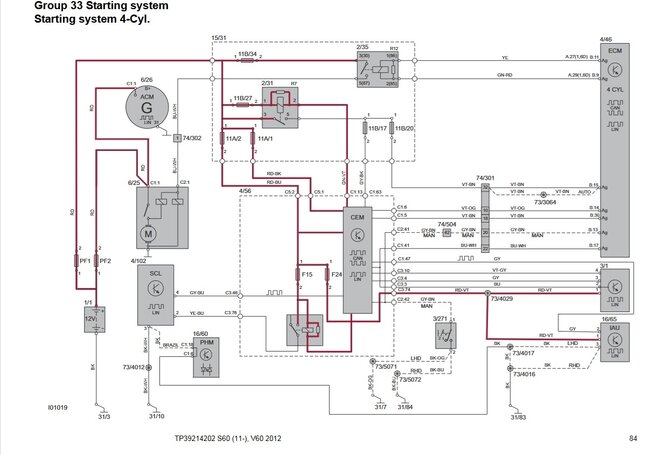
So I did not mention that at first when I installed the new starter, I sent power to the starter to make sure the engine will turn and to see if the starter is good. The starter engaged, rotating the engine. But when I pressed the start switch, it just clicked. I found that the starter relay was not sending power to the starter. Then I tested the starter relay by ohmning it and sending 12v . Relay was bad. I then bench tested the starter and it did on spin for a second but did not engaged. I sent the starter back for a replacement. While I'm waiting for the replacement, I connected my scan tool to see if the switch is engaging and the switch reads crank on the scan tool when pressing the start button. But here's the thing, on the starter relay it has 4 pins (1,2,3 and 5). Pin 3 is constant 12v. Pin 5 is the switch side going to the starter solenoid. Pins 1&2 is coming from the ECM. I checked both pins and they both have a lil over 9volts when the ignition is on . No change when pressing start switch. So, I'm lost right there. If I'm not mistaken, the relay should be activated from the ECM when pressing the start button . Does that mean I'm not getting a crank signal from the ECM? The relay is not being activated when attempting to start. Could it some kind of code like a crash code or Supplemental Restraints code that is not allowing the ECM to send signal to the starter relay. Attached is the starting system diagram.
Jan 4, 2025 at 4:15 PM
Avatar
JACOBANDNICKOLAS
  • CERTIFIED EXPERT
  • 110,175 POSTS
On the relay, there is a primary and secondary circuit. The primary needs to get power from one wire and ground from the other. If the primary isn't completed, the secondary side won't close. If the ground isn't present, the relay will not work. Take a look through this link and let me know if it helps you:

https://www.2carpros.com/articles/how-to-check-an-electrical-relay-and-wiring-control-circuit

Let me know.

Joe
Jan 4, 2025 at 5:58 PM
Avatar
RONALD DEVOLD
  • MEMBER
  • 134 POSTS
I watched the video step by step. I wired the relay to a light bulb and the light came on indicating the relay was doing its job. Now I am back at not signal from the ECU to the relay.
Jan 5, 2025 at 10:12 AM
Avatar
RONALD DEVOLD
  • MEMBER
  • 134 POSTS
I received the starter and relay today and installed it. I tested the starter motor and it's good. I still am not getting a signal to starter.
Jan 5, 2025 at 2:37 PM
Avatar
JACOBANDNICKOLAS
  • CERTIFIED EXPERT
  • 110,175 POSTS
Hi,

Okay, here is what I need to be tested. Remove the relay and locate pins 85 and 86. I need confirmation that you have both power and ground to them. Both are signaled by the ECM. If that checks good, I want you to use a jumper wire to jump pins 30 and 87. When you jump them, the starter will engage. If it doesn't let me know.

Also, I attached a pic of the power to the relay. Please confirm power is present at fuse B34 In the under-hood fuse box. If there is no power, check PF1 at the battery. That is the power supply to B34.

Let me know what you find.

Joe

See pic below.
Jan 5, 2025 at 9:33 PM
Avatar
RONALD DEVOLD
  • MEMBER
  • 134 POSTS
At first, I checked the fusible positive wire coming from the battery to the starter and I had voltage. Now I don't, so the fuse is bad. I ran another non fusible wire to the starter from the battery (I am going to replace the fusible wire). On the relay, pins 85 and 86 both read ground with the switch off. With the switch on, I am getting 11v on pin 86 and 3.4v on pin 85. The battery was reading 11.6v so it's on a charger now.
Jan 6, 2025 at 3:06 PM
Avatar
JACOBANDNICKOLAS
  • CERTIFIED EXPERT
  • 110,175 POSTS
When you try starting it, does pin 85 become a ground path? It should. Also, did you try jumping pins 30 and 87?


Joe
Jan 6, 2025 at 7:14 PM
Avatar
RONALD DEVOLD
  • MEMBER
  • 134 POSTS
no, it still have the same voltage reading. And i did jump 30 and 87 and the starter engaged.
Jan 6, 2025 at 8:03 PM
Avatar
JACOBANDNICKOLAS
  • CERTIFIED EXPERT
  • 110,175 POSTS
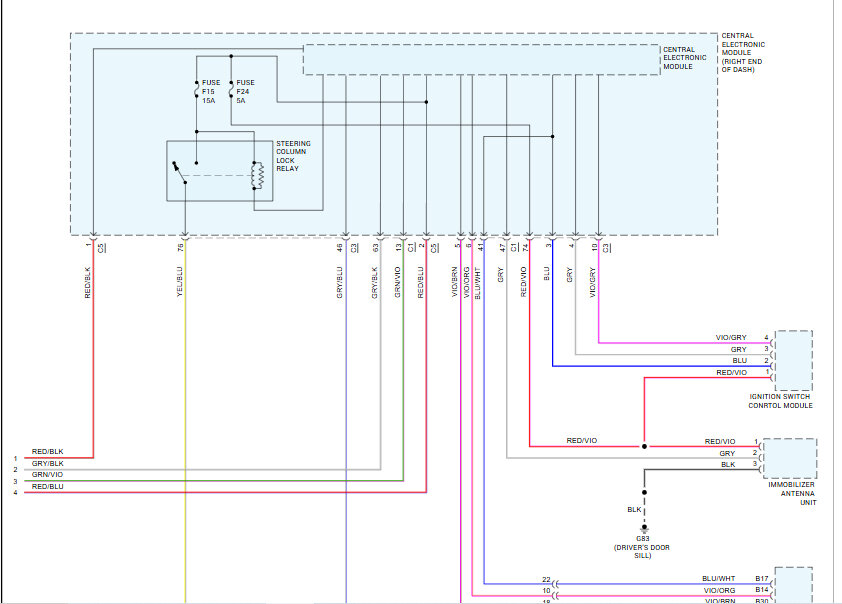
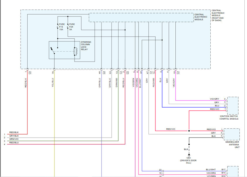
The primary side of the relay isn't getting ground. That takes us to the ECM. I attached the entire starting system circuit below so you can review it.

The next step is to check for power and ground at the ECM. If you look below, you'll see a yellow wire and a green wire with a red tracer that go from the primary to the ECM. They are pins B9 and (connector B).

I can not find a pin-out of the connector, so you will need to locate the color wires I mentioned and then determine which pins they go to.

Let me know. If there is no ground path at the ECM, there is an internal fault with it.

Joe

See pics below. Note: The schematic was two pages. I had to cut each page in half to make them readable. I did overlap each section and highlight the wires you need to locate.
Jan 8, 2025 at 6:25 PM
Avatar
RONALD DEVOLD
  • MEMBER
  • 134 POSTS
So, I was able to get back to troubleshooting. I decided to go to salvage yard and purchase a harness because the clips on the ECU harness were broken. I also purchased the fusible battery to starter wire. After installing both, I installed a new starter and ran voltage to it and the starter engaged. I then connected the wiring to the starter, and I am getting power to the starter, but the starter is not engaging. The person I purchased the car from told me that she kept replacing the starter and battery. So now I am wondering what is causing this. I doubt it's the brand starter I am purchasing. for I have past my return window. Should I purchase the starter from Volvo Dealer? Priced over 500$.
Feb 15, 2025 at 6:26 AM
Avatar
RONALD DEVOLD
  • MEMBER
  • 134 POSTS
Here's a video of what's happening. I connected a tester to the starter signal wire, and it reads low voltage until I press brake pedal. When I press the start/stop button it's reading a constant voltage until I press the start/stop switch again.
Feb 15, 2025 at 6:33 AM
Avatar
JACOBANDNICKOLAS
  • CERTIFIED EXPERT
  • 110,175 POSTS
Hi,

At the starter, there should be a blue wire with a white tracer. It will be a smaller gauge than the red wire. The Blue/white wire should only have power when you press the start button. Are you getting power to that wire under those conditions? If you are, chances are it is the starter.

Let me know.

Joe
Feb 16, 2025 at 8:14 PM
Avatar
RONALD DEVOLD
  • MEMBER
  • 134 POSTS
okay. I understand that but the starter is new. I did disconnect the wire from the starter and ran straight power to it and it did not engage. it did before i connected any wiring to it. So, I'm back to something that is burning out the starter. I am still getting voltage to the starter. I also ordered another starter. it is new, not remanufactured. I am waiting for it to come in. I just want to eliminate all other possibilities and not keep burning up starters. Thanks
Feb 22, 2025 at 5:35 AM
Avatar
STRAILER
  • CERTIFIED EXPERT
  • 53,855 POSTS
Good call, and to be clear you can rotate the engine by hand, correct?
Feb 24, 2025 at 10:38 AM
Avatar
RONALD DEVOLD
  • MEMBER
  • 134 POSTS
Yes. It also turned when I first installed the new starter, I ran straight power to it, and it rotated the engine.
Feb 24, 2025 at 12:58 PM
Avatar
STRAILER
  • CERTIFIED EXPERT
  • 53,855 POSTS
That is a good sign the engine is okay, here is a guide to help see for sure if it is the starter by checking the trigger wire to the starter:

https://www.2carpros.com/articles/starter-not-working-repair

Let us know how it goes.
Feb 25, 2025 at 9:29 AM
Avatar
RONALD DEVOLD
  • MEMBER
  • 134 POSTS
When I press the start button once to turn on the ignition. i am getting power to the starter signal wire. Still I installed another new starter and I'm ending up with the same result. I removed the starter and bench test it and it fail. So I'm confused on what is shortening out these starters. The starter should only get a signal when I step on the brake pedal and push and hold the start button, not when I push the start button without stepping on brake pedal. Am I correct?
Mar 16, 2025 at 11:04 AM
Avatar
STRAILER
  • CERTIFIED EXPERT
  • 53,855 POSTS
While the key is in the crank position can you get a test light on the main positive cable to see if there is power? Also I would check the trigger wire (blu/wht) as well. They both should have 12 volts when the start button is pushed.
Mar 17, 2025 at 9:33 AM
Avatar
RONALD DEVOLD
  • MEMBER
  • 134 POSTS
I am getting voltage at both when pressing the start button.
Mar 20, 2025 at 3:23 PM
Avatar
STRAILER
  • CERTIFIED EXPERT
  • 53,855 POSTS
If you have power to both, then I would make sure the starter turns over by hand and if so, the starter is defective.

Please use this video:

https://www.youtube.com/watch?v=oN42gZN6gOE

Let us know how it goes.
Mar 21, 2025 at 8:51 AM