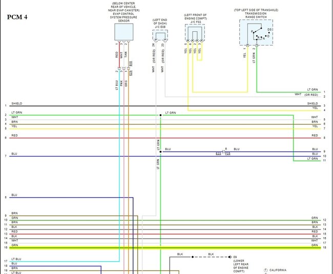
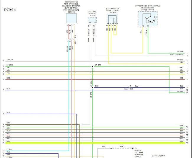
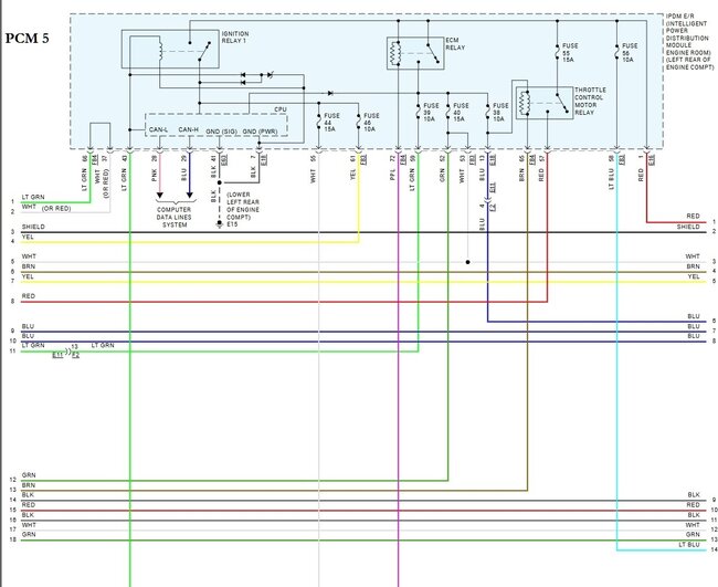
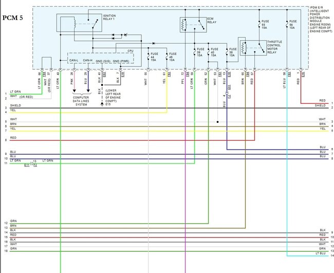
I need to replace the engine wire harness in my car listed above SV. Having a hard time finding a diagram for inserting the new harness.? Harness is part #20411-9HS3A
Sep 13, 2024 at 10:34 AM











