Hello,
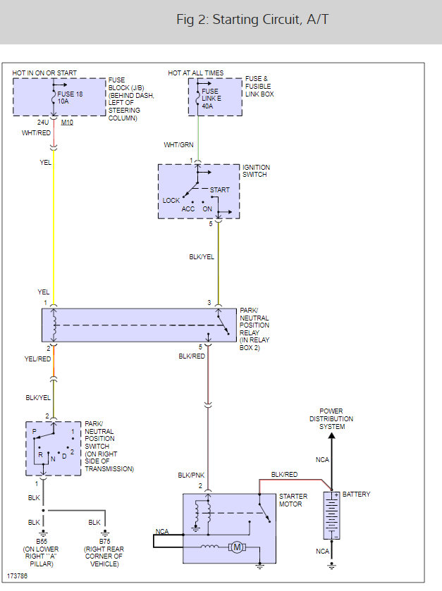
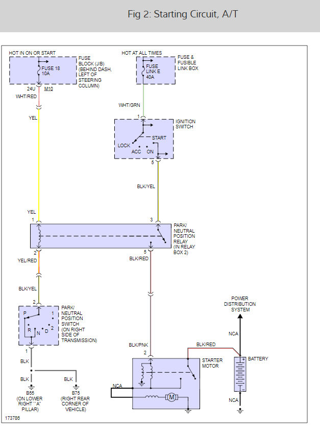
The starter relay is called a park neutral position relay. Here is a guide to help you test the relay once you find it:
https://www.2carpros.com/articles/how-to-check-an-electrical-relay-and-wiring-control-circuit
Below are the fuse panel and relay locations for the entire truck keep this page in your favorites for future reference. I includes the wiring for the starter as well.
Check out the diagrams (below).
Let us know what happens and please upload pictures or videos of the problem.
Cheers, Ken
Images (Click to enlarge)
Mar 7, 2018 at 1:55 PM