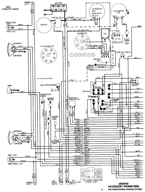
My alternator hasn’t been charging my battery so I went looking for the issue. I noticed on the battery side of my starter solenoid there was a black wire that was just wrapped around the battery side bolt (no termination, just bare wired wrapped around). I removed the wire and the Jeep started fine but when I turned the key off and removed it, the engine kept running.
I replaced the wire and it starts and turns off like it should. I traced the wire and it lead to an ammeter that was hidden under the dash.
I have two questions:
1) Why would removing that wire cause the Jeep to not turn off?
2) I want to get rid of the ammeter because I think that’s why the alternator isn’t working properly. It has two wires attached to it and both have 12 volts going to them. Can I just solder these two wires together and be good? Thanks
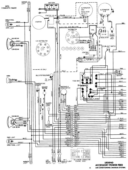
I replaced the wire and it starts and turns off like it should. I traced the wire and it lead to an ammeter that was hidden under the dash.
I have two questions:
1) Why would removing that wire cause the Jeep to not turn off?
2) I want to get rid of the ammeter because I think that’s why the alternator isn’t working properly. It has two wires attached to it and both have 12 volts going to them. Can I just solder these two wires together and be good? Thanks
Jun 12, 2019 at 7:24 PM










