Erratic electrical

2008 FORD ESCAPE
154,000 MILES • V6 • 2WD • AUTOMATIC
Avatar
KTUCKERHOYT62
  • MEMBER
  • 10 POSTS
gauges pegging out and all warning lights coming on while driving.
Dec 5, 2019 at 12:23 AM
Advertisement
Avatar
JONNYB1963
  • CERTIFIED EXPERT
  • 263 POSTS
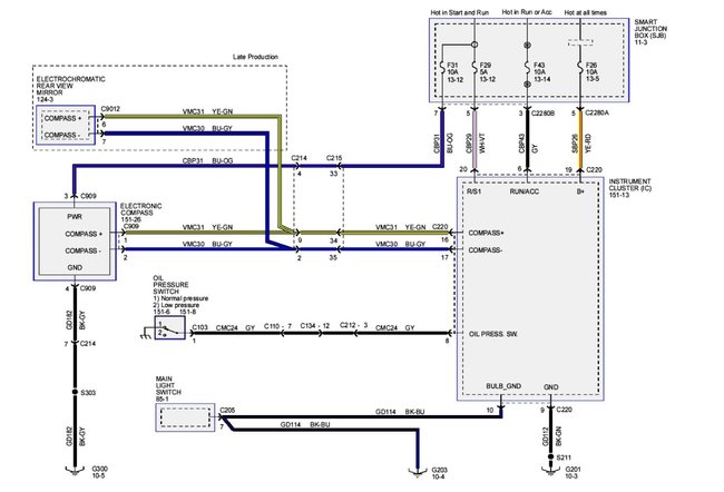
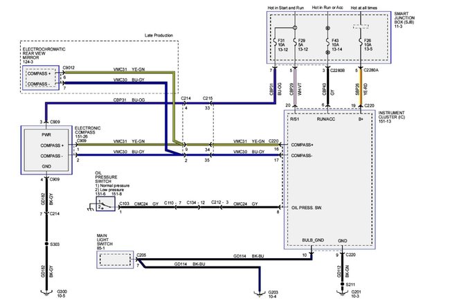
Sounds to me like you have a loose ground to the Instrument Cluster. Its a pretty common thing. This is where I would start if I were you.

On this vehicle there are two ground wires from the cluster, one goes to the left hand side, behind the dash panel and bolts to a stud on the body, The other goes to right side behind the dash and also bolts to a stud. You should check both of them.

You will need to get a flashlight and get under the dashboard and locate them. When you find them, give them a wiggle and if they move, tighten the nut to secure them back in place.

Start there and let me know what you find!

Regards
Jon
Dec 5, 2019 at 7:12 AM
Avatar
KTUCKERHOYT62
  • MEMBER
  • 10 POSTS
Checked both sides ground wires no wiggle and verified with ohmmeter they are making good connection, meanwhile been doing a lot of research (we took car to 2 auto places they both said battery and alternator was good). i found alternator test and diode test that i performed this morning diodes tested bad. Thanks for your reply.
Dec 5, 2019 at 8:59 AM
Advertisement
Avatar
JONNYB1963
  • CERTIFIED EXPERT
  • 263 POSTS
Ah okay!

Well it sounds like you've found the problem!

Come back and see us if you need anything else!

Jon
Dec 5, 2019 at 10:16 AM