Evap system

2013 KIA SPORTAGE
261,500 MILES • 2.0L • 4 CYL • 2WD • AUTOMATIC
Avatar
LESQUENAZI
  • MEMBER
  • 25 POSTS
I keep getting a lean code and my air intake all checks out good. Could a failing or leaking evap system cause this lean code?
May 10, 2021 at 11:32 AM
Advertisement
Avatar
KASEKENNY
  • CERTIFIED EXPERT
  • 18,907 POSTS
It is possible but it is more likely to set a code against the evap system. Here is a guide on this:

https://www.2carpros.com/articles/evap-system-code-repair

If you are getting only a lean code then you most likely have unmetered air coming in from somewhere that is leaning it out.

https://www.2carpros.com/articles/repair-lean-mixture-codes-p0171-or-p0174-on-some-manufacturers

Which specific code are you getting and we can dig deeper into this.

I would double check to make sure we have no vacuum leak. Here is a guide that will help with this:

https://www.2carpros.com/articles/how-to-use-an-engine-vacuum-gauge

This could also be an intake valve issue so if you have a vacuum gauge that would help as well.

Below is a chart that will help with determining this.

Let us know about this and we can go from there. Thanks
May 11, 2021 at 4:02 PM
Avatar
LESQUENAZI
  • MEMBER
  • 25 POSTS
Thanks for your reply. The code i keep getting is P2191.
May 11, 2021 at 6:07 PM
Advertisement
Avatar
KASEKENNY
  • CERTIFIED EXPERT
  • 18,907 POSTS
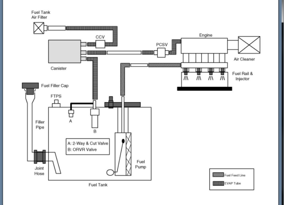
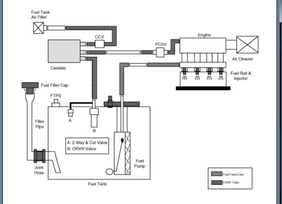
That is great. The answer to your original question is yes. This code will cause this issue and it can be the EVAP system.

I attached the info below on this code including possible causes. We need to run through this to find out where the issue is. Please let us know if you have other questions and what you find on this.

Thanks
May 12, 2021 at 6:02 PM
Avatar
LESQUENAZI
  • MEMBER
  • 25 POSTS
Smoke test done on evap system and no leak detected. Could it still be a bad canister? I have been bad about topping off my tank when filling up until I learned that was not good.
May 12, 2021 at 8:37 PM
Avatar
KASEKENNY
  • CERTIFIED EXPERT
  • 18,907 POSTS
I doubt the canister is causing it as I suspect the purge is sticking open at this point. So you are not seeing the smoke because it is going into the engine. Did you remove the oil fill cap when you were smoke testing it?

If the purge is the issue then you are going to want to put a canister as well. What happens when you top off the tank is when there is no vapor gap at the top of the tank it will pull in fuel and soak the charcoal. Then it will breakdown and will actually cause the purge valve to stick.

So you are correct that the canister may need to be replaced but it is most likely not causing the issue.

Also, this code is normally caused by air leaking into the EVAP system and not a fault component within the system, however, due to the fact that you mention this, we need to check it.
May 13, 2021 at 7:16 PM
Avatar
LESQUENAZI
  • MEMBER
  • 25 POSTS
I have replaced evap purge valve solenoid already and code still comes up.
May 26, 2021 at 5:31 PM
Avatar
KASEKENNY
  • CERTIFIED EXPERT
  • 18,907 POSTS
Okay. You have a pretty simple system so the most likely cause is the CCV or the closed canister valve. Basically this is responsible for not allowing vapor to escape.

I included the info on this including the testing for it so let's test it first and then replace it if needed.

Please take a look at the info below and let us know what questions you have and we can go from there. Thanks
May 27, 2021 at 8:35 PM
Avatar
LESQUENAZI
  • MEMBER
  • 25 POSTS
Is that the one on the actual cannister by the tank or the one in the engine bay? I already replaced the one by the engine bay.
May 27, 2021 at 10:19 PM
Avatar
KASEKENNY
  • CERTIFIED EXPERT
  • 18,907 POSTS
It is the one by the canister. It should be pretty close to it if I am not mistaken.
May 28, 2021 at 7:34 PM