Factory rear view camera does not work correctly with aftermarket stereo

2018 TOYOTA TUNDRA
16,000 MILES
Avatar
NAP1970
  • MEMBER
  • 1 POST
I have purchased two nex4400 over the past two weeks because I have been unable to get the stereo to correctly work with my factory rear view camera.

The first nex4400 rear view camera would come on when I switched into reverse but would not come on when I try to turn it on from the stereo while driving. (For towing purposes and etc.) I took stereo out and while messing with the wiring I did something which resulted with the rear view camera no longer coming on when in reverse. Troubleshooting has included, numerous re checking of wiring and camera settings in the stereo,replacement of aftermarket wiring harness, temporary re installing factory stereo, temporarily installed three other aftermarket stereos with rear view camera inputs, and countless research.

To summarize this all up, upon installing each of the two nex 4400 units and having these rear view camera issues, I then temporarily installed the above stereos. All three aftermarket stereos and the factory stereo worked flawlessly and the rear view camera worked correctly. Has anyone else ever experienced anything like this where it seems that Pioneer is the only brand of stereo that won’t work properly in their vehicle? This has me completely stumped because four other stereos work fine and because of the fact that the rear view camera had initially worked at least when in reverse on the 4400. I would really like to keep this stereo but I have become so frustrated with this issue and have spent way to much time on it. Any advice would be greatly appreciated.
Jun 10, 2019 at 4:16 AM
Advertisement
Avatar
STRAILER
  • CERTIFIED EXPERT
  • 53,855 POSTS
Hello,

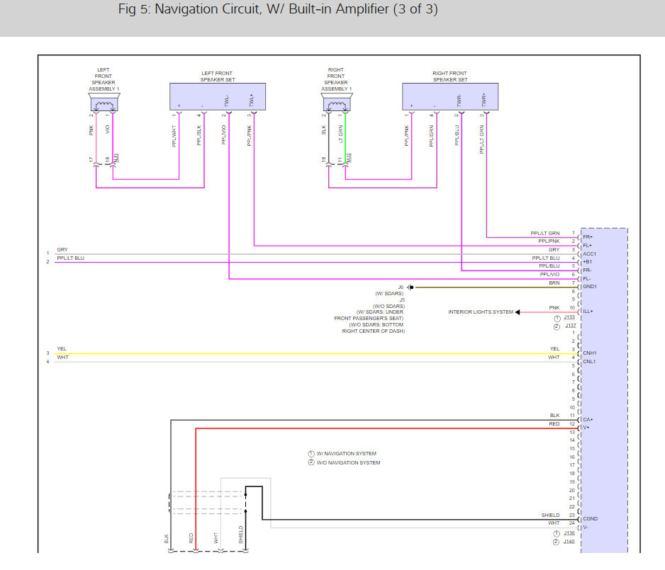
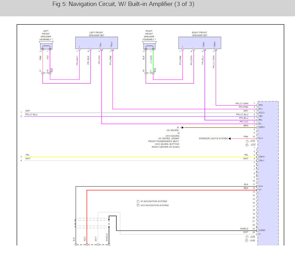
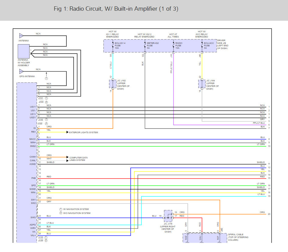
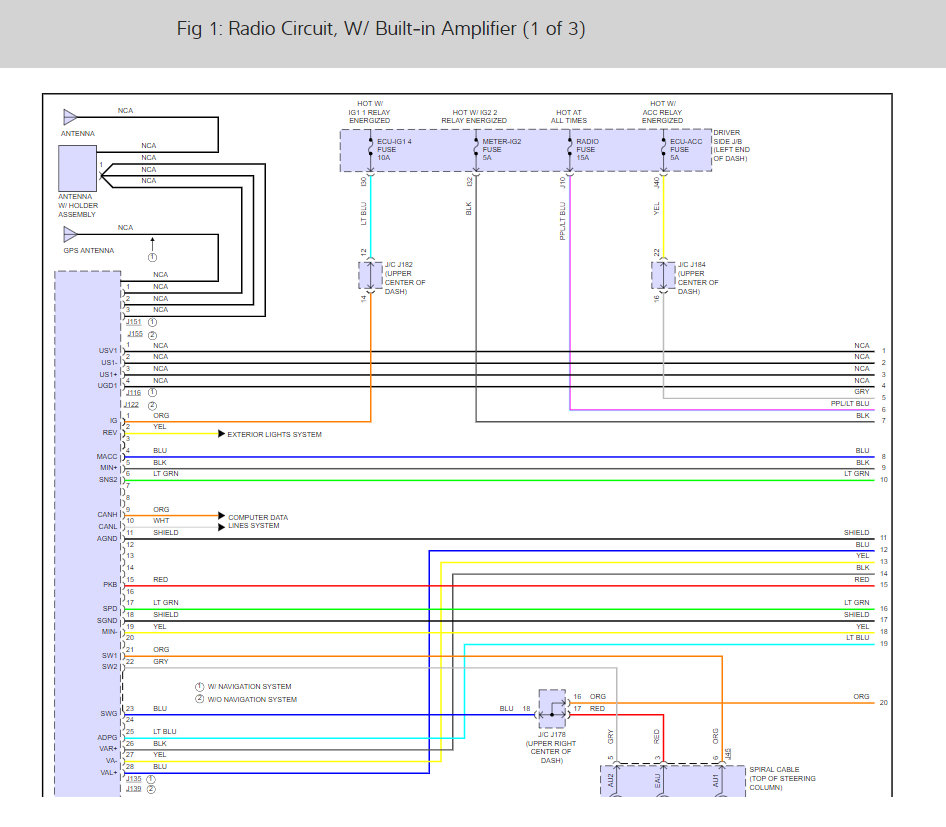
The back up camera is driven by the navigation system and is pretty straight forward. is there a chance you got a defective radio? I would check for a pulled pin in the aftermarket wiring harness. Here is a guide to help you test the connections and the radio/navigation and back up camera wiring diagrams to help with the testing and so you can see how the system works:

https://www.2carpros.com/articles/how-to-check-wiring

Check out the diagrams (below). Please let us know what you find. We are interested to see what it is.
Jun 11, 2019 at 11:06 AM