Radiator fans not working?

2009 TOYOTA NADIA
133,000 MILES
Avatar
SIMON NDHLOVU
  • MEMBER
  • 1 POST
Radiator fans not working?
Jan 19, 2023 at 2:16 AM
Advertisement
Avatar
ALEX STATHAS
  • MEMBER
  • 71 POSTS
either fan switch or fan motor.
Jan 19, 2023 at 2:57 AM
Avatar
STRAILER
  • CERTIFIED EXPERT
  • 53,855 POSTS
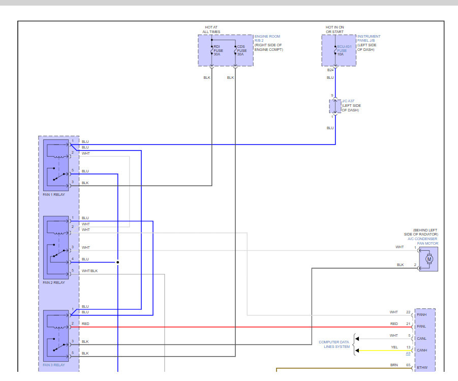
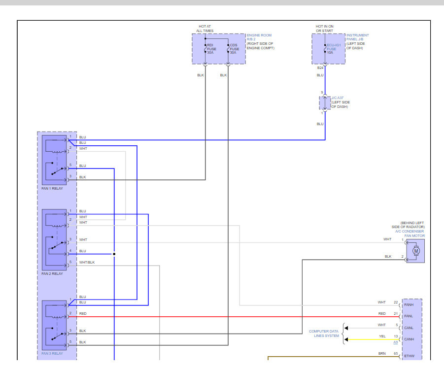
Most of the time it will be a bad fan motor that has popped the fuse, or the relay is overloaded and failed. Here is a guide to help you test the fan motor, but I would check the fuses as well. Also, I have included a wiring diagram for the system so you can see how it works.

https://www.2carpros.com/articles/how-to-check-a-car-fuse

and

https://www.2carpros.com/articles/replace-electric-fan-motor

Check out the images (below). Please let us know what you find. We are interested to see what it is.
Jan 19, 2023 at 1:02 PM
Advertisement