☰
Login
Join
×
Home
Answered Questions
Repair Topics
Repair & Service Guides
Popular Questions
Warning Lights
Trouble Codes
How It Works
Testing / Diagnostics
Symptoms
Videos
Login
Become a Member
Home
Chevrolet
S-10
Ignition
Firing Order
Firing order from distributor to engine needed?
1991 CHEVROLET S-10
198,000 MILES • 4.3L • 6 CYL • 2WD • AUTOMATIC
IVAN09
MEMBER
1 POST
FOLLOW
Can I please get a diagram of the firing order for my vehicle listed above?
Sep 15, 2024 at 10:36 PM
Advertisement
STEVE W.
CERTIFIED EXPERT
15,113 POSTS
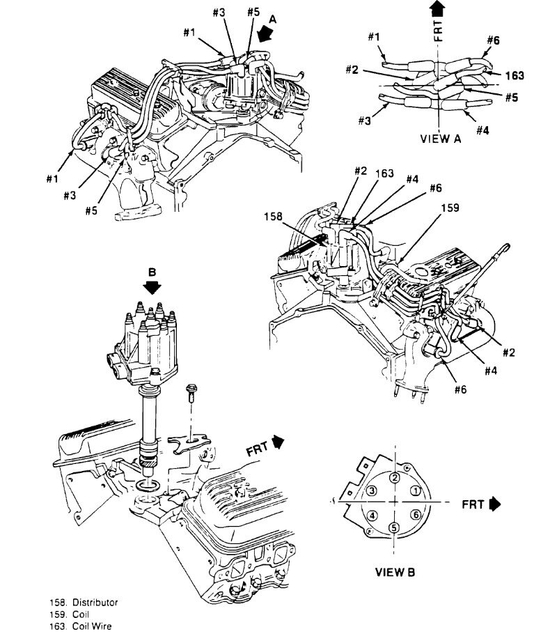
Firing order on the 4.3 is 1-6-5-4-3-2. The attached shows the cylinder numbers and the plug wire routing for each cylinder.
https://www.2carpros.com/articles/how-to-change-spark-plugs
Images (Click to enlarge)
Sep 16, 2024 at 5:15 AM