Flunked Emissions testing for a bad EGR Valve

2000 FORD RANGER
139,000 MILES • 3.0L • V6 • 4WD • AUTOMATIC
Avatar
EXMARINE
  • MEMBER
  • 1 POST
Replaced EGR Valve and found that the EGR Line was bad too, replaced it also. Hooked Vac Lines backup and other things that had to be moved to deal with EGR problem. Everything is connecteded properly, and now when I start it, the motor rocks and it acts like it is gasping for air. Before failing the Emissions test, the motor ran just fine, even though the check engine light was on. Have checked all the Vac Lines, made sure all sensors are connected. Removed the Air Hose, checked the Air Filter, cleaned the the Air Filter Housing Unit. Still, no help. Got any ideas? thanx!
Jun 16, 2015 at 11:29 AM
Advertisement
Avatar
HMAC300
  • CERTIFIED EXPERT
  • 48,601 POSTS
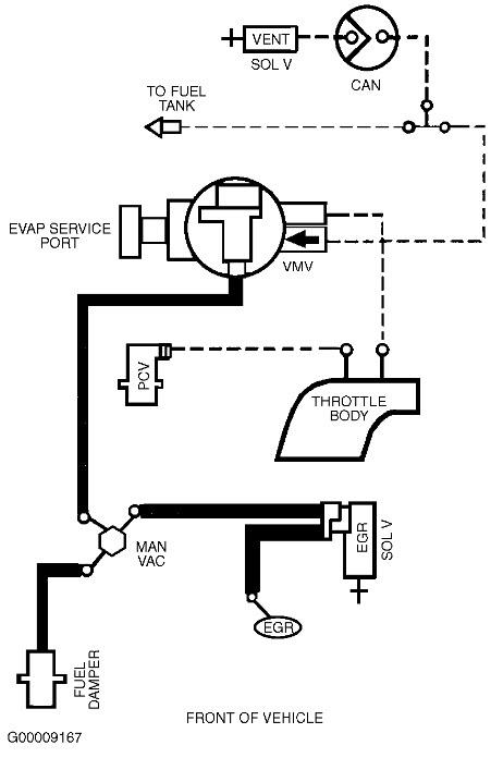
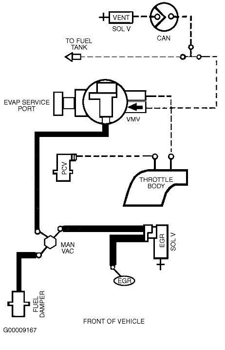
if the line was bad the egr passage could be partially blocked or all together. scan for codes and check fuel pressure with a gauge auto parts rent it. when you go for testing, change oil and filter, drive 20 miles on eway if you can then get it tested. I'm sending correct vauum routing. also check for a vacuum leak like canister purge solenoid
Jun 16, 2015 at 12:25 PM