My engine will not crank over?

2003 FORD EXPEDITION
Avatar
JIMWHITINGTX
  • MEMBER
  • 6 POSTS
V8 Two Wheel Drive Automatic 85,000 miles.

My SUV will not crank. My observations so far:
1. On the "message center", where the mileage is displayed, it shows "PRNDL error" when you turn the ignition to "on".
2. A loud buzzing noise is coming from the fuse panel.
3. All fuses are good. I removed all of the relays and the buzzing continued.
4. If I disconnect one of the two wiring harnesses with purple paint, the buzzing stops and the car cranks.
5. If I remove the ignition circuit 30 amp fuse, the buzzing stops, but of coarse, will not crank.

I tried to move to different gearshift positions, including neutral, but no luck.

One more odd item that might be relevant is that the interior lights do not shut off when I close the doors. They used to after a few minutes, now they do not.

Pulled in the garage last night from a two hundred mile trip and this morning when I went to crank, it would not.
Any ideas?

Jim
Dec 23, 2007 at 3:32 PM
Advertisement
Avatar
BLACKOP555
  • CERTIFIED EXPERT
  • 10,386 POSTS
Sounds to me like a inoperative transmission range indicator you should check the wiring harnesses for the transmission. Also I have seen where the PCM relay cause this problem.

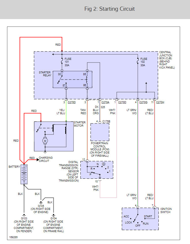
Here is a wiring diagram and a guide to help you check the problem out.

https://www.2carpros.com/articles/how-to-check-an-electrical-relay-and-wiring-control-circuit

Here are the fuse and relay locations (below)

Please let us know what happens.

Cheers
Dec 24, 2007 at 9:58 AM
Avatar
JIMWHITINGTX
  • MEMBER
  • 6 POSTS
Would the transmission range indicator be toward the front or back, left or right side. I see a small package with four wires but that's about it. Would I get to it from underneath?

Does it come directly off the fuse panel?

Also, if I disconnect one of the wiring harnesses from the fuse panel it starts. Is it okay to drive if I decide to take it to the shop?
Dec 24, 2007 at 11:35 AM
Advertisement
Avatar
SERVICE WRITER
  • CERTIFIED EXPERT
  • 9,123 POSTS
What color wires are on the connector your pulling off?

The interior light problem can likely be resolved by spraying a light lube like WD-40 on the door latches and opening and closing the doors twenty times or so, need to soak it pretty good.
Dec 24, 2007 at 11:53 AM
Avatar
JIMWHITINGTX
  • MEMBER
  • 6 POSTS
That one has a lot of wires in it. I am going to get the colors and post. See the attached picture for the fuse panel location where it is plugged into.


https://www.2carpros.com/forum/automotive_pictures/134008_car_001_1.jpg

Dec 24, 2007 at 1:33 PM
Avatar
SERVICE WRITER
  • CERTIFIED EXPERT
  • 9,123 POSTS
Here is a starter wiring diagram and a guide to help you test it.

https://www.2carpros.com/articles/how-to-use-a-test-light-circuit-tester

The PRNDL switch are range sensor switch is located on the transmission at the gear selector lever. Driver side.

Here is a guide that can help you do some testing

https://www.2carpros.com/articles/how-a-neutral-safety-switch-works

Check out the diagrams (Below)

Cheers!
Dec 24, 2007 at 3:33 PM
Avatar
JIMWHITINGTX
  • MEMBER
  • 6 POSTS
After doing some test, I think the DTR sensor and wiring are fine. If I remove the connector I told you about above and attempt to start the car in anything other than park/neutral, it will not crank. If it is in park/neutral, it cranks fine. I think we have eliminated the ignition switch and DTR. What about the PCM? If I use the wiring diagram up above and check the coli voltage between 85/86 of the starter relay, I get six volts.

If I remove the fuse for the PCM, I get a full twelve volts and the car cranks.

With the fuse in, I am still getting the PRNDL error on the car's "message center".

Any ideas?

Jim

Dec 25, 2007 at 2:59 PM
Avatar
BLACKOP555
  • CERTIFIED EXPERT
  • 10,386 POSTS
you are not supposed to be able to crank the car in any gear other then park or neutral.
Dec 25, 2007 at 6:58 PM
Avatar
JIMWHITINGTX
  • MEMBER
  • 6 POSTS
I have this one solved finally. I ended up renting a OBDII diagnostics scanner. The scanner would not read any data, so I checked all PCM fuses and relays. One of the relays was bad, so once I replaced it, all was good. This would have been much easier if it would not have been for the PRNDL error that was displayed.
Dec 26, 2007 at 4:41 PM
Avatar
SERVICE WRITER
  • CERTIFIED EXPERT
  • 9,123 POSTS
Congratulations! the right tool can make a big difference.
Thanks for the update.
Dec 26, 2007 at 7:13 PM
Avatar
JUNAID IMTIAZ
  • MEMBER
  • 1 POST
Hi, i have same problem my 2003 Expedition 5.4 and the message center PRND error and will not crank the problem is PCM relay not connected properly. i replace the PCM relay and the car will crank and start the engine. i hope it is the same problem.
Dec 23, 2016 at 8:13 AM
Avatar
BOB RICE
  • MEMBER
  • 2 POSTS
Got into car to leave for work and it did not crank. Column display stated PRNDL error and heard a two second buzzing sound.

1. Battery fully charged. All cells good.
2. Fusible link good
3. All fuses good
4. Swapped 30A relays around with headlight relay to verify all are good.
5. Starter and solenoid are good when testing.
6. No power to solenoid wire when turning key.
7. Buzzing sound for two seconds when turning key.
8. Removed entire fuse box, disassembled and checked for bad circuit or terminal. Board is good. No evidence of moisture.
9. Removed one purple wiring harness plug from fuse box and car willl turn over but not start. Same as someone on this board previously posted but in this case car turns over but does not start.
10. Thinking maybe neutral safety, crank position sensor etc. Could it be PCM? I did not think car would turn over if PCM is bad? Ideas?
Dec 27, 2016 at 9:53 AM (Merged)
Avatar
BMRFIXIT
  • CERTIFIED EXPERT
  • 19,053 POSTS
Digital transmission range (TR) sensor.

The digital transmission range (TR) sensor is located on the outside of the transmission at the manual lever. The sensor completes the start circuit in park and neutral, the back-up lamp circuit in reverse and a neutral sense circuit for GEM control of 4x4 low engagement. The sensor also opens/closes a set of four switches that are monitored by the power-train control module (PCM) to determine the position of the manual lever (P, R, N, (D), 2, 1).

Check for codes.
Dec 27, 2016 at 9:53 AM (Merged)
Avatar
BOB RICE
  • MEMBER
  • 2 POSTS
I had suspected DTRS and have not ruled that out yet but reverse lights function okay, back up sensor indicator "was" functioning and I had no power in either park or neutral to the solenoid wire coming from ignition. Due to a similar prior post that ended up being the fuse box, last night I had removed and disassembled the entire fuse box to the PCB and tested every resistor, the diode to PCM and the back mounted relays. All checked fine. No evidence of board problems and none of the fuses are blown and all relays are okay. Upon reassembling the board and reinstalling it, the PRNDL error is gone and now the radio, all dash lights and interior key in ignition bell are coming on as if the key was turned to the on position. I isolated it to the connector at the board that comes from ignition key and indicators and do not "see" any problems with the board. Is it possible the printed circuit board in the fuse box is shorted, in essence bypassing a relay without visible charring or evidence or could the DTR sensor be providing rogue power to the board? I ruled out the ignition switch because the power is bypassing the switch as if there was a short on the board. By the way, when I open the doors, all interior lights function, all dash gauges come on when I plug the connector to board and for all intensive purposes, it is almost as if the key was turned on yet when turning to the start position, nothing other than I can here one of the relays on the board clicking yet no power goes to the solenoid at starter. It is weird. I am strongly suspecting a bad fuse box but I am anal retentive about changing a part that I cannot find fault with.
Dec 27, 2016 at 9:53 AM (Merged)
Avatar
FIXITMR
  • CERTIFIED EXPERT
  • 9,990 POSTS
i am the same way about replacing so sometimes i use bone yard parts (cheaper) in such situations.
Dec 27, 2016 at 9:53 AM (Merged)
Avatar
NATE LUND
  • MEMBER
  • 1 POST
I also had this same problem were my 2003 Expedition would not turn over or start and would display prndl and check fuel cap. Sometimes it would turn over but not start it would just keep turning over. It was the PCM relay and you can get it at AutoZone for $20.00. Ford wanted several hundred just to look at it. Simple fix the PCM relay.
May 9, 2018 at 9:50 PM
Avatar
STRAILER
  • CERTIFIED EXPERT
  • 53,855 POSTS
Great addition to this thread! Please feel free to help out whenever you are on the site. :)

Cheers, Ken
May 10, 2018 at 4:39 PM