radio fuse

2002 FORD TAURUS
172,566 MILES • 6 CYL • FWD • AUTOMATIC
Avatar
MOBYMAN
  • MEMBER
  • 1 POST
The battery in my Taurus will be dead after sitting for a day or two. I had the battery checked and they said it was bad. I bought a new one and after sitting over Thanksgiving (2 days), it was dead again. I took it to a shop for diagnostic tests and they didn't find anything abnormal until there was a "CALL" on the radio display and it started pulling down the battery. They told me it was some sort of phone service attached to my radio. They couldn't fix it, but removed the fuse for my radio. I haven't had problems since, but no radio. I would like to know where the fuse is?
Dec 9, 2008 at 1:46 AM
Advertisement
Avatar
DAVE H
  • CERTIFIED EXPERT
  • 13,384 POSTS
Hello,

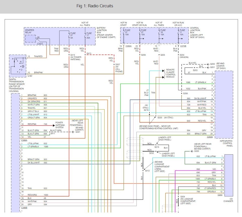
Here is a guide to help you test the fuse and the fuse location below with the radio wiring diagrams so you can see which fuses to test.

https://www.2carpros.com/articles/how-to-check-a-car-fuse

Check out the diagrams (Below). Please let us know if you need anything else to get the problem fixed.
Dec 9, 2008 at 5:51 AM
Avatar
TAMAFAN85
  • MEMBER
  • 1 POST
Electrical problem 6 cyl Front Wheel Drive Automatic

My alternator fizzled out not too long ago, causing my battery to die. A spare battery was put in place to get the car home, and when the original battery was replaced, everything went back to normal except that the radio no longer works. The lights on the console around it work, but the actual display where the clock and station should be is nonexistent. Could this be a fuse that blew along with the battery dying? If so, which one would it be?
Dec 25, 2018 at 3:07 PM (Merged)
Advertisement
Avatar
JGONZO2398
  • MEMBER
  • 372 POSTS
I have the same problem, i had a shortage on my 02' Ford Taurus and I replaced the alternator, that fixed the car and had it running once again, the problem was that both cigarette lighters do not work and my stereo doesn't turn on whatsoever, I have an aftermarket stereo. I checked all of the fuses you mentioned and they all look intact, none of them burned out or blown, any other guesses??
Dec 25, 2018 at 3:07 PM (Merged)
Avatar
STRAILER
  • CERTIFIED EXPERT
  • 53,855 POSTS
Hello,

Check fuses under hood fuse #17 and #27 check fuses under left side of dash fuses # 37, 27, 1, and 11

I found the wiring guides for both the radio and the cigarette lighters. Use a test light to see if there is power at the fuses.

Here are a couple of guides to get you started.

https://www.2carpros.com/articles/how-to-check-a-car-fuse

and

https://www.2carpros.com/articles/how-to-use-a-test-light-circuit-tester

Diagrams (below)

Please let us know what happens, we are interested to see what it is.

Cheers, Ken
Dec 25, 2018 at 3:07 PM (Merged)
Avatar
JTF1967
  • MEMBER
  • 3 POSTS
radio stopped working- I'm getting no power to the rear control unit/tuner/amp. all the fuses are good. however the fuse in the engine compartment has no power when checked with a meter. is there a relay somewhere that i'm overlooking?
Dec 25, 2018 at 3:07 PM (Merged)
Avatar
BMRFIXIT
  • CERTIFIED EXPERT
  • 19,053 POSTS
no listed relays for the system

Under hood fuse # 27 5 A check for power when in starting
as for fuse #17 20A fuse should have power at all times if not check wiring and connectors



also check fuses under left side of dash
fuse #37 15A hot when in start
fuse #27 10A hot in start and when key on engine running
fuse #16 15A should be hot all the time
fuse #11 15A hot with key on or running and when in ACC
if not check for short or open in wiring system
let me know which one
and I will look it up
Dec 25, 2018 at 3:07 PM (Merged)
Avatar
JTF1967
  • MEMBER
  • 3 POSTS
i checked all the fuses- #27 under the hood does not have power at any time.
Dec 25, 2018 at 3:07 PM (Merged)
Avatar
JTF1967
  • MEMBER
  • 3 POSTS
i ran a hot wire from #17 fuse to the control unit in trunk-red/yellow wire and the stereo worked. if the wire is bad can i just run a new wire and splice into the red/yelow wire at the control unit if i fuse the wire.
Dec 25, 2018 at 3:07 PM (Merged)
Avatar
BMRFIXIT
  • CERTIFIED EXPERT
  • 19,053 POSTS
yes you can do that
make sure you have a fuse on it
Dec 25, 2018 at 3:07 PM (Merged)
Avatar
BEENIE13
  • MEMBER
  • 1 POST
Radio or air controls work or come on and keep replacing fuse but it keeps blowing
Dec 25, 2018 at 3:07 PM (Merged)
Avatar
CARADIODOC
  • CERTIFIED EXPERT
  • 34,308 POSTS
You're going to have to clarify the symptoms. What you typed doesn't make sense.

A simple trick to finding a short is to replace the blown fuse with a pair of spade terminals, then use small jumper wires to connect them to a 12 volt light bulb. A brake light bulb works well. When the circuit is live and the short is present, the bulb will be full brightness and hot so be sure it's not laying on the carpet or against a plastic door panel. Now you can unplug electrical connectors and move things around to see what makes the short go away. When it does, the bulb will get dim or go out.
Dec 25, 2018 at 3:07 PM (Merged)