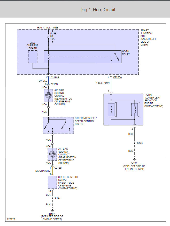
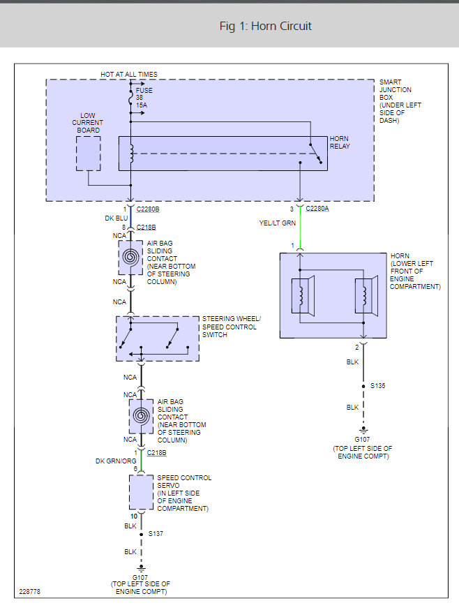
Hey there- My Taurus horn stopped working recently. I checked out the fusebox and verified I was looking at the right one (using the owner's manual) and it was fine.Do you have any thoughts on why a horn would stop working, and what can be done to fix it? BTW- where the hell is the thing located under the hood?
Thanks for any help you could provide.
Thanks for any help you could provide.
Dec 27, 2007 at 4:17 PM







