front passenger door wiring

2000 MERCURY VILLAGER
215,000 MILES • 3.3L • V6 • 2WD • AUTOMATIC
Avatar
FIXITMR
  • CERTIFIED EXPERT
  • 9,990 POSTS
I needed to open the windows because a can of spray paint not easily accessible due to the load i was carrying decides to squirt! so i roll up and down with windows depending on speed because it was cooling off out. when i get home i later go to raise windows and passenger window will not budge. long story short i have no ground at the connector to motor. lock works fine on the door. buttons seem to have many wires going to them. lock wires are all small while window wires are big and small. rather than tear into wiring i thought i would ask here first so i do not mess something up.
Apr 26, 2018 at 6:03 PM
Advertisement
Avatar
CARADIODOC
  • CERTIFIED EXPERT
  • 34,308 POSTS
If the passenger window works in either direction, the wiring between the door hinges is okay. Since you already found the ground circuit to be open, you are ten steps ahead of the game. The most common cause is a defective switch, but it can be either one. There is actually two double sets of contacts in each switch. When you press a switch, one set of contacts changes from being grounded to having twelve volts applied. The other contact stays released and is part of the ground circuit. In the inactivated switch, both sets of contacts are grounded. One set has current going through it when the window is raised and the other set has current going through it when the window is lowered.

That is easier to describe when there is a diagram that can be pointed to. I rarely recommend randomly replacing parts as a test, but in this case, consider finding a pair of switches at a salvage yard to try. Remember, regardless if one switch works, does not work, or works only one way, either switch can be at fault.

If the window does not work either way from either switch, wiring between the door hinges is almost always the cause. Because window switches have to break the ground circuit, then apply twelve volts to one of the wires, depending on the direction of travel, that ground circuit cannot be shared with the power locks or mirrors. That is why other systems can still work properly.
Apr 26, 2018 at 6:52 PM
Avatar
FIXITMR
  • CERTIFIED EXPERT
  • 9,990 POSTS
I was only using drivers switch since owning vehicle for a year. but as i said neither worked after my short trip. have not been able to locate wiring diagram. i did notice the way they designed the door to body harness to reduce chance of breakage though. and yes, i cannot mentally picture the method of ground switching. or why i cannot jumper any ground to fix it.
Apr 27, 2018 at 7:54 AM
Advertisement
Avatar
FIXITMR
  • CERTIFIED EXPERT
  • 9,990 POSTS
but your suggesting that either switch or either door wiring could be the problem since that window has two switches? guess i could try changing drivers switch since that one was only in use.
Apr 27, 2018 at 8:23 AM
Avatar
FIXITMR
  • CERTIFIED EXPERT
  • 9,990 POSTS
could use wiring diagram to see if it uses relays.
Apr 28, 2018 at 10:06 AM
Avatar
CARADIODOC
  • CERTIFIED EXPERT
  • 34,308 POSTS
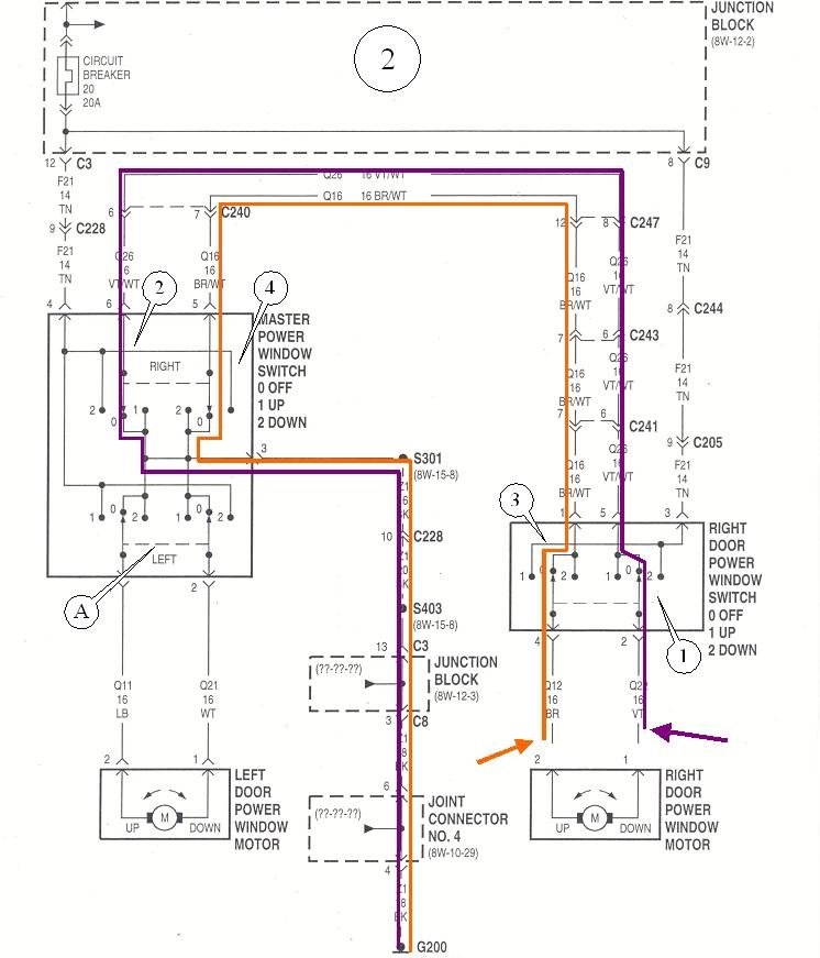
Chrysler's instructors are given vehicles to use in their classes, then after they have been poked and prodded for a couple of months, they do not want to release them to the public. Their solution is to donate them to technical college Automotive programs. We received a 1997 Dakota that I used for electrical training for many years. The diagram works well for explaining power windows because there are just two front windows to worry about. When you have four windows, the two rear circuits are the same as the right circuit in this diagram. The wiring diagram for your van is almost the same as this one, except, of course, the wire colors will be different. Also, if your van has a lock-out switch on the driver's switch assembly so kids cannot play with their windows, that would be in the top-most wire right under the circuit breaker. Diagram 1 shows the entire system.

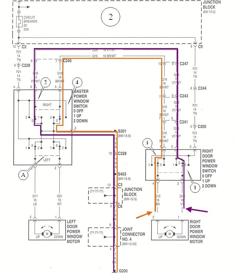
There are a number of shortcuts and multiple ways to diagnose a power window problem, but they will not make sense until the circuit is understood. This diagram shows the operation of a passenger window with a passenger switch and another one on the driver's door for that window. The driver's window circuit is less complicated.

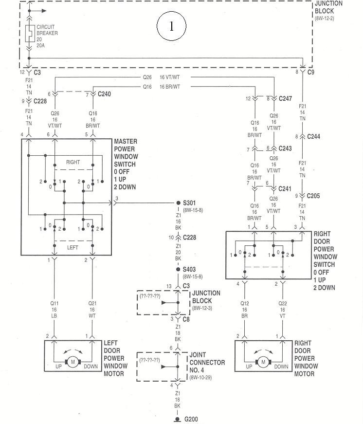
First of all, every switch actually has two double-throw switches inside it, and all current for a passenger window always goes through all four switches, regardless of which way the motor is running or which switch is activated. Second, when you press a switch, one of its two internal switches remains released and the other one switches. Third, when the switches are released, they are completing the ground circuit for the motor. That provides a useful test if you already have the door panel off. Continuity can be measured to test the wiring and switches, but to be accurate, the motor must be unplugged, as shown in diagram 2, otherwise an open circuit will appear to be okay by reading through the motor.

To do these tests, ground one probe of the ohm meter to a paint-free point on the body, and touch the other probe to one terminal in the plug you removed from the motor. Ideally you would find 0 ohms, but in the real world, expect to find a very low resistance, in the order of two to five ohms. If that test is okay, move the probe to the other wire in the motor's connector. This one should also have very low resistance. I apologize if this is overly-basic. I am typing this the way I described it in the classroom to people who just learned basic electrical theory a few weeks earlier. The probe will be at the purple arrow, then at the orange arrow, in diagram 2.

In the second diagram, the purple outline shows the first circuit being tested. Start at the purple arrow, then follow that wire up through switch number one, which is released, through the passenger door hinges, over to the driver's side and through the driver's door hinges, through switch number two which is also released, then out to ground. That ground wire also goes through the driver's door hinges, then it is bolted to the body.

The second circuit, outlined in orange, is identical and also has two released switches in its circuit. The exciting point of interest is you can test the wiring and switches on any car or truck this way without having to know wire colors. It is when a circuit has a break that we have to look further, but we still do not have to be concerned with wire colors. The two most common failures are broken or frayed wires between the door hinges, and a burned or pitted switch contact. If you have a replacement switch on hand, pop it in as a quick test by substitution. Inspecting wires between the hinges can take a little time to wrestle the rubber boot out of the way.

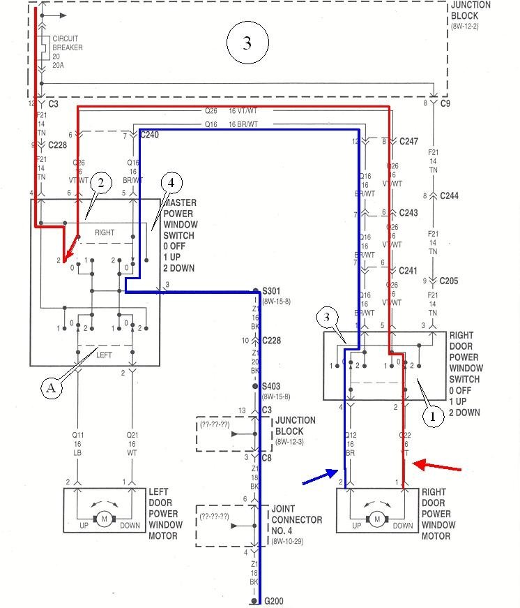
Part 2

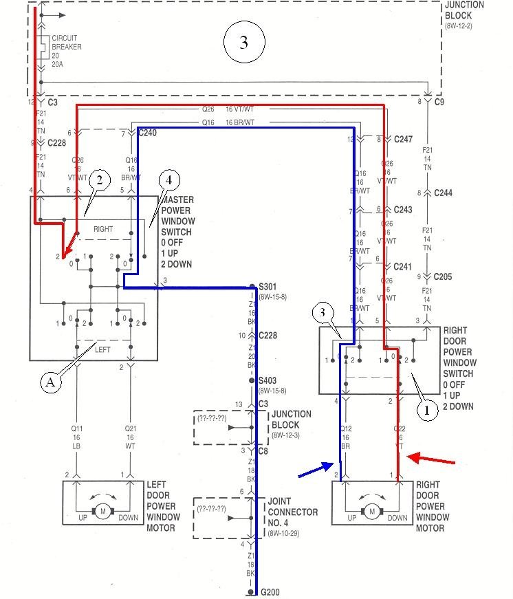
The dashed line, (item "A" in the second diagram, indicates both switches move together. That does not actually happen, but it is the only way the circuit can be drawn to make sense. If you look at the two lower switches for the driver's window that "A" is pointing to, it is shown as released. If you press "down", both switches move to the right, shown as position "2". On the left switch, position "0" and position "2" are tied together, so nothing has changed there. The right switch moves at the same time, but in this one, it breaks the contact to the ground terminal and makes a connection to the twelve volt terminal. That applies twelve volts to one motor terminal while the other motor terminal remains grounded. The motor runs one way. By pressing that switch to the "up" position, twelve volts would be applied to the other motor terminal, and with the polarity reversed, it runs the other way.

The third diagram shows the driver's switch for the passenger window pressed "down". Switch number two is moved away from its ground contact and is connected to its twelve volt contact. Follow the red circuit and see that it goes through the released switch number one in the passenger's switch, then to the motor. The motor's ground circuit is the same as before. Current goes through switch number three in the passenger's switch, and switch number four in the driver's switch, both of which are still released. The point of this great and wondrous story is current has to flow through four sets of switch contacts for the motor to run. A burned contact on any one of them will stop the motor from running. If either switch number one or three in the passenger switch has a burned contact, that window will not run either way from the driver's switch.

If the driver's switch is moved the other way, from position 0 to position 1, the left side, (red circuit), will remain grounded and the right side, (blue circuit), will get the twelve volts applied to it, so the motor will run the other way. The same thing happens at the passenger's switch assembly. Moving the switch one way breaks the ground for one of the motor's wires and applies twelve volts to it, and the motor runs one way. Moving the switch the other way applies twelve volts to the other wire, and the motor runs the other way. Wire F21, 14 gauge, tan is where the twelve volts comes from for when the passenger's switch is used. Notice there is no wire going to ground in that area. Grounding for the motor always goes back through the driver's switch's assembly, then to ground. Also note that only one of those two circuits, the purple one or the orange one provide the ground at a time, depending on which way the passenger's switch is activated. The two switches inside the driver's switch assembly are both released, but each one is still using a pair of contacts that can become burned or pitted. If, for example, switch number four has a burned contact in position "0" where it is released, there will be an open circuit in the blue circuit, so there will be no ground for the motor when switch number one is activated. The passenger's window will not go down when the passenger's switch is pressed, but the problem is caused by the driver's switch assembly. This is why you do not know which switch is defective, regardless of which window works or is bad one way or both ways. It can always be either switch.

If that magnificent story makes sense, I can complicate it even more. When you get to any system with a feature that makes the window operate without you having to push and/or hold the switch, there will be relays involved, and some type of additional circuitry to run them. A relay will take the place of each internal switch, numbers one through four, and the circuitry will turn the relay on and keep it on long enough for the window to get to where it is going. The two common examples of this include the "auto-down" feature that runs the window all the way down when you only tap the switch momentarily. I guess the engineers did not have enough confidence in our ability to hold a switch for all of three or four seconds, but I have to admit, it can be nice to have. The other application is for a power window that must roll down an inch before opening and closing the door, so the glass clears a convertible top. There is no one inside the car to push the switch when you are getting in, so computer circuitry is needed to run the relays to do that function.

While the relays do add complexity to the circuit, treat the relays' contacts the same way as you treat regular switch contacts when it comes to testing the circuit. GM often uses power window switches that have two relays inside the assembly. There are some cars that have a relay module in the dash. Those relays do the same switching that the door switches used to do, and the door switches are of a simpler design and they just turn the relays on and off. I am not familiar enough with those systems to talk intelligently about them.
Apr 28, 2018 at 8:14 PM
Avatar
FIXITMR
  • CERTIFIED EXPERT
  • 9,990 POSTS
I am starting to get a picture of how it works. I was wondering about where the ground originated from. the fact that both motor wires are grounded until a button is pushed is new information to me. i know the passenger motor plug shows no ground in either position using the passenger switch. I expect the drivers side switch will show same since it does not operate the motor also. the drivers window has the auto down feature and that window works fine.
Apr 29, 2018 at 3:54 AM
Avatar
CARADIODOC
  • CERTIFIED EXPERT
  • 34,308 POSTS
Basically both motor wires are grounded all the time until a switch is pressed, then one of the four switches for that window moves from ground to twelve volts. That way one of two switches can put twelve volts on one wire and the other two switches can put twelve volts on the other wire to make the motor run the other way.

Measuring the ground circuits from the purple and orange arrows in the diagrams is just to verify there is a break in one of those circuits, or to verify the wiring is good once you have repaired broken wires in the hinges. You do not have to know which wire color is for which function. If you measure there is a break, check the wires for breaks, or pop in a new switch. Further testing can tell you which switch is bad, but that is only worthwhile if you have to run and buy a new switch. I have spares for my cars, so I just plug one in as a quick test.
Apr 29, 2018 at 6:58 PM
Avatar
FIXITMR
  • CERTIFIED EXPERT
  • 9,990 POSTS
Okay, so I was too busy to go further, but i did notice my two rear flop style electric windows do not work either! So it sounds like something in drivers switch console.
May 7, 2018 at 4:51 PM
Avatar
CARADIODOC
  • CERTIFIED EXPERT
  • 34,308 POSTS
Hard to say yet. You could have multiple problems each with their own cause, or one problem that affects all the passenger windows. When the driver's window works properly and all the passenger windows do not work either way, suspect the lock-out switch in the driver's switch assembly or the twelve volt feed wire that goes from it to the other three switches.

When a passenger window works only one way from the switch on that door, but it does not work either way from the driver's switch, that can be caused by the passenger's switch or by a broken wire between the door hinges.

When the symptoms seem to be increasing in number over time, as in when only one window quits, then a second one quits a couple of months later, broken wires between the hinges becomes the better suspect.
May 7, 2018 at 5:09 PM
Avatar
FIXITMR
  • CERTIFIED EXPERT
  • 9,990 POSTS
I never used the rear windows before so I do not know when they quit. My suspicion is they quit first.
May 7, 2018 at 5:34 PM